Винт держателя pcb клетки HQ350V-3.5mm/3.96mm 2P электрический латунный в терминальном соединителе провода блокировочного
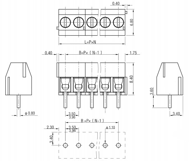
| Тангаж | 3.5/3.96mm |
| Поляки | 2P.3P |
| Расклассифицированное напряжение тока | 300V |
| Расклассифицированное течение | 7A |
| Выдерживая напряжение тока | AC1500/1Min |
| Ряд провода | 24-18AWG |
| Max.soldering | Sec +250℃ 5 |
| Вращающий момент | 0.2Nm (1.7Lbin) |
