Двухосевая система электрооптического беспилотного летательного аппарата с камеры увеличения и инфракрасным изображением с длинными волнами
 
TS120B-03 фотоэлектрическая капсула использует гиростабилизированную платформу с двумя осями, оснащена проводящим кольцом для непрерывного вращения на 360 градусов.и имеет 30-кратную камеру высокой четкости видимого света и модуль инфракрасного изображения с длинными волнами, не охлажденныйОн в основном используется для обнаружения, идентификации и отслеживания наземных изображений в воздухе и отвечает потребностям воздушного картографирования, мониторинга и разведки.
Функция
a) использование высокоразборчивого видимого света и длинноволнового инфракрасного двойного света без охлаждения;
b) имеет высокоточную функцию стабилизации зрительной оси;
c) обладать способностью обнаруживать и идентифицировать наземные цели;
d) с поиском, отслеживанием, блокировкой, направлением и другими режимами работы;
д) с функцией персонализации и отображения сверки символов;
f) с функцией местонахождения цели;
g) Он имеет функции самопроверки и диагностики неисправностей.
a) рабочая полоса: 0,4 мкм - 0,9 мкм;
B) Количество пикселей детектора: 1920×1080;
c) Фокальное расстояние: 4,3 мм ~ 129 мм, оптический 30 раз непрерывный зум;
d) Продолжающее увеличение горизонтального поля зрения: 63,7 ~ 2.3;
e) Выход видео: HD-SDI, 1080P, 30Hz.
| Цель | Целевой размер (м) | Расстояние обнаружения (км) | Расстояние распознавания (км) | 
| человеческий | 0.5х1.8 | 6 | 2 | 
| транспортное средство | 3х6 | 15 | 8 | 
a) рабочая полоса: 8μm ~ 14μm;
b) Количество пикселей детектора: 640×512;
c) Размер пикселей: 12um;
d) ПКН: 50 млн. тенге;
д) фокусное расстояние: 25 мм/F1.0;
f) Угол обзора: 17,4 × 14;
g) выход видео: HD-SDI, 1080P, 30Hz.
| Цель | Целевой размер (м) | Расстояние обнаружения (км) | Расстояние распознавания (км) | 
| человеческий | 0.5х1.8 | 0.7 | 0.2 | 
| транспортное средство | 3х6 | 4.2 | 1 | 
a) Обратный диапазон
Ось азимута: n×360° непрерывное вращение.
Ось наклона:-110 ~+10 (0 в горизонтальном направлении и положительно в направлении вверх)
b) точность измерения угла: ≤2mrad;
c) Точность стабильности: ≤ 100 радов (1 σ) (2/1 Гц, 1/2 Гц колебания);
d) Максимальная угловая скорость: ≥ 50/с;
e) Максимальное угловое ускорение: ≥ 90/с2.
a) скорость обновления отклонений пикселей: 50 Hz;
b) Скорость отслеживания: 30 пикселей/кадр;
c) Минимальный контраст: 8%;
d) Минимальный размер изображения цели: 4×3 пикселя;
e) в случае скольжения, быстрого уменьшения или увеличения изображения цели, он имеет возможность отслеживать без скольжения или потери;
f) Он способен автоматически восстанавливать цель после устранения кратковременной окклюзии, такой как облака и наземные сцены.
a) интерфейс связи: 1 RS422;
b) Видеоинтерфейс: 1 канал HD-SDI.
а) номинальное напряжение постоянного тока: 12 В;
b) Нормальный диапазон напряжения питания: 10V ~ 14V;
c) Среднее потребление энергии: ≤ 15 Вт;
d) Пиковое потребление энергии: ≤ 30 Вт.
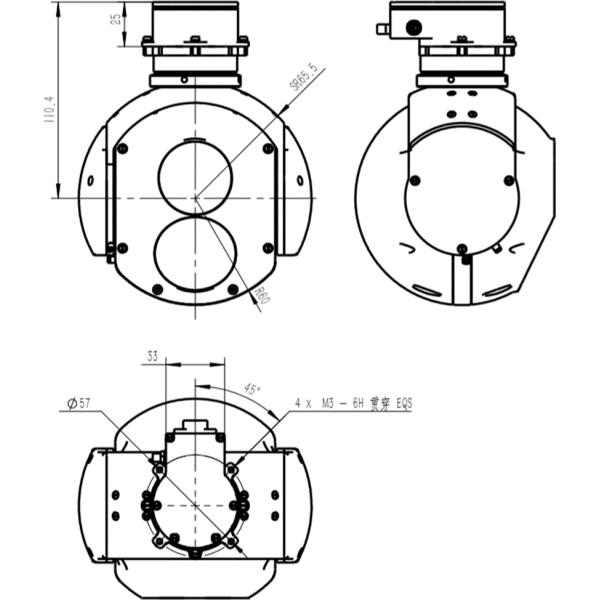
Для механического интерфейса установки см. рисунок 1.

Рисунок 1 Механический интерфейс
3.1 Механический интерфейс
См. для механической установки интерфейс.
 
Рисунок 1 Механический интерфейс
 
3.2 Электрический интерфейс
Существует два типа соединителей для фотоэлектрического шара, прямоугольный соединитель используется для питания и связи, а RF соединитель используется для передачи видео.См. определение интерфейсаТаблица 1, Таблица 2
| серийный номер | Определение сигнала | Номер ядра сокета | Направление сигнала | замечания | 
| 1 | P12V | 1,2,9 | Перевозчик → капсула | |
| 2 | PGND | 3,10,11 | Перевозчик → капсула | |
| 3 | RS422RX0+ | 12 | Перевозчик → капсула | 
 Главное управление 422 | 
| 4 | RS422RX0- | 5 | Перевозчик → капсула | |
| 5 | RS422TX0+ | 13 | Под → носитель | |
| 6 | RS422TX0- | 6 | Под → носитель | |
| 7 | DGND | 4 | ||
| 8 | RS422RX1+ | 14 | Перевозчик → капсула | 
 Замена 422 | 
| 9 | RS422RX1- | 7 | Перевозчик → капсула | |
| 10 | RS422TX1+ | 15 | Под → носитель | |
| 11 | RS422TX1- | 8 | Под → носитель | 
 
 
Таблица 2 Видеоинтерфейс (MCX-KYH81)
| серийный номер | Определение сигнала | Номер ядра сокета | Направление сигнала | Примечания | 
| HD-SDI | Фотоэлектрический шар → носитель | 
 
Chengdu HONPHO Technology Co., Ltd.. была основана в марте 2018 года. Это национальное высокотехнологичное предприятие, ориентированное на исследования и разработки, интеллектуальное производство и обслуживание высокотехнологичной фотоэлектрической системы.Основной продукт HONPHO - сферические фотоэлектрические системы полезной нагрузкиЭтот груз широко используется в БПЛА, беспилотных судах, пилотируемых транспортных средствах, вертолетах и малоскоростных летательных аппаратах с фиксированным крылом, особенно для разведки и ударов БПЛА и вооруженных вертолетов.У HONPHO почти 5Более 100 сотрудников, включая 2 национальных старших экспертов, 3 врача, 21 мастера,В HONPHO присоединились 10 технических экспертов с высшими званиями и 4 исследователя. HONPHO выиграла более 10 премий национального и национального оборонного науки и технологического прогресса, и имеет более 20 прав на интеллектуальную собственность.Мы стремимся превратить HONPHO в всемирно известное высокотехнологичное предприятие фотоэлектрической системы.

 
 
Сертификат HONPHO
