Катапультное летательное средство UAV Gimbal Camera
TS170C-01 UAV Gimbal Camera с высокой устойчивостью к ударам, TS170C-01 Gimbal Camera оснащена датчиком высокого разрешения, который может снимать изображения в разрешении 1080p,63-мм неохлажденная тепловая камера может обнаружить транспортное средство за 10 кмОн также оснащен передовой технологией обработки изображений, которая позволяет улучшать и анализировать изображения в режиме реального времени.
Функции
1. Предоставьте инфракрасное видео и изображение для области обнаружения
2. высокоточная функция стабилизации визуальной оси
3С возможностью обнаружения и распознавания наземных целей
4Поддержка поиска, отслеживания, блокировки, руководства и т.д.
5. С наложением символов, пользовательскими и дисплейными функциями;
6С функцией самопроверки и диагностики ошибок
7. поддерживать позицию цели и лазерный диапазон
8Самопроверка идиагностика ошибки
Спецификации
| Сенсор EO | Длина волны | 00,4 мкм ≈ 0,9 мкм | |||
| Резолюция | 1920х1080 | ||||
| Фокусное расстояние | 4.3мм129мм(30х) | ||||
| ПОВ | 630,7° ≈ 2,3° | ||||
| Выход видео | HD-SDI ((1080P 30Hz) | ||||
| Расстояние | ПОЛОЖЕНИЕ: обнаружение 6 км; распознавание 2 км транспортное средство: обнаружение 15 км; распознавание 8 км | ||||
| ИК-датчик | IR тип | LWIR ((неохлажденный) |
| Длина волны | 8 ‰ 14 мкм | |
| Резолюция | 640х512 | |
| Пиксели | 17мм | |
| NETD | 60 мк | |
| Длина фокусировки | 42 мм/F1.0 | |
| ПОВ | 140,6 × 11,7 | |
| Расстояние | Люди: обнаружение 0,8 км; распознавание 0,2 км ДЕКТИВАЮЩЕЕ ПОДВОДО: 5 км; распознавание 1,1 км |
| Лазерный дальномер | Длина волны | 1535 нм |
| Производительность | ||
| Дистанция действия | 4 км | |
| Точность в диапазоне | ±3 |
| Сервосистема | Ограничения вращения | 360o непрерывный Pan, наклон: -110° ~+10o | ||||
| Угловая точность: | ≤ 2 мrad | |||||
| Точность стабилизации | ≤ 100μrad ((1σ) ((2°/Hz,1°/Hz Swing) | |||||
| Максимальная угловая скорость | ≥ 50°/с | |||||
| Максимальное угловое ускорение: | ≥ 90°/S | |||||
| Функции отслеживания | Скорость движения: | 30 пикселей/кадр | ||||
| Контраст визуализации цели: | 8% | |||||
| Пиксель визуализации цели ((Mini) | 4х3 пикселя | |||||
| Поддержка | Противоосключение без потери функции | |||||
| Интерфейс | Коммуникация интерфейс |
RS422 x1 ((TTL необязательно) | |||
| Выход видео | HDSDIx1 | ||||
Снимок


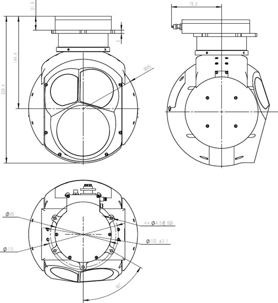
Механический чертеж

Профиль компании
Chengdu HONPHO Technology Co., Ltd.. была основана в марте 2018 года. Это национальное высокотехнологичное предприятие, ориентированное на исследования и разработки, интеллектуальное производство и обслуживание высокотехнологичной фотоэлектрической системы.Основной продукт HONPHO - сферические фотоэлектрические системы полезной нагрузкиЭтот груз широко используется в БПЛА, беспилотных судах, пилотируемых транспортных средствах, вертолетах и малоскоростных летательных аппаратах с фиксированным крылом, особенно для разведки и ударов БПЛА и вооруженных вертолетов.У HONPHO почти 5Более 100 сотрудников, включая 2 национальных старших экспертов, 3 врача, 21 мастера,В HONPHO присоединились 10 технических экспертов с высшими званиями и 4 исследователя. HONPHO выиграла более 10 премий национального и национального оборонного науки и технологического прогресса, и имеет более 20 прав на интеллектуальную собственность.Мы стремимся превратить HONPHO в всемирно известное высокотехнологичное предприятие фотоэлектрической системы.

Сертификат HONPHO
