Зажимы рельса лифта частей запасной части лифта для типа ведущего бруса t лифта
Характер продукции
Исполнять с типом ведущим брусом ISO7465 стандартным t.
продукты: T45/A, T50/A, T70/A, T70-1/B, T75-3/B, T78/B, T82/B, T82-3/B, T89/B, T89-1/B, T90/B, T114/B, T127-1/B, T127-2/B.
методы 1.processing: Вковка
2. упаковка:
Наша стандартная упаковка: все типы ведущих брусьев упакованы в пачках, с защитным обшивают защиту обоих концов и каждой пачки переупакованных в голубой полиэтиленовой пленке.
Если вы спрашиваете, то мы можем также упаковать на вашей просьбе.
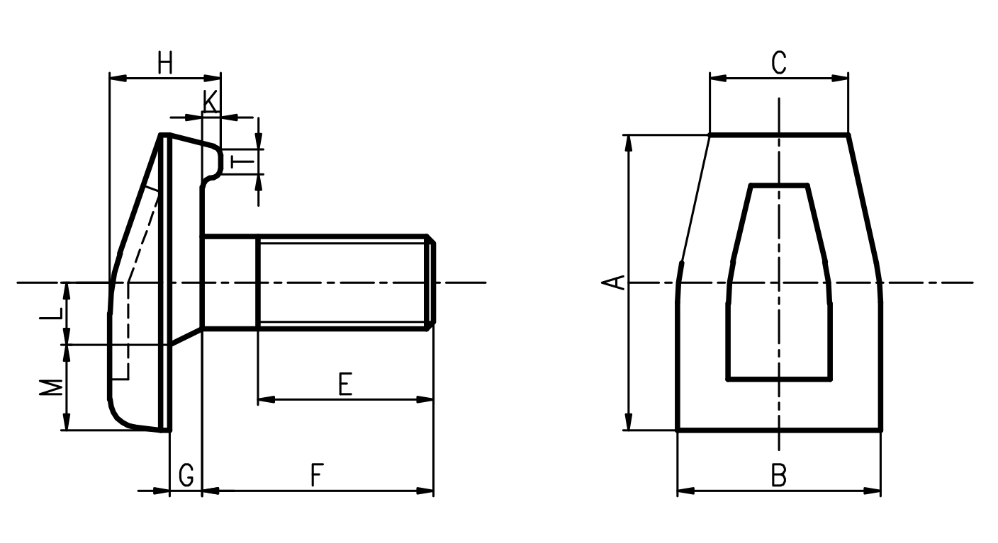
Карта эскиза

| Тип | Размер | |||||||||||
| Φ | B | C | E | F | G | H | K | L | M | T | ||
| ±1.5 | ±1.5 | ±1.5 | ±2.5 | ±1.5 | ±0.8 | ±1.0 | ±0.5 | ±0.8 | ±1.0 | ±0.5 | ||
| T1 | M10 | 32 | 22 | 15 | 19 | 25 | 3,5 | 12 | 2 | 5 | 11 | 3 |
| T2 | M12 | 39 | 26 | 19 | 22 | 30 | 4,3 | 15 | 3 | 6,5 | 13 | 4 |
| T3 | M14 | 45 | 29 | 21 | 28 | 38 | 5,5 | 18,5 | 4 | 8 | 13 | 4 |
| T4 | M16 | 50 | 34 | 22 | 34 | 44 | 6,5 | 20,5 | 4 | 8,5 | 15 | 5 |
| T5 | M18 | 55 | 37 | 23 | 35 | 46 | 9 | 23 | 4 | 11 | 17 | 5 |
Информация о продукте


вопросы и ответы
1. Веревочки провода лифта прочны?
Веревочка провода лифта имеет специальные положения и требования. Конфигурация не только для веревочки и номинальной нагрузки провода, но также рассматривала размер тракции, в результате, прочность на растяжение веревочки провода больше чем вес подъема. Фактор безопасности оборудован с больше чем четырехпроводной веревочкой. Так он не сломает в то же время.
2. Опасно для отказа источника питания внезапно во время хода лифта?
Если оно происходит, то лифт автоматически остановит должное к электрическому и механическому предохранительному устройству. В случае отказа источника питания, тормозы лифта будут автоматически принятый. К тому же, отделы электропитания как запланированное повреждение, прежнее извещение также работают.
3. Завещайте нас быть ушибленным когда оно закрыло внезапно?
В заключительном процессе, если люди касаются двери залы, то дверь лифта автоматически повторит старт без любой опасности. С анти- зажимая переключателем, как только ворота касались, это действие переключения делает лифт неспособной быть закрытым и даже открытым заново. К тому же, замыкающее усилие также доступно здесь.
4. Как бег лифта?
Лифты управляются с веревочкой провода противовесу через передачу с желобчатым ведущим шкивом (трактора), делать поднимает и опускает на ведущий брус.
5. Установка эскалатора осложнена?
Мы считаем, что функции эскалатора обязательно не пропорциональны к сложности деятельности. Поэтому, эскалаторы конструированные нами прикладывают интегрированную структуру, так, что оборудование будет более точно и более эффективно и позволяет более легкий и более удобный поручать.
6. Вы имеете cerifications?
Да, мы делаем с сертификатами ISO9001/CCC/CE для u.