двигатель без редуктора 380V для Sheave Diam Φ485mm лифта/нагрузки 6000kg SN-GTW5A Max.Static
Примечание:
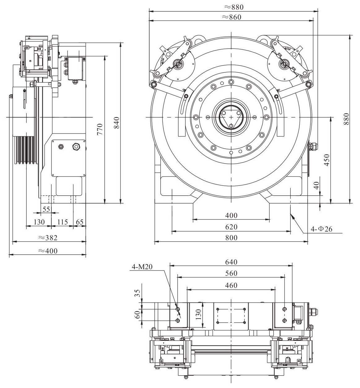
Машину можно установить с удаленным ручным отпуском тормоза с 4 метрами связывает проволокой.
![]()
| Нагрузка (kg) | Скорость (m/s) | Высота (m) | Sheave Diam (mm) | Sheave веревочки (mm) | Настоящий (A) | Вращающий момент (Nm) | Проектная скорость (rpm) | Частота (Hz) | Сила (kw) | Поляк | Оценка | INS.Class | Код IP |
| 1350 | 1,0 | ≤80 | Φ485 | 5xΦ12x18 | 24,3 | 1050 | 79 | 21 | 8,8 | 32 | S5 (40%) | F | IP41 |
| 1350 | 1,6 | ≤80 | Φ485 | 5xΦ12x18 | 34,6 | 1050 | 126 | 33,6 | 14,2 | 32 | S5 (40%) | F | IP41 |
| 1350 | 1,75 | ≤80 | Φ485 | 5xΦ12x18 | 37,4 | 1050 | 138 | 36,8 | 15,5 | 32 | S5 (40%) | F | IP41 |
| 1350 | 2,0 | ≤80 | Φ485 | 5xΦ12x18 | 41,9 | 1050 | 158 | 42 | 17,6 | 32 | S5 (40%) | F | IP41 |
| 1600 | 1,0 | ≤80 | Φ485 | 5xΦ12x18 | 27,4 | 1250 | 79 | 21 | 10,5 | 32 | S5 (40%) | F | IP41 |
| 1600 | 1,6 | ≤80 | Φ485 | 5xΦ12x18 | 39,8 | 1250 | 126 | 33,6 | 16,5 | 32 | S5 (40%) | F | IP41 |
| 1600 | 1,75 | ≤80 | Φ485 | 5xΦ12x18 | 44 | 1250 | 138 | 36,8 | 18,1 | 32 | S5 (40%) | F | IP41 |
| 1600 | 2,0 | ≤80 | Φ485 | 5xΦ12x18 | 49,5 | 1250 | 158 | 42 | 20,7 | 32 | S5 (40%) | F | IP41 |
| 2000 | 1,0 | ≤80 | Φ485 | 6xΦ12x18 | 31,7 | 1560 | 79 | 21 | 13 | 32 | S5 (40%) | F | IP41 |
| 2000 | 1,6 | ≤80 | Φ485 | 6xΦ12x18 | 50 | 1560 | 126 | 33,6 | 20,7 | 32 | S5 (40%) | F | IP41 |
| 2000 | 1,75 | ≤80 | Φ485 | 6xΦ12x18 | 53,8 | 1560 | 138 | 36,8 | 22,6 | 32 | S5 (40%) | F | IP41 |
| 2000 | 2,0 | ≤80 | Φ485 | 6xΦ12x18 | 60,7 | 1560 | 158 | 42 | 26 | 32 | S5 (40%) | F | IP41 |
![]()



вопросы и ответы
1. Веревочки провода лифта прочны?
Веревочка провода лифта имеет специальные положения и требования. Конфигурация не только для веревочки и номинальной нагрузки провода, но также рассматривала размер тракции, в результате, прочность на растяжение веревочки провода больше чем вес подъема. Фактор безопасности оборудован с больше чем четырехпроводной веревочкой. Так он не сломает в то же время.
2. Опасно для отказа источника питания внезапно во время хода лифта?
Если оно происходит, то лифт автоматически остановит должное к электрическому и механическому предохранительному устройству. В случае отказа источника питания, тормозы лифта будут автоматически принятый. К тому же, отделы электропитания как запланированное повреждение, прежнее извещение также работают.
3. Завещайте нас быть ушибленным когда оно закрыло внезапно?
В заключительном процессе, если люди касаются двери залы, то дверь лифта автоматически повторит старт без любой опасности. С анти- зажимая переключателем, как только ворота касались, это действие переключения делает лифт неспособной быть закрытым и даже открытым заново. К тому же, замыкающее усилие также доступно здесь.
4. Как бег лифта?
Лифты управляются с веревочкой провода противовесу через передачу с желобчатым ведущим шкивом (трактора), делать поднимает и опускает на ведущий брус.
5. Установка эскалатора осложнена?
Мы считаем, что функции эскалатора обязательно не пропорциональны к сложности деятельности. Поэтому, эскалаторы конструированные нами прикладывают интегрированную структуру, так, что оборудование будет более точно и более эффективно и позволяет более легкий и более удобный поручать.
6. Вы имеете cerifications?
Да, мы делаем с сертификатами ISO9001/CCC/CE для u.