250N Компоненты безопасности Регулятор скорости лифта, номинальная скорость 0,5 ~ 1,0 м / с
Лифт превысил скорость
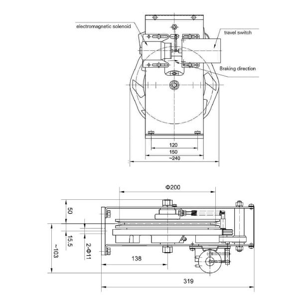
ВСверхскоростной управляющийявляется важнейшим устройством безопасности в лифтах, предназначенным для предотвращения катастрофических аварий, вызванных чрезмерной скоростью.маховик, центробежный механизм и устройство отталкивания, обычно устанавливается в машинном помещении или подъемном проеме лифта.
Определение скоростиЕсли скорость превышает установленный предел (обычно 125% от номинальной скорости), центробежная сила активирует механизм.
Активация: Губернатор назначаетОрудия безопасностиили вызываетаварийный тормоз, остановить машину.
Резервная мощность: Современные системы интегрируются сэлектрические схемы безопасностичтобы отключить питание, если произойдет перегон.
| Номинальная скорость | Сила натяжения веревки | Диаметр веревки | Диаметр лопатки |
| V:00,5-1,0 м/с | F:950±250N | Ф6 мм | Ф200 мм |
Высота подъема:H ≤ 60 м
Напряжение устройства напряжения 250N, стандартное устройство напряжения BZJ1




Частые вопросы
1- Лифтовые провода прочны?
Конфигурация не только для проволоки и номинальной нагрузки, но и учитывает размер тяги, в результате,прочность проволоки больше веса подъемникаУстройство безопасности оснащено более чем четырьмя проволоками, поэтому оно не сломается одновременно.
2. Опасно ли внезапное отключение электроэнергии во время работы лифта?
Если это произойдет, лифт автоматически остановится из-за электрического и механического устройства безопасности.отделы электроснабжения, такие как запланированное отключение, предварительное уведомление также работают.
3Мы не пострадаем, когда он внезапно закроется?
В процессе закрытия, если люди прикоснутся к двери коридора, дверь лифта автоматически перезапустится без опасности.Это переключающее действие делает лифт невозможно закрыть и даже снова открытьКроме того, сила закрытия также доступна здесь.
4Как работает лифт?
Подъемники работают с помощью проволочной веревки с противовесом через тяговый привод (трактор), делая подъемы и падения на направляющей рельсе.
5Установка эскалатора сложная?
Мы считаем, что функции эскалатора не обязательно пропорциональны сложности работы.чтобы оборудование было более точным и эффективным и позволило легче и удобнее вводить в эксплуатацию.
6У вас есть какие-нибудь справки?
Да, у нас есть сертификаты ISO9001 / CCC / CE для вас.