Компоненты безопасности лифта буфера масла, Load600~3000kg, проектная скорость (m/s): ≤1.00
Нагрузка 600-3000kg буфера масла лифта компонентов безопасности лифта CE стандартная
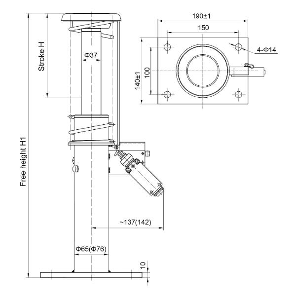
Буфер прибор для того чтобы обеспечить окончательное предохранение от безопасности лифта вообще устанавливаемый в яму вала лифта нижнюю, обнаруженную местонахождение справедливо под автомобилем и противовесом. Когда лифт бежит верхнее или ухудшающееся, он может перелиться через край терминальные дно пола или верхняя часть из-за случайный недействительный тормозить. Буфер обеспечивает абсорбцию для избежания автомобиля лифта или противовеса от ударять нижний или верхний защитить безопасность для пассажиров и приборов.
Согласно государству скорости, буфера можно разделить в энергоемкий тип буфера (буфер масла как представитель) и энергию храня тип (v<=1.0m/s, буфер полиуретана как представитель)
| Номер детали. | Ход (mm) | Свободная высота (mm) | Проектная скорость (m/s) | Нагрузка (kg) |
| SN-YH-66/70 | 70 | 285 | ≤1.00 | 600~3000 |
| SN-YH-67/160 | 160 | 500 | ≤1.50 | 600~3000 |
| SN-YH-68/210 | 210 | 600 | ≤1.75 | 600~3000 |


вопросы и ответы
1. Веревочки провода лифта прочны?
Веревочка провода лифта имеет специальные положения и требования. Конфигурация не только для веревочки и номинальной нагрузки провода, но также рассматривала размер тракции, в результате, прочность на растяжение веревочки провода больше чем вес подъема. Фактор безопасности оборудован с больше чем четырехпроводной веревочкой. Так он не сломает в то же время.
2. Опасно для отказа источника питания внезапно во время хода лифта?
Если оно происходит, то лифт автоматически остановит должное к электрическому и механическому предохранительному устройству. В случае отказа источника питания, тормозы лифта будут автоматически принятый. К тому же, отделы электропитания как запланированное повреждение, прежнее извещение также работают.
3. Завещайте нас быть ушибленным когда оно закрыло внезапно?
В заключительном процессе, если люди касаются двери залы, то дверь лифта автоматически повторит старт без любой опасности. С анти- зажимая переключателем, как только ворота касались, это действие переключения делает лифт неспособной быть закрытым и даже открытым заново. К тому же, замыкающее усилие также доступно здесь.
4. Как бег лифта?
Лифты управляются с веревочкой провода противовесу через передачу с желобчатым ведущим шкивом (трактора), делать поднимает и опускает на ведущий брус.
5. Установка эскалатора осложнена?
Мы считаем, что функции эскалатора обязательно не пропорциональны к сложности деятельности. Поэтому, эскалаторы конструированные нами прикладывают интегрированную структуру, так, что оборудование будет более точно и более эффективно и позволяет более легкий и более удобный поручать.
6. Вы имеете cerifications?
Да, мы делаем с сертификатами ISO9001/CCC/CE для u.