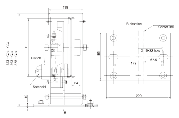
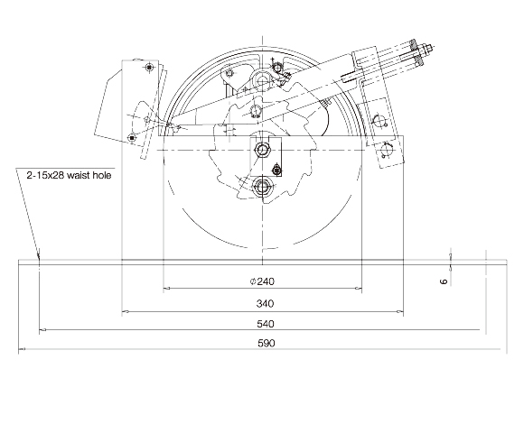
Один регулятор оверспида Бидиректион Губернатора Оверспида направления для лифта МРЛ
ХАРАКТЕРИСТИКИ ПРОДУКТА
| Тип | СН-СГ-XSQ115-02 |
| Спецификация |
Номинальная скорость: 0,25~2,5 (м/с) |
![]() |
|
ХАРАКТЕРИСТИКИ ПРОДУКТА
Двунаправленный регулятор превышения скорости для лифта MRL
| G таблица | Шкив сердцевина D (мм) | Диаметр троса (мм) | Номинальная скорость (м/с) |
| G01 | Φ200 | Φ6 | 0,5~1,0 |
| G02 | Φ6.3 | ||
| G03 | Φ280 | Φ8 | 1,0 |
| G05 | Φ305 | 1,25~1,75 | |
|
Уровень напряжения переключателя превышения скорости |
Напряжение соленоида отключения |
Напряжение соленоида выключателя превышения скорости |
|
| DC110 или AC220 | AC220 | AC220 | |
![]() |
|||



Часто задаваемые вопросы
1. Прочны ли тросы лифта?
Трос лифта имеет особые положения и требования.Конфигурация предназначена не только для троса и номинальной нагрузки, но также учитывает размер тяги, в результате прочность на растяжение троса больше, чем вес подъемника.Фактор безопасности оснащен более чем четырьмя тросами.Так что он не сломается в то же время.
2. Опасно ли внезапное отключение питания во время работы лифта?
Если это произойдет, лифт автоматически остановится благодаря электрическому и механическому защитному устройству.В случае сбоя питания тормоза лифта автоматически включаются.Кроме того, также работают отделы электроснабжения, такие как плановое отключение, предварительное уведомление.
3. Будет ли нам больно, когда он внезапно закроется?
В процессе закрытия, если люди коснутся двери холла, дверь лифта автоматически откроется без какой-либо опасности.С антизажимным выключателем, как только ворота коснулись, это действие переключения делает лифт невозможным для закрытия и даже для повторного открытия.Кроме того, здесь также доступна закрывающая сила.
4. Как работает лифт?
Лифты работают с тросом противовеса через тяговый (тракторный) привод, совершая подъемы и опускания по направляющей.
5. Сложный ли монтаж эскалатора?
Мы считаем, что функции эскалатора не обязательно пропорциональны сложности работы.Поэтому разработанные нами эскалаторы имеют интегрированную структуру, чтобы оборудование было более точным и эффективным, а ввод в эксплуатацию был проще и удобнее.
6. Есть ли у вас сертификаты?
Да, мы делаем с сертификатами ISO9001/CCC/CE для вас.