Польза силла для оператора автомобильной двери бортового центра автомобильной двери Operator/4-Leafs отверстия 2-Leafs раскрывая
![]() |
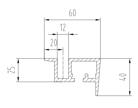
Силл Alu автомобильной двери (60)
Особенности
Используйте для 2 листьев центризуйте
раскрывая оператор автомобильной двери
|
![]() |
![]() |
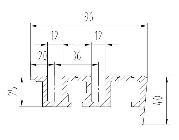
Силл Alu автомобильной двери (96)
Особенности
Используйте для автомобиля 2 листьев бортового раскрывая
центр двери operator/4-leafs
раскрывая оператор автомобильной двери
|
![]() |
![]() |
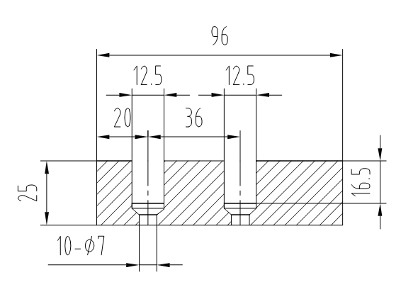
Силл автомобильной двери стальной (96)
Особенности
Используйте для оперы автомобильной двери 2 листьев бортовой раскрывая?
оператор автомобильной двери центра tor/4-leafs раскрывая
Польза для грузового подъемника (OP=1200-1900)
|
![]() |
![]() |
Силл утюга автомобильной двери (96)
Особенности
Используйте для оперы автомобильной двери 2 листьев бортовой раскрывая?
оператор автомобильной двери центра tor/4-leafs раскрывая
Польза для грузового подъемника (OP≥2000)
|
![]() |



вопросы и ответы
1. Веревочки провода лифта прочны?
Веревочка провода лифта имеет специальные положения и требования. Конфигурация не только для веревочки и номинальной нагрузки провода, но также рассматривала размер тракции, в результате, прочность на растяжение веревочки провода больше чем вес подъема. Фактор безопасности оборудован с больше чем четырехпроводной веревочкой. Так он не сломает в то же время.
2. Опасно для отказа источника питания внезапно во время хода лифта?
Если оно происходит, то лифт автоматически остановит должное к электрическому и механическому предохранительному устройству. В случае отказа источника питания, тормозы лифта будут автоматически принятый. К тому же, отделы электропитания как запланированное повреждение, прежнее извещение также работают.
3. Завещайте нас быть ушибленным когда оно закрыло внезапно?
В заключительном процессе, если люди касаются двери залы, то дверь лифта автоматически повторит старт без любой опасности. С анти- зажимая переключателем, как только ворота касались, это действие переключения делает лифт неспособной быть закрытым и даже открытым заново. К тому же, замыкающее усилие также доступно здесь.
4. Как бег лифта?
Лифты управляются с веревочкой провода противовесу через передачу с желобчатым ведущим шкивом (трактора), делать поднимает и опускает на ведущий брус.
5. Установка эскалатора осложнена?
Мы считаем, что функции эскалатора обязательно не пропорциональны к сложности деятельности. Поэтому, эскалаторы конструированные нами прикладывают интегрированную структуру, так, что оборудование будет более точно и более эффективно и позволяет более легкий и более удобный поручать.
6. Вы имеете cerifications?
Да, мы делаем с сертификатами ISO9001/CCC/CE для u.