Двигатель PM с низким шумом торможения и быстрым временем отклика
IP41 Лифтовый бесприводный тяговый аппарат для лифта без машинного помещения
Продукция серии SN-WYT-L представляет собой новую генерацию внутренней структуры ротора PM безрегулярной тяговой машины, разработанной Bluelight в 2015 году.
подходит для применения в мини-машинном помещении или лифте без машинного помещения.
Параметр тяговой машины
| Напряжение: | AC380V |
| Завязка: | 2:1 |
| Заворачиваем: | Одинокий |
| Мощность: | 320 ~ 1050 кг |
| Скорость: | 00,5 м/с ~ 2,0 м/с |
| Степень защиты: | IP41 |
| Класс: | F |
| Полюс тяговой машины: | 20 |
| Звезды в час: | 240 |
| Рейтинг: | S5-40% |
|
Высота лифта: |
≤ 80 м |
Особенности
Без рамы на статоре двигателя, еще больше улучшает теплораспределение.
Дизайн высокой эффективности и высокой плотности крутящего момента с высоким использованием материала, небольшими размерами и легким весом.
Внутренняя структура ротора улучшает электромагнитную структуру, приводит к плавному ходу на низких скоростях и высокой способности перегрузки.
Использование валового тормоза, с преимуществами компактной конструкции, низкого шума торможения и быстрого времени отклика.
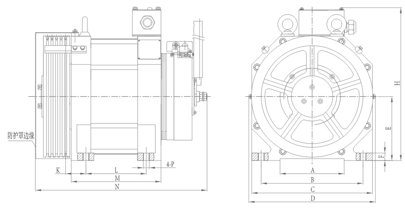
Очертание контуры




Частые вопросы
1- Лифтовые провода прочны?
Конфигурация не только для проволоки и номинальной нагрузки, но и учитывает размер тяги, в результате,прочность проволоки больше веса подъемникаУстройство безопасности оснащено более чем четырьмя проволоками, поэтому оно не сломается одновременно.
2. Опасно ли внезапное отключение электроэнергии во время работы лифта?
Если это произойдет, лифт автоматически остановится из-за электрического и механического устройства безопасности.отделы электроснабжения, такие как запланированное отключение, предварительное уведомление также работают.
3Мы не пострадаем, когда он внезапно закроется?
В процессе закрытия, если люди прикоснутся к двери коридора, дверь лифта автоматически перезапустится без опасности.Это переключающее действие делает лифт невозможно закрыть и даже снова открытьКроме того, сила закрытия также доступна здесь.
4Как работает лифт?
Подъемники работают с помощью проволочной веревки с противовесом через тяговый привод (трактор), делая подъемы и падения на проволоке.
5Установка эскалатора сложная?
Мы считаем, что функции эскалатора не обязательно пропорциональны сложности работы.чтобы оборудование было более точным и эффективным и позволило легче и удобнее вводить в эксплуатацию.
6У вас есть какие-нибудь справки?
Да, у нас есть сертификаты ISO9001 / CCC / CE для вас.