Устройство подъемного напряжения совпадает с односторонним или двунаправленным регулятором сверхскорости
Тип:SN-ZJZ116-02
Функции продукта
Совпадение с односторонним или двунаправленным регулятором превышения скорости
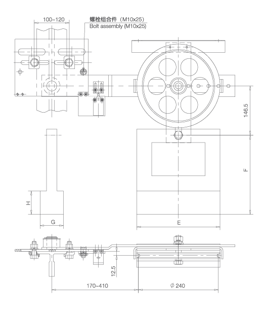
| Таблица G | Вес кусков ((kg) | Материал | Высота подъема ((m) | Диаметр проволоки ((мм) | Е | F | G | H |
| G02 | 18 | Из чугуна | TR≤50 | Φ6, Φ6.3,Φ8 | 250 | 235 | 70 | 70 |
| G03 | 30 | TR>50 | 330 | 170 | ||||
| G07 | 18 | Оружейная конерета | TR≤50 | 272 | 290 | 72 | 240 | |
| G08 | 30 | TR>50 | 350 | 360 | 70 | 310 | ||
| Напряжение контрольного выключателя DC110V или AC220V | ||||||||
| Таблица L | Применимые проводниковые рельсы |
| L01 | Т-8К |
| L02 | Т-13К |
| L03 | Т-18К |

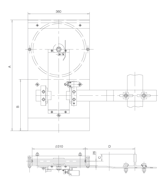
Тип:SN-ZJZ116-05
Функции продукта
Совпадение с односторонним или двунаправленным регулятором превышения скорости
| Таблица L | Применимые проводниковые рельсы | А1 | А2 | А3 | Диапазон размеров |
| L01 | Т-8К | 135 | 90 | 375 | 290 ~ 460 |
| L02 | Т-13К | ||||
| L03 | Т-18К | 160 | 120 | 460 |

Тип:SN-ZJZ116-16
Функции продукта
Совпадение с регулировщиком высокой скорости
| Таблица G | Применимые проводниковые рельсы | В | D |
| G01 | T89 | 40 | 290 |
| G02 | T90 | ||
| G03 | T114,T127-1 | ||
| G04 | T127-2 |
| Стол | Применимая высота подъема | А. | В. |
| A01 | TR≤80 мм | 635.5 | 300 |
| A02 | 80 | ||
| 700.5 | 365 | ||
| A03 | 120 | ||
| 800.5 | 465 |




Частые вопросы
1- Лифтовые провода прочны?
Конфигурация не только для проволоки и номинальной нагрузки, но и учитывает размер тяги, в результате,прочность проволоки больше веса подъемникаУстройство безопасности оснащено более чем четырьмя проволоками, поэтому оно не сломается одновременно.
2. Опасно ли внезапное отключение электроэнергии во время работы лифта?
Если это произойдет, лифт автоматически остановится из-за электрического и механического устройства безопасности.отделы электроснабжения, такие как запланированное отключение, предварительное уведомление также работают.
3Мы не пострадаем, когда он внезапно закроется?
В процессе закрытия, если люди прикоснутся к двери коридора, дверь лифта автоматически перезапустится без опасности.Это переключающее действие делает лифт невозможно закрыть и даже снова открытьКроме того, сила закрытия также доступна здесь.
4Как работает лифт?
Подъемники работают с помощью проволочной веревки с противовесом через тяговый привод (трактор), делая подъемы и падения на проволоке.
5Установка эскалатора сложная?
Мы считаем, что функции эскалатора не обязательно пропорциональны сложности работы.чтобы оборудование было более точным и эффективным и позволило легче и удобнее вводить в эксплуатацию.
6У вас есть какие-нибудь справки?
Да, у нас есть сертификаты ISO9001 / CCC / CE для вас.