Машины с постоянным магнитом для лифтов, синхронные бесприводные тяговые машины для лифтовых частей
ВПостоянный магнитный синхронный бесприводный тяговый аппарат (PMSGTM)Это высокоэффективная двигательная система, используемая в современных лифтах, заменяющая традиционные системы тяги с передачами.что делает его предпочтительным выбором для многоэтажных зданий и умных лифтов.
PMSGTM работает с использованиемротор с постоянным магнитомистатор с обмоткамиКогда электрический ток проходит через статор, он генерирует вращающееся магнитное поле, которое взаимодействует с постоянными магнитами.Производство крутящего момента для перемещения вагона лифта.
Высокая эффективность (до 90-95%)- отсутствие потерь передач, снижение потребления энергии на 30-50% по сравнению с системами с передачами.
Компактный и легкий дизайн️ Устранение громоздких коробки передач, экономия места в машинных помещениях.
Плавная и тихая работаУменьшение механического трения и вибрации повышает комфорт пассажиров.
Низкое содержание- меньшее количество движущихся частей уменьшает износ, что снижает долгосрочные затраты.
Регенеративное торможениеПреобразует энергию торможения в электричество, передавая его обратно в электросеть здания.
Высокоскоростные лифты в небоскребах
Жилые и коммерческие здания среднего и высокого этажа
Интеллектуальные лифты и лифты с интернетом вещей
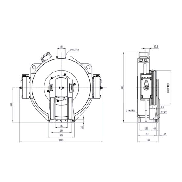
SN-MCB200
| Напряжение | 380 В | Сцепление | 2:1 |
| Нагрузка | 630 ~ 1150 кг | Скорость | 00,5-1,7 м/с |
| Диамский шейв | 400/480 мм | Обязанность | S5-40% |
| IP-код | IP41 | Максимальная статическая нагрузка | 3000 кг |
| Внутренний класс | F | Вес | 370 кг |
| Тормоз | DC110V 2x1.3A | ||
Размеры

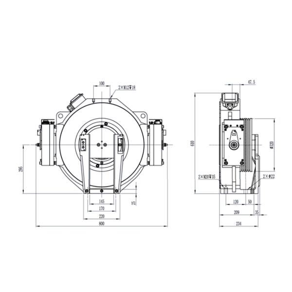
SN-MCB100
| Напряжение | 380 В | Сцепление | 2:1 |
| Нагрузка | 320-800 кг | Скорость | 00,5-1,7 м/с |
| Диамский шейв | 320 мм | Обязанность | S5-40% |
| IP-код | IP41 | Максимальная статическая нагрузка | 2500 кг |
| Внутренний класс | F | Вес | 210 кг |
| Тормоз | DC110V 2x1.3A | ||
Размеры





Частые вопросы
1- Лифтовые провода прочны?
Конфигурация не только для проволоки и номинальной нагрузки, но и учитывает размер тяги, в результате,прочность проволоки больше веса подъемникаУстройство безопасности оснащено более чем четырьмя проволоками, поэтому оно не сломается одновременно.
2. Опасно ли внезапное отключение электроэнергии во время работы лифта?
Если это произойдет, лифт автоматически остановится из-за электрического и механического устройства безопасности.отделы электроснабжения, такие как запланированное отключение, предварительное уведомление также работают.
3Мы не пострадаем, когда он внезапно закроется?
В процессе закрытия, если люди прикоснутся к двери коридора, дверь лифта автоматически перезапустится без опасности.Это переключающее действие делает лифт невозможно закрыть и даже снова открытьКроме того, сила закрытия также доступна здесь.
4Как работает лифт?
Подъемники работают с помощью проволочной веревки с противовесом через тяговый привод (трактор), делая подъемы и падения на направляющей рельсе.
5Установка эскалатора сложная?
Мы считаем, что функции эскалатора не обязательно пропорциональны сложности работы.чтобы оборудование было более точным и эффективным и позволило легче и удобнее вводить в эксплуатацию.
6У вас есть какие-нибудь справки?
Да, у нас есть сертификаты ISO9001 / CCC / CE для вас.