Больше ботинка сползая проводника лифта кабины подъема лифта видов для частей подъема лифта
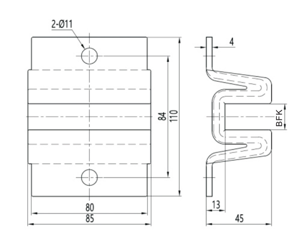
| Тип | SN-SGS-HDX08 |
| Проектная скорость | ≤2.5m/s |
| Ширина ведущих брусьев | 10mm/16mm |
![]() |
|
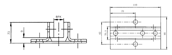
| Тип | SN-SGS-HDX16 |
| Проектная скорость | ≤2.5m/s |
| Ширина ведущих брусьев | 10mm/16mm |
![]() |
|
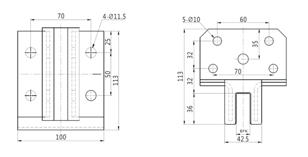
| Тип | SN-SGS-KDX01 |
| Проектная скорость | ≤2.0m/s |
| Ширина ведущих брусьев | 10mm/16mm |
![]() |
|
| Тип | SN-SGS-KDX03 |
| Проектная скорость | ≤2.0m/s |
| Ширина ведущих брусьев | 10mm/16mm |
![]() |
|


вопросы и ответы
1. Веревочки провода лифта прочны?
Веревочка провода лифта имеет специальные положения и требования. Конфигурация не только для веревочки и номинальной нагрузки провода, но также рассматривала размер тракции, в результате, прочность на растяжение веревочки провода больше чем вес подъема. Фактор безопасности оборудован с больше чем четырехпроводной веревочкой. Так он не сломает в то же время.
2. Опасно для отказа источника питания внезапно во время хода лифта?
Если оно происходит, то лифт автоматически остановит должное к электрическому и механическому предохранительному устройству. В случае отказа источника питания, тормозы лифта будут автоматически принятый. К тому же, отделы электропитания как запланированное повреждение, прежнее извещение также работают.
3. Завещайте нас быть ушибленным когда оно закрыло внезапно?
В заключительном процессе, если люди касаются двери залы, то дверь лифта автоматически повторит старт без любой опасности. С анти- зажимая переключателем, как только ворота касались, это действие переключения делает лифт неспособной быть закрытым и даже открытым заново. К тому же, замыкающее усилие также доступно здесь.
4. Как бег лифта?
Лифты управляются с веревочкой провода противовесу через передачу с желобчатым ведущим шкивом (трактора), делать поднимает и опускает на ведущий брус.
5. Установка эскалатора осложнена?
Мы считаем, что функции эскалатора обязательно не пропорциональны к сложности деятельности. Поэтому, эскалаторы конструированные нами прикладывают интегрированную структуру, так, что оборудование будет более точно и более эффективно и позволяет более легкий и более удобный поручать.
6. Вы имеете cerifications?
Да, мы делаем с сертификатами ISO9001/CCC/CE для u.