Механизм управления дверями отверстия VVVF центра лифта для регулятора двери лифта
Разбивочный механизм управления дверями отверстия VVVF
Используя технологию управлением WWVF, регулятор двери Panasonic использован для типа 06,
Регулятор двери NSFC01-01A использован для типа A06
Используя одноуровневую скорость-вниз, одновременный ход передачи пояса, стабилизированных и надежных
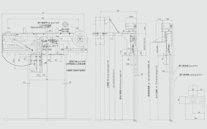
Используя asyn. муфта двери, рамка автомобиля, верхняя установка, опционный замок автомобильной двери
Полный вес панели двери: ≤200kg; Напряжение тока: 200 до 250 v, 50 /60 Hz
| JJ | 650 | 700 | 750 | 800 | 850 | 900 | 950 | 1000 | 1050 | 1100 | 1200 |
| A1 | 1360 | 1460 | 1560 | 1660 | 1760 | 1860 | 1960 | 2060 | 2160 | 2260 | 2460 |
| B1 | 200 | 225 | 250 | 275 | 300 | 325 | 350 | 375 | 400 | 425 | 475 |
Общие размеры




вопросы и ответы
1. Веревочки провода лифта прочны?
Веревочка провода лифта имеет специальные положения и требования. Конфигурация не только для веревочки и номинальной нагрузки провода, но также рассматривала размер тракции, в результате, прочность на растяжение веревочки провода больше чем вес подъема. Фактор безопасности оборудован с больше чем четырехпроводной веревочкой. Так он не сломает в то же время.
2. Опасно для отказа источника питания внезапно во время хода лифта?
Если оно происходит, то лифт автоматически остановит должное к электрическому и механическому предохранительному устройству. В случае отказа источника питания, тормозы лифта будут автоматически принятый. К тому же, отделы электропитания как запланированное повреждение, прежнее извещение также работают.
3. Завещайте нас быть ушибленным когда оно закрыло внезапно?
В заключительном процессе, если люди касаются двери залы, то дверь лифта автоматически повторит старт без любой опасности. С анти- зажимая переключателем, как только ворота касались, это действие переключения делает лифт неспособной быть закрытым и даже открытым заново. К тому же, замыкающее усилие также доступно здесь.
4. Как бег лифта?
Лифты управляются с веревочкой провода противовесу через передачу с желобчатым ведущим шкивом (трактора), делать поднимает и опускает на ведущий брус.
5. Установка эскалатора осложнена?
Мы считаем, что функции эскалатора обязательно не пропорциональны к сложности деятельности. Поэтому, эскалаторы конструированные нами прикладывают интегрированную структуру, так, что оборудование будет более точно и более эффективно и позволяет более легкий и более удобный поручать.
6. Вы имеете cerifications?
Да, мы делаем с сертификатами ISO9001/CCC/CE для u.