Двигатель для оператора двери Стабильная работа при низкой скорости и высокой эффективности
Двигатель для оператора дверей
1Внешняя структура ротора двигателя имеет высокую плотность крутящего момента.
2Мотор имеет замкнутую структуру и уровень защиты достигает IP65.
3Оптимизация электромагнитной конструкции, чтобы двигатель имел меньший крутящий момент, стабильную работу при низких скоростях и высокую эффективность.
4Использование высокопроизводительного материала постоянного магнита, проектная способность к перегрузке (≥ 250%)
5Военные электронные компоненты были использованы в кодере для повышения устойчивости к ударам.
6Свинцовая проволока использует кремниевую резину с высокой температурой, которая обладает хорошей высокотемпературной стойкостью и способностью к противодействию помехам.
7Уровень изоляции класса F, чтобы двигатель продержался дольше.
8. компактная конструкция может еще больше уменьшить общий размер оператора двери.
Двигатель для оператора дверей
| Модель | PM5182059 | |||||
|---|---|---|---|---|---|---|
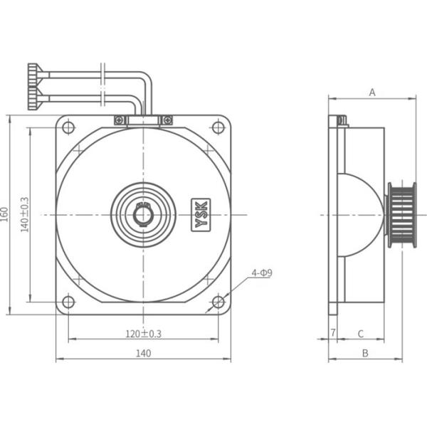
Размеры ((мм) | 140х160х77 | Номинальное напряжение ((V) | 220 | Номинальный ток ((A) | 1.5 | |
Номинальная мощность ((W) | 260 | Номинальный крутящий момент ((N·m) | 5.0 | Номинальная скорость ((rpm) | 500 | |
Номинальная частота ((Hz) | 83.3 | Поляки | 20 | Тип работы | 40% ((S3 на 6s от 9s) | |
Классификация | IP65 | Уровень изоляции | F | Классификация кодера | A/B/C/D/E | |
Колесный механизм | Контур зуба | 5M | ||||
Количество зубов | 28/19/16 | |||||
Ширина шкива ((мм) | 17/13 | |||||
| А. | 77 | |||||
| В. | 66 | |||||
| В | 44 | |||||
| Примечание: | 1Размер установки: 140x120 мм | |||||
Рисунок внешнего вида
1Внешняя структура ротора двигателя имеет высокую плотность крутящего момента.
2Мотор имеет замкнутую структуру и уровень защиты достигает IP65.
3Оптимизация электромагнитной конструкции, чтобы двигатель имел меньший крутящий момент, стабильную работу при низких скоростях и высокую эффективность. .
4Использование высокопроизводительного материала с постоянным магнитом, проектная способность к перегрузке (≥ 2509%)
5Военные электронные компоненты были использованы в кодере для повышения устойчивости к ударам.
6Свинцовая проволока использует кремниевую резину с высокой температурой, которая обладает хорошей высокотемпературной стойкостью и способностью к противодействию помехам.
7Уровень изоляции класса F, чтобы двигатель продержался дольше.
8. компактная конструкция может еще больше уменьшить общий размер оператора двери.
Параметр
| Модель | PM6182047 | |||||
|---|---|---|---|---|---|---|
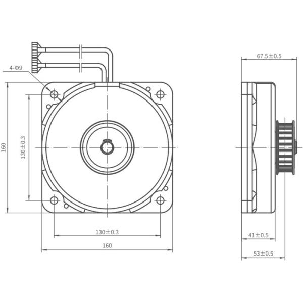
Размеры ((мм) | 160х160х67.5 | Номинальное напряжение ((V) | 200 | Номинальный ток ((A) | 1.0 | |
Номинальная мощность ((W) | 90 | Номинальный крутящий момент ((N·m) | 3.5 | Номинальная скорость ((rpm) | 240 | |
Номинальная частота ((Hz) | 40 | Поляки | 20 | Тип работы | 40% ((S3 на 6s от 9s) | |
Классификация | IP65 | Уровень изоляции | F | Классификация кодера | A/B/C/D/E | |
Колесный механизм | Контур зуба | 5M | ||||
Количество зубов | 28/19/16 | |||||
Ширина шкива ((мм) | 17/13 | |||||
| Примечание: | 1Размер установки: 130x130 мм | |||||



Частые вопросы
1- Лифтовые провода прочны?
Конфигурация не только для проволоки и номинальной нагрузки, но и учитывает размер тяги, в результате,прочность проволоки больше веса подъемникаУстройство безопасности оснащено более чем четырьмя проволоками, поэтому оно не сломается одновременно.
2. Опасно ли внезапное отключение электроэнергии во время работы лифта?
Если это произойдет, лифт автоматически остановится из-за электрического и механического устройства безопасности.отделы электроснабжения, такие как запланированное отключение, предварительное уведомление также работают.
3Мы не пострадаем, когда он внезапно закроется?
В процессе закрытия, если люди прикоснутся к двери коридора, дверь лифта автоматически перезапустится без опасности.Это переключающее действие делает лифт невозможно закрыть и даже снова открытьКроме того, сила закрытия также доступна здесь.
4Как работает лифт?
Подъемники работают с помощью проволочной веревки с противовесом через тяговый привод (трактор), делая подъемы и падения на проволоке.
5Установка эскалатора сложная?
Мы считаем, что функции эскалатора не обязательно пропорциональны сложности работы.чтобы оборудование было более точным и эффективным и позволяло более просто и удобное ввод в эксплуатацию.
6У вас есть какие-нибудь справки?
Да, у нас есть сертификаты ISO9001 / CCC / CE для вас.