EMI инвертора 250V 440V фильтрует низкопроходное оборудование оборудования фильтра EMC шума
Описание:
1, расклассифицированные течения от 6A к 2000A
2, высокое проведение амортизации до 30 MHz
3, оценка 440VAC напряжения тока для всемирного принятия
4, 520v, 690VAC ca опционное для OEM
Спецификация:
| Деталь | Фильтр EMI инвертора |
| Модель | Фильтр EMI инвертора - серия VIP6 |
| Оригинал страны | Китай |
| Тип пакета | Поверхностный держатель |
| Номинальная работая частота | 150K-30MHZ |
| Вносимая потеря | 60~90dB |
| Входное комплексное сопротивление | 50Ω |
| Расклассифицированное напряжение тока | 380V/440V |
| Настоящий | 100A |
| MOQ | 1 PCS |
| Температура | 25 / 085/21 |
| Равочая частота | 50/60HZ |
| Линия - - линия | 2250VDC |
| Линия, который нужно смолоть | 2700VDC |
| 110VAC/60HZ 1.4mA | |
| MOQ | 5pcs |
| Порт | Шэньчжэнь |
| Время водя | будний день 3~15 для низкопроходного фильтра EMI |
Приводит:

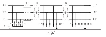
Электрическая схема:

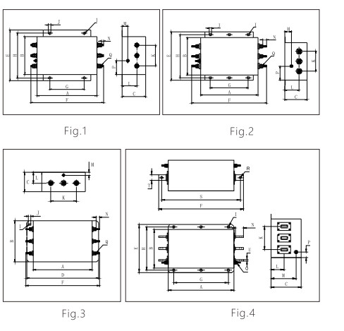
Механический размер (блок: mm)

Применения:
1. Системы главного компьютера
2. Мотор сервопривода
3. UPS/SMPS
4. Промышленная радиотехническая аппаратура путем использование принципа преобразования частоты
Наши преимущества
(1) сеть продаж
Продукты экспортированы к Европе, Соединенным Штатам, Южной Корее, Юго-Восточной Азии и другим странам и регионам.
(2) оборудование оборудования
Компания имеет полностью автоматические магнитные материальные аппаратуру обнаружения и производственные линии, и имеет противоинтерференционное основание продукции магнитного ядра.
(3) интегрировало техническое обслуживание
Наша компания компания электромагнитной совместимости интегрируя НИОКР, продукцию и продажи противоинтерференционных обслуживаний электронных блоков (EMC) и испытания EMC.
(4) превосходная корпоративная культура
Компания организует и снабжает управление качеством в строгом соответствии со стандартами, следовать 8 принципами, и непрерывно улучшает работу, со всеми работниками как первая задача соотвествовать требованиям клиента