| Предмет | Фильтр электромагнитных помех линии электропередач |
| Модель | ВИП4-1А-03 |
| порт | Шэньчжэнь |
| Тип упаковки | Поверхностное крепление |
| Частотный диапазон | 150К-30МГц |
| Минимальный заказ | 5 шт. |
| Входное сопротивление | 50 Ом |
| Номинальное напряжение | 110В/250В |
| Номинальный ток | 3А |
| Линия на землю | 2000 В переменного тока |
Однофазные сетевые фильтры переменного тока общего назначения, просты в установке, доступны для
--Электрическое и электронное оборудование
-- Медицинское оборудование
-- Автоматизация зданий
--Индустриальная автоматизация
-- Офисная автоматизация и оборудование для передачи данных
Характеристики:
| Деталь № | Номинальный ток [А] | 250 В переменного тока/50 Гц при 20°C Ток утечки [мА] |
Физические размеры | Электрические схемы | Терминалы | Вес [г] | ||
| винт | клеммная колодка | провода | ||||||
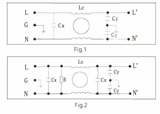
| ВИП4-1А-01 | 1А | <0,5 мА | Рисунок 1 | Рисунок 1 | - - - | - - - | 0 | 65 |
| ВИП4-1А-03 | 3А | <0,5 мА | Рисунок 1 | Рисунок 1 | - - - | - - - | 0 | 65 |
| ВИП4-1А-06 | 6А | <0,5 мА | Рисунок 1 | Рисунок 1 | - - - | - - - | 0 | 65 |
| ВИП4-1А-10 | 10А | <0,5 мА | Рис 2 | Рисунок 1 | - - - | 0 | - - - | 75 |
| ВИП4-1Б-06 | 6А | <1,0 мА | Рис. 3/Рис. 4 | Рис 2 | М4 | 0 | - - - | 140 |
| ВИП4-1Б-10 | 10А | <1,0 мА | Рис. 3/Рис. 4 | Рис 2 | М4 | 0 | - - - | 170 |
| ВИП4-1Б-20 | 20А | <1,0 мА | Рис. 3/Рис. 4 | Рис 2 | М4 | 0 | - - - | 170 |
| ВИП4-1Б-30 | 30А | <1,0 мА | Рис 5 | Рис 2 | М6 | - - - | - - - | 320 |
| ВИП4-1Б-50 | 50А | <2,0 мА | Рис 5 | Рис 2 | М6 | - - - | - - - | 600 |
| ВИП4-1Б-100 | 100А | <2,0 мА | Рис 5 | Рис 2 | М8 | - - - | - - - | 1380 |
| ВИП4-1Б-150 | 150А | <2,0 мА | Рис 5 | Рис 2 | М10 | - - - | - - - | 1900 г. |
| ВИП4-1Б-200 | 200А | <2,0 мА | Рис 5 | Рис 2 | М10 | - - - | - - - | 1900 г. |
Электрическая схема:

Механический размер (единица измерения: мм)
Образец
Плата за образец: переговоры
Время выборки: 2~5 дней
Оплата
--- Условия оплаты: Western Union, T/T
--- Пожалуйста, не забудьте оставить правильную контактную информацию для доставки.