50A линия фильтр фильтра EMI 3 участков трехфазная для системы управления силы
Описание:
1, расклассифицированные течения от 0,5 к 2000A
2, высокое проведение амортизации до 30 MHz
3, оценка 440VAC напряжения тока для всемирного принятия
4, утверждения: CE, ROHS
5, 520V AC, AC 690V могут быть опционным
Спецификация:
| Деталь | Фильтр EMI 3 участков |
| Модель | Фильтр EMI 3 участков - серия VIP3 |
| Оригинал страны | Китай |
| Тип пакета | Поверхностный держатель |
| Номинальная работая частота | 150K-30MHZ |
| Вносимая потеря | 60~90dB |
| Входное комплексное сопротивление | 50Ω |
| Расклассифицированное напряжение тока | 380V/440V |
| Настоящий | 50A |
| Работая температура | 40°C |
| Климатическая категория | 25 / 085/21 |
| Равочая частота | 50/60HZ |
| Линия - - линия | 2250VDC |
| Линия, который нужно смолоть | 2700VDC |
| 110VAC/60HZ 1.4mA | |
| MOQ | 5pcs |
| Порт | Шэньчжэнь |
| Время водя | 3~15 дней для низкопроходного фильтра EMI |
Спецификации:


Особенности:
Типичные применения:
Электрическая схема:
Приводит:
| Номер детали. | Расклассифицированное настоящее [a] | 250VAC/50Hz@20C Утечка настоящая [мамы] |
Физические измерения | Электрические схемы | Termial | Вес [g] |
| VIP3-32B-10 | 10A | <4 OmA=""> | Смоква 2 | Fig1 | M4 | 1400 |
| VIP3-32B-20 | 20A | <4 OmA=""> | Смоква 2 | Fig1 | M4 | 1400 |
| VIP3-32B-50 | 50A | <60ma> | Смоква 2 | Смоква 1 | M6 | 1600 |
| VIP3-32B-100 | 100A | <60ma> | Смоква 2 | Fig1 | MS | 3700 |
| VIP3-32B-150 | 150A | <60ma> | Смоква 2 | Fig1 | M10 | 7000 |
| VIP3-32B-200 | 200A | <60ma> | Смоква 2 | Fig1 | M10 | 7000 |
| VIP3-32C-06 | 6A | <4 OmA=""> | Смоква 2 | Смоква 2 | M4 | 650 |
| VIP3-32C-10 | 10A | <4 OmA=""> | Fig1 | Смоква 2 | M4 | 650 |
| VIP3-32C-20 | 20A | <10 OmA=""> | Fig1 | Смоква 2 | M4 | 1400 |
| VIP3-32C-50 | 50A | <15 OmA=""> | Смоква 2 | Смоква 2 | M6 | 3200 |
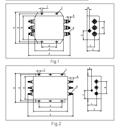
Механический размер (mm):

| B | C | E | F | G | H | J | K | L | M | N | p | Q | ||||
| VIP3-32B | 10A | 120 | 100 | 50 | 130 | 153 | 60 | 115 | Φ4 0 | 6 | 50 | 28 | 10 | 39 | 25 | M4 |
| 20A | 120 | 100 | 50 | 130 | 151 | 60 | 115 | Φ4 0 | 6 | 50 | 28 | 10 | 3 | 25 | M4 | |
| SOA | 150 | 105 | 60 | 135 | 190 | 90 | 120 | Φ4 0 | 6 | 50 | 35 | 15 | 31 | 52 5 | M6 | |
| 100A | 200 | 127 | 80 | 170 | 269 | 116 | 150 | Φ60 | 9 | 70 | 50 | 20 | 9 | 46 | MB | |
| 150A | 260 | 170 | 100 | 220 | 324 | 172 | 196 | Φ80 | 12 | 90 | 65 | 30 | 46 | 63 | M10 | |
| 200A | 260 | 170 | 100 | 220 | 323 | 172 | 196 | Φ80 | 12 | 90 | 65 | 30 | 42 | 63 | M10 | |
| VIP3-32C | 6A | 96 | 80 | 42 | 105 | 131 | 50 | 95 | Φ4 0 | 6 | 42 | 26 | 9 | 32 | 29 5 | M4 |
| 10A | 96 | 80 | 42 | 105 | 130 | 50 | 95 | Φ4 0 | 6 | 42 | 26 | 9 | 42 | 29 5 | M4 | |
| 20A | 120 | 100 | 50 | 130 | 151 | 60 | 115 | Φ4 0 | 6 | 50 | 28 | 10 | 3 | 25 | M4 | |
| SOA | 200 | 127 | 80 | 170 | 240 | 116 | 150 | Φ60 | 9 | 70 | 50 | 20 | 31 | 46 | M6 | |
| Допуски | ±1 | ±1 | 土 1 | ±1 | ±1 | 土 0 5 | 土 0 5 | 土 0 5 | 土 0 5 | 土 0 5 | 土 0 5 | 土 0 5 | 土 0 5 | 土 0 5 | ||