1A-200A, 250/440 В перем. тока, винтовое соединение, 3-фазный фильтр помех от линии электропередачи с фильтром ЭМС нижних частот
3-фазный электромагнитный фильтрОписание:
подходит для трехфазного трехлинейного источника питания
компактная структура, простая и быстрая установка, особенно подходит для приложений с ограниченным пространством, очень экономичная
Спецификация
| Предмет | 3-фазный электромагнитный фильтр |
| Модель | ВИП3-32С-20 |
| Функция передачи | НЧ |
| Тип упаковки | Поверхностное крепление |
| Номинальная центральная частота | 150К-30МГц |
| Вносимая потеря | 60 ~ 90 дБ |
| Входное сопротивление | 50 Ом |
| Номинальное напряжение | 110В/250В |
| Номинальный ток | 20А |
| Температура окружающей среды | 40°С |
| Диапазон температур | 25/085/21 |
| Рабочая частота | 50/60 Гц |
| Линия к строке | 2250 В постоянного тока |
| Линия на землю | 2700 В постоянного тока |
| Максимальный ток утечки | 250 В переменного тока/60 Гц 0,8 мА Макс. |
| Минимальный заказ | 1 шт |
| Приложения | Лазерное оборудование |
| ведущее время | 5~15 рабочих дней |
Описание трехфазного электромагнитного фильтра:
Номинальный ток: 0,5-2000А
Дополнительные медицинские версии (тип H)
Наконечник для пайки, шпилька или клеммная колодка (более 250 А, это медный стержень)
Индивидуальные специальные версии по запросу
Подходит для трехфазного трехлинейного питания
Серия VIP3-32C представляет собой двухкаскадные фильтры, содержащие один общий режим и один дифференциальный режим с усиленным эффектом фильтрации дифференциальных помех.
Отличный эффект фильтрации общего и дифференциального режима для помех от 10 кГц до 30 МГц
Версии высокого напряжения 520 В переменного тока или 690 В переменного тока опционально
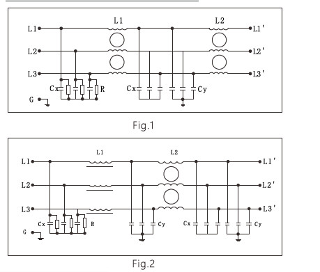
Электрическая схема:

Таблицы:
| Деталь № | Номинальный ток [А] | 250 В переменного тока/50 Гц при 20°C Ток утечки [мА] |
Физические размеры | Электрические схемы | Термиал | Вес [г] |
| ВИП3-32Б-10 | 10А | <4 ОмА | Рис 2 | Рисунок 1 | М4 | 1400 |
| ВИП3-32Б-20 | 20А | <4 ОмА | Рис 2 | Рисунок 1 | М4 | 1400 |
| ВИП3-32Б-50 | 50А | <60 мА | Рис 2 | Рисунок 1 | М6 | 1600 |
| ВИП3-32Б-100 | 100А | <60 мА | Рис 2 | Рисунок 1 | РС | 3700 |
| ВИП3-32Б-150 | 150А | <60 мА | Рис 2 | Рисунок 1 | М10 | 7000 |
| ВИП3-32Б-200 | 200А | <60 мА | Рис 2 | Рисунок 1 | М10 | 7000 |
| ВИП3-32С-06 | 6А | <4 ОмА | Рис 2 | Рис 2 | М4 | 650 |
| ВИП3-32С-10 | 10А | <4 ОмА | Рисунок 1 | Рис 2 | М4 | 650 |
| ВИП3-32С-20 | 20А | <10 ОмА | Рисунок 1 | Рис 2 | М4 | 1400 |
| ВИП3-32С-50 | 50А | <15 ОмА | Рис 2 | Рис 2 | М6 | 3200 |
| А | Б | С | Е | Ф | г | ЧАС | Дж | К | л | М | Н | п | Вопрос | |||
| ВИП3-32Б | 10А | 120 | 100 | 50 | 130 | 153 | 60 | 115 | Ф4 0 | 6 | 50 | 28 | 10 | 39 | 25 | М4 |
| 20А | 120 | 100 | 50 | 130 | 151 | 60 | 115 | Ф4 0 | 6 | 50 | 28 | 10 | 3 | 25 | М4 | |
| СОА | 150 | 105 | 60 | 135 | 190 | 90 | 120 | Ф4 0 | 6 | 50 | 35 | 15 | 31 | 52 5 | М6 | |
| 100А | 200 | 127 | 80 | 170 | 269 | 116 | 150 | Φ60 | 9 | 70 | 50 | 20 | 9 | 46 | МБ | |
| 150А | 260 | 170 | 100 | 220 | 324 | 172 | 196 | Φ80 | 12 | 90 | 65 | 30 | 46 | 63 | М10 | |
| 200А | 260 | 170 | 100 | 220 | 323 | 172 | 196 | Φ80 | 12 | 90 | 65 | 30 | 42 | 63 | М10 | |
| VIP3-32C | 6А | 96 | 80 | 42 | 105 | 131 | 50 | 95 | Ф4 0 | 6 | 42 | 26 | 9 | 32 | 29 5 | М4 |
| 10А | 96 | 80 | 42 | 105 | 130 | 50 | 95 | Ф4 0 | 6 | 42 | 26 | 9 | 42 | 29 5 | М4 | |
| 20А | 120 | 100 | 50 | 130 | 151 | 60 | 115 | Ф4 0 | 6 | 50 | 28 | 10 | 3 | 25 | М4 | |
| СОА | 200 | 127 | 80 | 170 | 240 | 116 | 150 | Φ60 | 9 | 70 | 50 | 20 | 31 | 46 | М6 | |
| Допуски | ±1 | ±1 | 土1 | ±1 | ±1 | 土0 5 | 土0 5 | 土0 5 | 土0 5 | 土0 5 | 土0 5 | 土0 5 | 土0 5 | 土0 5 | ||
Функции:
Типичные области применения: