Высококачественный двухступенный фильтр линии электропередач выхода провода фильтра EMI одиночной фазы
| Номер детали. | Случай | Расклассифицированные течения (a) | Соединения выхода |
| YB22D1-6A | D1 | 6 | Быстро-на терминале |
| YB22D1-10A | D1 | 10 | |
| YB22D1-15A | D1 | 15 | Провод |
| YB22D1-20A | D1 | 20 | |
| YB22D1-30A | D1 | 30 | Винт M4 |
| YB22D1-40A | D1 | 40 |
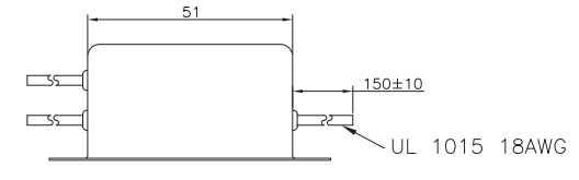
*Q: Быстро-на 6.35x0.8mm
s: Волочение w
винта: UL1015 18awg
Называя правило:
| YB | 22 | D1 | - | 6A | - | W |
| ∣ | ∣ | ∣ | ∣ | ∣ | ||
| Наш бренд | Цепь | Размер | Настоящий | Соединение выхода | ||
| цепь 22:22 | D1 | 6A: 6 amp | Q: быстро-на плате 250 | |||
| 10A: 10 amp | W: провод | |||||
| 20A: 20 amp | S: Винт M4 |
Особенности фильтра одиночной фазы:
-- Расклассифицированное течение можно предложить от 1 до 50 AMPS.
-- Различные выборы выхода как провод терминала винта M4 и терминальный блок.
-- YB22 конструировали двухступенный фильтровать, с хорошей амортизацией дифференциала и единого режима.
-- Разнообразие части и комбинации для встречи тестов EMC различного клиента.
Применение фильтра EMI:
1. Электрический и радиотехническая аппаратура
2. Медицинское оборудование
3. Оборудование Datacom
4. Оборудование автоматизации работы офиса
Технические данные:
| Деталь | Фильтр одиночной фазы | Расклассифицированное течение | 1~10A |
| Модель | YB22D1-6A-W | Экологическая температура | 40°C |
| Передающая функция | Низкопроходный | Диапазон температур | 25 / 085/21 |
| Тип пакета | Поверхностный держатель | Равочая частота | 50/60HZ |
| Номинальная разбивочная частота | 150K-30MHZ | Линия - - линия | 1450VDC |
| Вносимая потеря | 60~90dB | Линия, который нужно смолоть | 2250VDC |
| Входное комплексное сопротивление | 50Ω | Максимальное течение утечки | 250VAC/60HZ 0.8mA Макс |
| Расклассифицированное напряжение тока | 115V/250V | MOQ | 100pcs |
Изображение фильтра EMI YB22D1-6A-W:

Приводит:
| Модель нет. | Расклассифицированное течение @40°C |
Терминал Options* |
Утечка настоящее 250V/50Hz | Электрическая схема |
Расклассифицированное напряжение тока (v) | Равочая частота (Hz) | ||||||||||||||||||||||||||||||
| YB22E4-1A | 1A~4A | Q | S | W |
<0> |
Fig.1 |
115/250V |
50/60Hz |
||||||||||||||||||||||||||||
| YB22E4-6A | 6A | Q | S | W | Fig.1 | |||||||||||||||||||||||||||||||
| YB22E4-8A | 8A | Q | S | W | Fig.1 | |||||||||||||||||||||||||||||||
| YB22E4-10A | 10A | Q | S | W | Fig.1 | |||||||||||||||||||||||||||||||
| YB22E4-15A | 15A | Q | S | - | Fig.1 | |||||||||||||||||||||||||||||||
| YB22D1-1A | 1A~4A | Q | - | W | Fig.1 | |||||||||||||||||||||||||||||||
| YB22D1-6A | 6A | Q | - | W | Fig.1 | |||||||||||||||||||||||||||||||
| YB22D2-6A | 6A | Q | S | W | Fig.1 | |||||||||||||||||||||||||||||||
| YB22D2-8A | 8A | Q | S | W | Fig.1 | |||||||||||||||||||||||||||||||
| YB22D2-10A | 10A | Q | S | W | Fig.1 | |||||||||||||||||||||||||||||||
| YB22D2-15A | 15A | Q | S | - | Fig.1 | |||||||||||||||||||||||||||||||
| YB22D3-8A | 8A | Q | S | W | Fig.1 | |||||||||||||||||||||||||||||||
| YB22D3-10A | 10A | Q | S | W | Fig.1 | |||||||||||||||||||||||||||||||
| YB22D3-15A | 15A | Q | S | - | Fig.1 | |||||||||||||||||||||||||||||||
| YB22D4-10A | 10A | Q | S | W | Fig.1 | |||||||||||||||||||||||||||||||
| YB22D4-15A | 15A | Q | S | - | Fig.1 | |||||||||||||||||||||||||||||||
| YB22D4-20A | 20A | Q | S | - | Fig.1 | |||||||||||||||||||||||||||||||
| YB22D5-15A | 15A | Q | S | - | Fig.1 | |||||||||||||||||||||||||||||||
| YB22D5-20A | 20A | Q | S | - | Fig.1 | |||||||||||||||||||||||||||||||
| YB22D5-30A | 30A | - | S | - | Fig.1 | |||||||||||||||||||||||||||||||
| YB22D6-20A | 20A | - | S | - | Fig.1 | |||||||||||||||||||||||||||||||
| YB22D6-30A | 30A | - | S | - | Fig.1 | |||||||||||||||||||||||||||||||
| YB22F1-20A | 20A | - | S | - | Fig.1 | |||||||||||||||||||||||||||||||
| YB22F1-30A | 30A | - | S | - | Fig.1 | |||||||||||||||||||||||||||||||
| YB22F2-30A | 30A | - | S | - | Fig.1 | |||||||||||||||||||||||||||||||
| YB22F2-40A | 40A | - | S | - | Fig.1 | |||||||||||||||||||||||||||||||
| YB22F2-50A | 50A | - | S | - | Fig.1 | |||||||||||||||||||||||||||||||
| YB22F3-50A | 50A | - | S | - | Fig.1 | |||||||||||||||||||||||||||||||
Медицинский тип приводит:
| Модель нет. | Расклассифицированное течение @40°C |
Терминальные варианты |
Медицинское оборудование |
Утечка настоящее 250V/50Hz | Электрическая схема | Расклассифицированное напряжение тока (v) | Равочая частота (Hz) | ||||||||||||||||||||||||||||||||
| YB22E4-1A-x (5) | 1A~4A | Q | S | W | 5 |
<5> |
Fig.2 |
115/250V |
50/60Hz |
||||||||||||||||||||||||||||||
| YB22E4-6A-x (5) | 6A | Q | S | W | 5 | Fig.2 | |||||||||||||||||||||||||||||||||
| YB22E4-8A-x (5) | 8A | Q | S | W | 5 | Fig.2 | |||||||||||||||||||||||||||||||||
| YB22E4-10A-x (5) | 10A | Q | S | W | 5 | Fig.2 | |||||||||||||||||||||||||||||||||
| YB22E4-15A-x (5) | 15A | Q | S | W | 5 | Fig.2 | |||||||||||||||||||||||||||||||||
| YB22D1-1A-x (5) | 1A~4A | Q | - | W | 5 | Fig.2 | |||||||||||||||||||||||||||||||||
| YB22D1-6A-x (5) | 6A | Q | - | W | 5 | Fig.2 | |||||||||||||||||||||||||||||||||
| YB22D2-6A-x (5) | 6A | Q | S | W | 5 | Fig.2 | |||||||||||||||||||||||||||||||||
| YB22D2-8A-x (5) | 8A | Q | S | W | 5 | Fig.2 | |||||||||||||||||||||||||||||||||
| YB22D2-10A-x (5) | 10A | Q | S | W | 5 | Fig.2 | |||||||||||||||||||||||||||||||||
| YB22D2-15A-x (5) | 15A | Q | S | - | 5 | Fig.2 | |||||||||||||||||||||||||||||||||
| YB22D3-8A-x (5) | 8A | Q | S | W | 5 | Fig.2 | |||||||||||||||||||||||||||||||||
| YB22D3-10A-x (5) | 10A | Q | S | W | 5 | Fig.2 | |||||||||||||||||||||||||||||||||
| YB22D3-15A-x (5) | 15A | Q | S | - | 5 | Fig.2 | |||||||||||||||||||||||||||||||||
| YB22D4-10A-x (5) | 10A | Q | S | W | 5 | Fig.2 | |||||||||||||||||||||||||||||||||
| YB22D4-15A-x (5) | 15A | Q | S | - | 5 | Fig.2 | |||||||||||||||||||||||||||||||||
| YB22D4-20A-x (5) | 20A | Q | S | - | 5 | Fig.2 | |||||||||||||||||||||||||||||||||
| YB22D5-15A-x (5) | 15A | Q | S | - | 5 | Fig.2 | |||||||||||||||||||||||||||||||||
| YB22D5-20A-x (5) | 20A | Q | S | - | 5 | Fig.2 | |||||||||||||||||||||||||||||||||
| YB22D5-30A-x (5) | 30A | - | S | - | 5 | Fig.2 | |||||||||||||||||||||||||||||||||
| YB22D6-20A-x (5) | 20A | Q | S | - | 5 | Fig.2 | |||||||||||||||||||||||||||||||||
| YB22F1-20A-x (5) | 20A | Q | S | - | 5 | Fig.2 | |||||||||||||||||||||||||||||||||
| YB22F1-30A-x (5) | 30A | - | S | - | 5 | Fig.2 | |||||||||||||||||||||||||||||||||
| YB22F2-30A-x (5) | 30A | - | S | - | 5 | Fig.2 | |||||||||||||||||||||||||||||||||
| YB22F2-40A-x (5) | 40A | - | S | - | 5 | Fig.2 | |||||||||||||||||||||||||||||||||
| YB22F2-50A-x (5) | 50A | - | S | - | 5 | Fig.2 | |||||||||||||||||||||||||||||||||
| YB22F3-50A-x (5) | 50A | - | S | - | 5 | Fig.2 | |||||||||||||||||||||||||||||||||
Электрическая схема YB22D1:
Механический размер (блок: mm)



Наши сертификаты:
