Батарейное устройство для балансировки энергопередачи 13s-17s 5A Капацитивный активный эквалайзер Lfp Литий-ион Lto BMS
Применение
1) батарея питания: электромобиль/автобус/скутер/грузовик/коляска для гольфа/лодка и т.д.
2) накопительная батарея: накопительная электростанция,энергия ветра,энергия солнца и т.д.
3) Мощность связи: базовые станции связи, подстанции и т.д.
Способ установки и использования
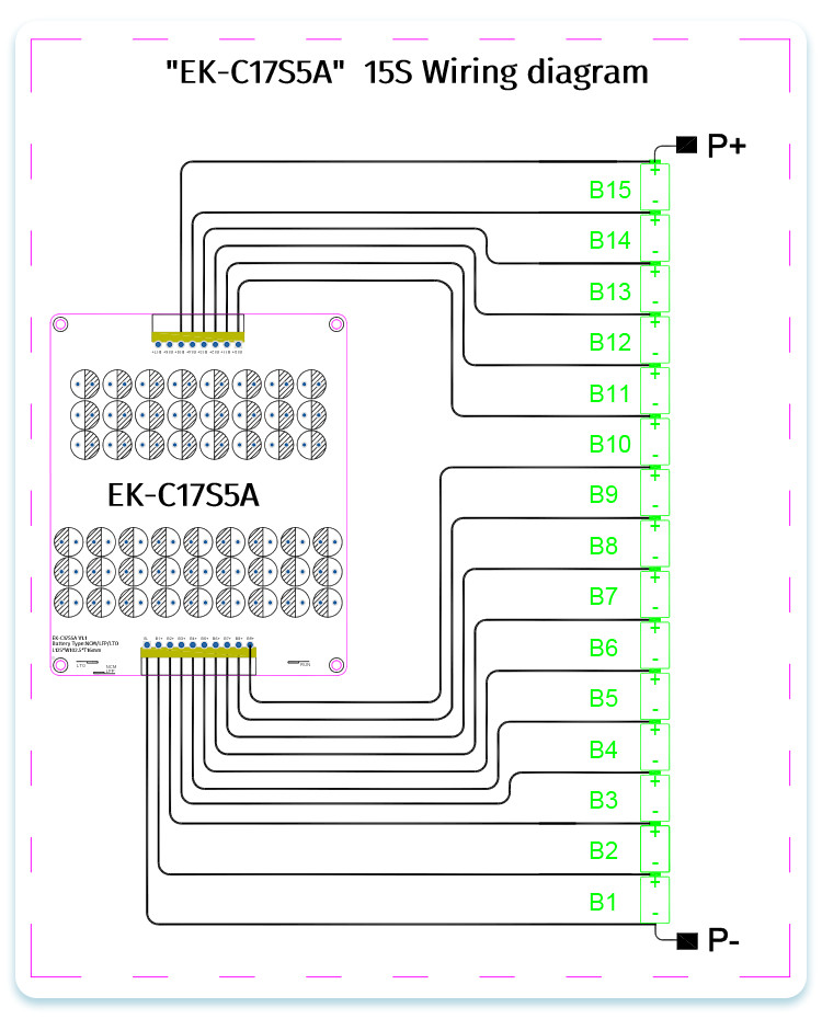
1) Установите один балансирующий модуль рядом с каждой ячейкой, каждая ячейка соответствует балансирующему модулю.
2) Подключите первый балансирующий модуль к соответствующей ячейке, обратите внимание, что положительная и отрицательная линии не могут быть перевернуты.
3) Соедините второй балансирующий модуль с первым балансирующим модулем двумя балансирующими линиями.
4) Подключите второй балансирующий модуль к соответствующей ячейке, внимание к положительной линии и отрицательной линии не может быть перевернута.
5) Соедините третий балансировочный модуль с вторым балансировочным модулем двумя балансировочными линиями.
6) Подключите третий балансирующий модуль к соответствующей ячейке, внимание к положительной линии и отрицательной линии не может быть перевернута.
И так далее, один за другим, заканчивайте все соединения проводов.






|
EnerKey BMS Активный балансировщик 5A 3S 4S 5S 6S 7S 8S 14S 16S 18S 19S 20S 21S LFP LTO LI-ION lifepo4 Балансировщик Балансировщик конденсатор
|
|||
| Модель продукта | EK-C16S5A | EK-C17S5A | EK-C21S5A |
|
Серия продуктов
|
16S
|
17S
|
21S
|
|
Подходящие струны
|
12-16S
|
13-17S
|
17-21S
|
|
ПродуктРазмер ((мм)
|
L125*W91*T16
|
L115*W102.5*T16
|
L145*W130*T18
|
|
Вес с коробкой
|
0.32 кг
|
0.33 кг
|
0.39 кг
|
|
Тип батареи
|
NCM/LFP/LTO
|
NCM/LFP/LTO
|
NCM/LFP/LTO |
|
Соответствующая мощность
|
30ах-300ах
|
||
| Точность выравнивания напряжения | 5mV (типичное значение) | ||
|
Сбалансированное каскадное движение
|
Поддержка сбалансированного каскада для аккумуляторных батарей, например, он может каскадировать для 11S, 24S, 36S, 48S.... и так далее
|
||
|
Диапазон сбора напряжения для одной ячейки
|
Версия NCM/LFP: 2,7V-4,2V
|
||
|
Версия LTO: 1.8-4.2V
|
|||
|
Низкое напряжение защищает спящее напряжение
|
Версия NCM/LFP < 2,7 В
|
||
|
Версия LTO <1,8 В
|
|||
| Под защитой от напряжения Начать балансирующее напряжение |
Версия NCM/LFP: 2,835 В | ||
| Версия LTO: 1.89V | |||
|
Метод равновесия
|
Патент (патент No.: ZL 2019 1 1259513.3) сбалансированная архитектура Подходит конденсаторный метод, весь аккумулятор сбалансирован одновременно.
Подключение к аккумулятору для автоматического балансирования (по умолчанию). |
||
|
Течение равновесия
|
0.1V Дифференциальное давление 1A Балансированный ток,
|
||
|
дифференциальное давление пропорционально балансируемому току,
|
|||
|
максимально допустимый рабочий ток 5,5 А
|
|||
|
Внешнее питание
|
Не требуется внешний источник питания,
|
||
|
опираясь на внутреннюю передачу энергии батареи для достижения эквивалентности.
|
|||
| Тихий рабочий ток | 7mA, общая струна потребляет энергию | ||
|
Текущий режим ожидания
|
0.1mA ((типичное значение)
|
||
|
Операционная температура
|
-20°C ~ +60°C
|
||








ПРИМЕЧАНИЕ:Как показано на рисунке выше, может быть несколько общих целей обмена энергией, чтобы эффективность равновесия была выше;Также возможно использовать только один общий конец энергообмена при соединении двух модулей..
Остальные свободные ноги подвешены, и лучше распределить количество струн равномерно на каждой доске. Если вам нужна каскадная диаграмма для большего количества струн, пожалуйста, свяжитесь с нашим онлайн-сервисом, спасибо.
Вопрос 1. Почему мы выбрали вас?
* Мы можем предоставить вам эффективное послепродажное обслуживание, с более чем 10-летней сильной технической поддержкой.
* Продукция прошла сертификацию FCC, CE, ROHS и других международных стандартов.
* Мы можем предоставить вам заводскую цену, Добро пожаловать, чтобы посетить нашу фабрику и производственный процесс.
Вопрос 2: Каков ваш ассортимент продукции (тип)?
*Мы в основном занимаемся системами управления батареями в области энергетических батарей, батарей для хранения энергии и потребительских батарей.
* В основном используется для LFP, Li-ino и LTO батарей.
Вопрос 3: Как я узнаю, из какого материала и типа моя батарея?
*Пожалуйста, посмотрите на корпус батареи, если нормальное напряжение батареи показывает 3,2 В, батарея является LiFePo4.
* Если нормальное напряжение аккумулятора 3,6 или 3,7 В, то это литий-ионная или Lto батарея.
У вас есть минимальные требования к заказу?
Можно ли его настроить? Сколько времени требуется на образцы и партии?
*Наше минимальное количество заказа составляет 1 штук, настройка ODM доступна.
* 1 ~ 3 дня доставки существующих образцов, 3 ~ 10 дней доставки индивидуальных образцов.
Вопрос 5: Что, если я не смогу использовать его?
*Обычные продукты имеют инструкционные видео, Мы также можем поддержать онлайн видеозвонки руководства от инженеров.
Вопрос 6: Каковы ваши условия оплаты?
*Мы принимаем банковский перевод и наличные, все подлежат обсуждению. Способ оплаты: visa, mastercard, T/T, PayPal, APPLE_PAY, GOOGLE_PAY, GC_REAL_TIME_BANK_TRANSFER, RMB
Вопрос 7: Как вы гарантируете качество?
* Все наши продукты подвергаются профессиональным лабораторным испытаниям на 100%, а также повторным испытаниям на старение.
* Полученные сертификаты FCC, CE, ROHS и другие международные стандарты.
* Предоставление 3-летнего послепродажного гарантийного обслуживания.
Вопрос 8. Как выбрать подходящий BMS для нашей батареи?
*В зависимости от напряжения и тока, которые соответствуют вашему аккумулятору, вы можете обратиться к нашей службе обслуживания клиентов, и мы предоставим вам ее, оснащенную наиболее подходящей системой управления аккумуляторами.
Q9. Как я могу связаться с вами?
*У нас есть 24 часа в сутки онлайн сервис, пожалуйста, оставьте нам сообщение онлайн.
*Вы также можете связаться с нами по электронной почте, WhatsApp, WeChat и т.д. (см. ниже).