ZNZX1-40.5кВ изолятор из эпоксидной смолы с разъединителем
Мы специализируемся на компонентах среднего и высокого напряжения из эпоксидной смолы, таких как выключатели 10 кВ, 24 кВ и 40.5 кВ, выключатели нагрузки, разъединители, втулки из эпоксидной смолы для коммутационных аппаратов, коробки контакторов, изоляторы и трансформаторы. Коробки контактов 630A, 1250 A, 2500A, 3150A и 4000A, клубные контакты, фиксированные контакты, рычажные контакты и губчатые контакты. Выключатели VS1 630A и 1250A. Выключатели ZN85-40.5 630A и 1250A. Заземляющие разъединители 12 кВ и 24 кВ. Компоненты высоковольтных коммутационных аппаратов KYN28A-12 и KYN61.
Пресс-форма для эпоксидной смолы использует PTL C, что более гуманно, и имеет следующие характеристики по сравнению с отечественными продуктами: 1. 10-летняя модель была увеличена с 3,2 метров до 3,4 метров на данный момент, оптимизируя пространство, доступное для монополистов. 2. 3 вида всей машины могут быть вертикальными, горизонтальными и наклонными. После открытия матрицы, закройте конец поворотом двигателя, монополист может войти в машину, чтобы взять продукты, ликвидировать форму. Средний шкаф, все известно как металлическая броня в случае оборудования переключения.
Это высоковольтное распределительное устройство с максимальным рабочим напряжением 3,6 / 7,2 / 12 кВ и является внутренним распределительным устройством трехфазной системы переменного тока 50 Гц с одной шиной или системой с двойной шиной. Оно используется для приема и согласования сетевого электропитания 3,6-12 кВ, а также для управления, защиты, мониторинга и измерения электрической цепи. Коммутационные аппараты среднего типа в основном используются для электростанций, малых и средних генераторов, подстанций энергосистем, электроснабжения, распределения электроэнергии промышленных и горнодобывающих предприятий, а также для запуска больших высоковольтных двигателей.
| Элемент | Технические данные | ||||||||||||
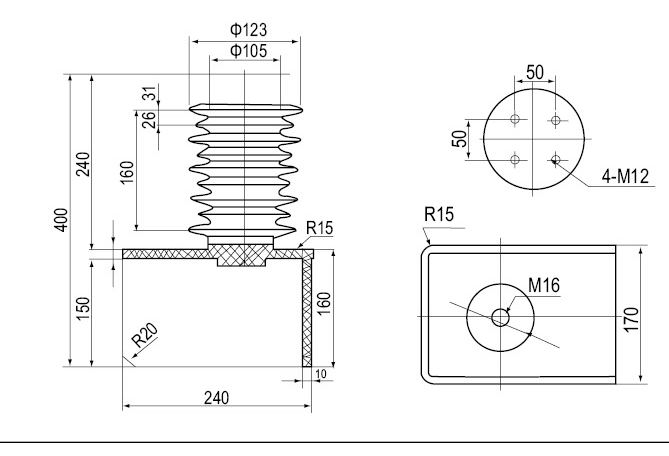
| Номинальное напряжение (кВ) | 40.5 | ||||||||||||
| Номинальная частота (Гц) | 50 | ||||||||||||
| Изолятор (емкость) | изоляционный | Выдерживаемое напряжение частоты 5 мин (кВ) | 100 | ||||||||||
| Выдерживаемое напряжение частоты 1 мин (В) | 2000 | ||||||||||||
| Импульсное выдерживаемое напряжение (кВ) | 185 | ||||||||||||
| Локальный разряд (пК) | ≤10 | ||||||||||||
| Предел прочности при изгибе (Н) | ≥10000 | ||||||||||||
| Путь утечки | 800 мм | ||||||||||||

