3AV3 Эпоксидная смоловая изоляционная трубка с высоковольтным вакуумным выключателем ZN85-40.5
Описание
1Технология автоматического геля под давлением из жидкой эпоксидной смолы имеет высокие технические и технологические требования, а именно стабильное хранение при температуре смешивания,активность быстрой реакции при высокой температуре, короткое время быстрого замораживания, короткий цикл отверждения, хорошая стойкость к трещинам и температурные характеристики,высокая устойчивость к механическим и электрическим нагрузкам для удовлетворения технических требований продуктаКроме того, для удовлетворения специфических требований процесса APG, должен иметь определенную "вискозность-время кривой", "вискозность-температура кривой", "гель время-температура кривой.
2. Средний шкаф, все известные как металлическая броня в случае переключателя переключателя оборудования. Это высоковольтный распределительный блок с максимальным рабочим напряжением 3,6 / 7.2 / 12 кВ и является внутренним распределительным агрегатом трехфазной системы односегментного автобуса AC 50 Hz или системы двухсегментного автобусаОн используется для приема и сопоставления сетевого электричества 3,6-12 кВ, а также для управления, защиты, мониторинга и измерения электрической цепи.генератор малой и средней мощности, энергоподстанции энергосистемы, электроснабжения, распределения энергии промышленных и горных предприятий, и запуска большого высоковольтного двигателя.Полное имя Чжунцзигуи - "Бронированный установленный переключатель"., который перемещает средний металлический выключатель с трехуровневой структурой, с автобусом и приборной панелью (изолированными друг от друга), помещением для выключателей в середине и кабельным помещением в нижней части.Потому что выключатель находится в среднем слое, так что это называется бронежилет типа для перемещения типа металлического закрытого переключателя оборудования, сокращение для шкафа.
3Высокая и высокая структура и эквивалентная структура
Стандартный средний шкаф имеет высокую и низкую структуру, высота передней стороны 2300 мм, высота задней стороны 2000 мм; и контурная структура последовательна.и приборная комната является отдельной структуройКонтурная решетка шкафа расположена в вертикальном зигзаге, а приборная комната и корпус шкафа интегрированы.Схема с той же высотой имеет большее пространство для установки, чем высокая и низкая конструкция, и также удобно для производства и эксплуатации обслуживания.
4. Заземляющий выключатель нейтрального шкафа имеет два режима установки: задний и средний.должны быть расположены с передней стороны шкафа нижний вход двери шкафаВходные и задние двери Чжунцзигуи должны быть "пятихранителями" с заземляющими переключателями.конструкция или обслуживание кабеля входит через заднюю нижнюю дверь шкафаОбычно нижняя сторона шкафа отделена железной пластиной, на передней стороне нет электрического проводника, задняя дверь и переключатель заземления для "пятизащитного" блокировки.
5Совершенствование функции "пяти мер предосторожности"
Через механизм кабинета привода и выключателя шасси автомобиля для достижения электрической работы функции "пяти предотвращения.часть функции "пятизащитный" в шкафу не может соответствовать требованиям, и функция "пятизащита" должна быть улучшена.
6Заземление переключателя
Электрическая линия Zhongzhigui использует источник питания "рука в руку", и когда выключатель в центральном шкафу находится в тестовом положении, все еще возможно подавать энергию из других подстанций.Перед переключателем заземления должен убедиться, что нет электричества из провода, есть три основные операции блокировки.
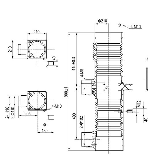
| Материал | Рукоделие | Цвет |
| Литая смола | АПГ | Красный |
| Длина | 900 мм |

