CTH-40.5 40.5 кВ, 36 кВ Эпоксидная смола Отливные смоловые изоляторы (выпуск) с коммутатором KYN61
Колонна с твердым уплотнением использует APG-технику, автоматическое гелеобразование эпоксидной смолы, которая может сократить цикл производства эпоксидной изоляции с 10 часов до 10 минут.и может хорошо контролировать экзотермический эффектОн может компенсировать сжатие, вызванное отвердительной реакцией, и имеет отличную размерную стабильность и высокую механическую прочность.
Максимальный номинальный ток составляет всего 630A, а выше выключатель может достигать 3000A ((в зарубежных странах более 4000A). Максимальный номинальный ток составляет только 630A,и выключатель может достичь 3000A или выше ((в настоящее время более 4000A в зарубежных странах)В случае перегрузки выключатель обычно защищен от короткого замыкания.это занимает определенное время ((и не может быть регулирована, если внутренний предохранитель не заменен) отрезать горячий предохранитель внутреннего предохранителя цепи, и внутренний переключатель напряжения используется для защиты от перегрузки устройства или серного гексафторида переключателя нагрузки.
| Положение | Имя | Номинальное напряжение (KV) | Номинальная частота ((Hz) | Частота выдерживает напряжение 5 мин (KV) | Местные выбросы (pc) | Расстояние ползания (мм) | Сгибание спора (kN) | Импульс освещения выдерживает напряжение (KV) |
| 1 | ||||||||
| 3 | Контактная коробка (1250A) | 12 | 50 | 45 | ≤ 10 | >240 | ≥ 8 | 80 |
| 4 | Контактная коробка (1600A) | 12 | 50 | 45 | ≤ 10 | >240 | ≥ 8 | 80 |
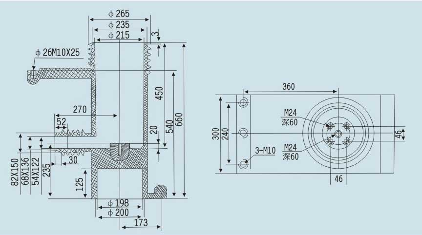
| 5 | Стенные буши (260*395) | 40.5 | 50 | 98 | ≤ 10 | ≥ 840 | ≥ 10 | 185 |
Мы специализируемся на эпоксидной смоле среднего напряжения и высокого напряжения компоненты, такие как 10KV, 24KV и 40.5KV выключатель, переключатель перерыва, выключатель разъединения,Эпоксидная смола для переключателя630A, 1250A, 2500A, 3150A и 4000A контактные коробки, контактный клуб, фиксировать контакт, контакт руки и контакт челюсти. 630A и 1250A VS1 выключатель.630A и 1250A ZN85-40.5 выключатель 12 кВ и 24 кВ наземный переключатель KYN28A-12 и KYN61 высоковольтные компоненты выключателя

