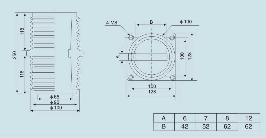
TG1-12Q/128 Изолятор из эпоксидной смолы Сдвижные устройства Стенные отверстия Сдвижные устройства с кольцевой сеткой
1Решение этой проблемы заключается в том, чтобы включить и выключить нижнюю дверь, чтобы контролировать разделение наземного выключателя, закрытие выключателя и движение транспортного средства выключателя:в случае, если нижняя дверь не закрыта, переключатель заземления может быть разделен, но транспортное средство выключателя не может входить в рабочее положение из испытательного положения: сначала дверь должна быть закрыта, а переключатель заземления должен быть отделен.
2Только с испытательного положения ручная тележка может войти в рабочее положение для закрытия операции переключения для обеспечения безопасности человека.Wenzhou New Aircraft разработал набор блокировок (как показано на рисунке 1) на основе оригинальных блокировок.
3. Механизм блокировки работает следующим образом: при закрытии двери языковая пластина, установленная на нижней двери ((6) толкает толкательную пластинку ((12),таким образом, заставляя штепсель вала на опорное соединение ((5) назад ((13), переключатель заземления может быть разделен, переключатель заземления может работать, и изгибающаяся плита на устройстве блокировки привода переключателя заземления ((17) может быть свободно сброшена,Руководственная рельса освобождается и выключатель может работать нормально..
| Положение | Технические данные | ||||||||||||
| Номинальное напряжение (KV) | 3.6 | 7.2 | 12 | 24 | |||||||||
| Номинальная частота ((Hz) | 50 | ||||||||||||
| Изолятор (мощность) | изоляция | Частота выдерживает напряжение 5 мин (KV) | 25 | 32 | 42 | 68 | |||||||
| Частота выдерживает напряжение 1 мин (V) | 2000 | ||||||||||||
| Импульс освещения выдерживает напряжение (KV) | 60 | 75 | 125 | ||||||||||
| Дистанция ползания | 240 мм | ||||||||||||
| Повороты спора (N) | ≥10000 | ||||||||||||

