Спецификации
Номер модели :
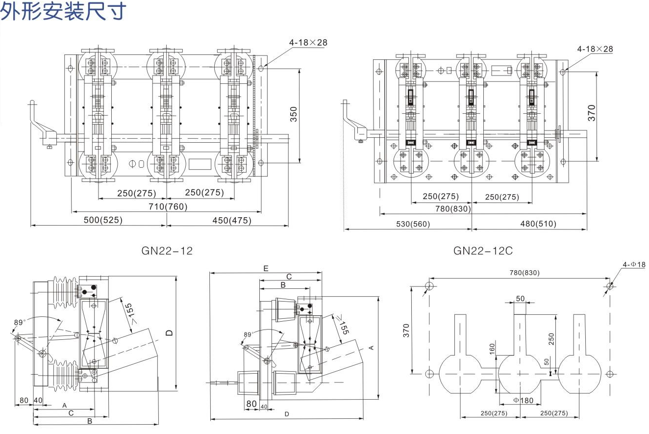
ГН22-12 (К)
Место происхождения :
WENZHOU
Количество минимального заказа :
50pcs
Термины компенсации :
T / T, Western Union
Способность поставкы :
50000 шт/месяц
Срок поставки :
7 дней
Упаковывая детали :
woodens
Напряжение тока тарифа :
12KV
Течение тарифа :
630А-3150А
Горячее стабилизированное течение :
12.5кА/4С
Двиньте течение Сатбле :
31.5кА/4с
широко :
550mm
Короткое течение :
40kA
Описание

(C) крытый высоковольтный переключатель изоляции GN22-12 с оборудованием switchgear

 

 

1. Мы специальность на напряжении тока эпоксидной смолы среднем и высоковольтные компоненты, как 10KV, 24 KV и 40.5KV автомата защити цепи, переключатель выключателя нагрузки, отключая втулка switchgear переключателя, эпоксидной смолы, коробка контактора, изоляторы и трансформатор. коробка контакта 630A, a 1250, 2500A, 3150A и 4000A, контакта клуба, контакта починки, контакта руки и контакта челюсти. автомат защити цепи 630A и 1250A VS1. автомат защити цепи 630A и 1250A ZN85-40.5. Переключатель земли 12KV и 24KV. Высоковольтные компоненты switchgear KYN28A-12 и KYN61!

 

2. Крытый высоковольтный переключатель GN22-12 изоляции (c) польза для трехфазного переменного тока 50Hz, напряжения тока тарифа 12kV.

 

3. Высота чем M. 1000.

 

4. Оно главным образом использовано для «электропитания изоляции, деятельности turndown, для соединять и резать небольшую токовую цепь», без дуги туша функцию.
Переключатель изоляции, обычно называемый высоковольтный переключатель изоляции, расклассифицированное напряжение тока над переключателем изоляции 1kV, использовать высоковольтные электроприборы переключателя, принцип и структура работы относительно просты, но из-за высокого использования, высокие требования к надежности, дизайн, конструкция и безопасная работа электрической подстанции, электростанции имеют больший удар.

 

 

Деталь Технические данные
Расклассифицированное напряжение тока (KV)     12    
Расклассифицированная частота (Hz) 50
Изолятор (емкость) изолировать Частота выдерживает минуту напряжения тока 5 (KV)     42    
Частота выдерживает напряжение тока 1 минута (v) 2000
Освещающ импульс выдержите напряжение тока (KV)     75    
humitity 90%
светлое напряжение тока частоты 85kV
   

 

     Крытый высоковольтный переключатель разъединения, высоковольтный переключатель 630А-3150А амортизатора   

Отправьте сообщение этому поставщику
Отправляй сейчас

Крытый высоковольтный переключатель разъединения, высоковольтный переключатель 630А-3150А амортизатора

Спросите последнюю цену
Номер модели :
ГН22-12 (К)
Место происхождения :
WENZHOU
Количество минимального заказа :
50pcs
Термины компенсации :
T / T, Western Union
Способность поставкы :
50000 шт/месяц
Срок поставки :
7 дней
Контактный поставщик
Крытый высоковольтный переключатель разъединения, высоковольтный переключатель 630А-3150А амортизатора

WENZHOU QIUPU ELECTRIC POWER CO., LTD.

Verified Supplier
8 Годы
zhejiang
С тех пор 2016
Вид деятельности :
Exporter, Trading Company, Seller
Общее годовое :
200000-500000
Количество работников :
100~120
Уровень сертификации :
Verified Supplier
Узнайте о аналогичных продуктах
Смотрите больше
Контактный поставщик
Требование о предоставлении