Высоковольтный вакуумный выключатель среднего напряжения для помещений VCB 630A
Вакуумный выключатель VS1 может часто эксплуатироваться или многократно прерывать ток короткого замыкания в пределах рабочего диапазона тока. Механический ресурс до 30 000 циклов, полная мощность
Ток короткого замыкания может быть прерван 50 раз.
Вакуумный выключатель VS1 подходит для повторного включения и обладает высокой надежностью и сроком службы.
Вакуумный выключатель VS1 (общего типа) использует вертикальные изоляторы для защиты от климатических воздействий; А в аспекте технического обслуживания и ремонта обычно требуется только выполнение операций между ними, очистка или смазка.
Вакуумный выключатель VS1 (полюсного типа) использует твердую изоляционную конструкцию - интегрированный герметичный полюс, обеспечивающий отсутствие необходимости в техническом обслуживании.
Магнитное поле, создаваемое катушкой, и магнитное поле, создаваемое постоянным магнитом, накладываются и синтезируются магнитным полем. Магнитопровод вместе с приводным стержнем, закрепленным на нем, приводится в действие синтетической магнитной силой, и корпус выключателя включается и выключается с заданной скоростью. Этот механизм называется двухпозиционной бистабильной структурой, потому что подвижный сердечник может поддерживаться без какого-либо потребления энергии на двух концах пути. В традиционном электромагнитном механизме подвижный сердечник удерживается на одном конце пути действием пружины, а на другом конце пути он защищен механической защелкой или электромагнитной энергией. Из вышесказанного, привод с постоянным магнитом представляет собой специальную комбинацию электромагнита и постоянного магнита для достижения всех функций традиционного операционного механизма выключателя: постоянный магнит вместо традиционного.
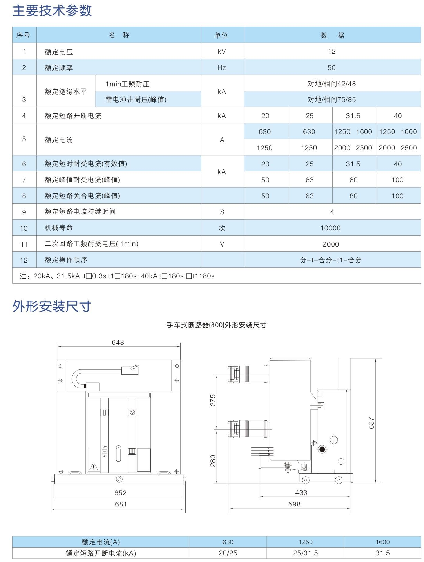
| Элемент | Технические данные | ||||||||||||
| Номинальное напряжение (кВ) | 3.6 | 7.2 | 12 | 24 | 40.5 | ||||||||
| Номинальная частота (Гц) | 50 | ||||||||||||
| Изолятор (емкость) | изолирующий | Частота выдерживаемого напряжения 5 мин (кВ) | 25 | 32 | 42 | 68 | 100 | ||||||
| Частота выдерживаемого напряжения 1 мин (В) | 2000 | ||||||||||||
| Импульсное напряжение грозового импульса (кВ) | 40 | 60 | 75 | 125 | 185 | ||||||||
| Локальный разряд (пК) | ≤10 | ||||||||||||
| Изгиб при споре (Н) | ≥1000 | ||||||||||||
