
Справочник по форме и размеру розетки, который поможет вам быстро выбрать лучший вариант для вашей установки.
Пример: если ваша прядильная камера оснащена рабочим колесом диаметром Ø 225 мм, выходным размером 63 мм, напряжением 230 В, 2-полюсным двигателем, выберите модель FJC2E22563.
Когда вы ищете центробежный вентилятор двойного напряжения 230 В / 400 В, 4-полюсный двигатель, центробежный вентилятор, приспособленный к диаметру рабочего колеса 225 мм, пожалуйста, выберите модель FJC4ED225.
Мы можем настроить ваши нетрадиционные продукты.
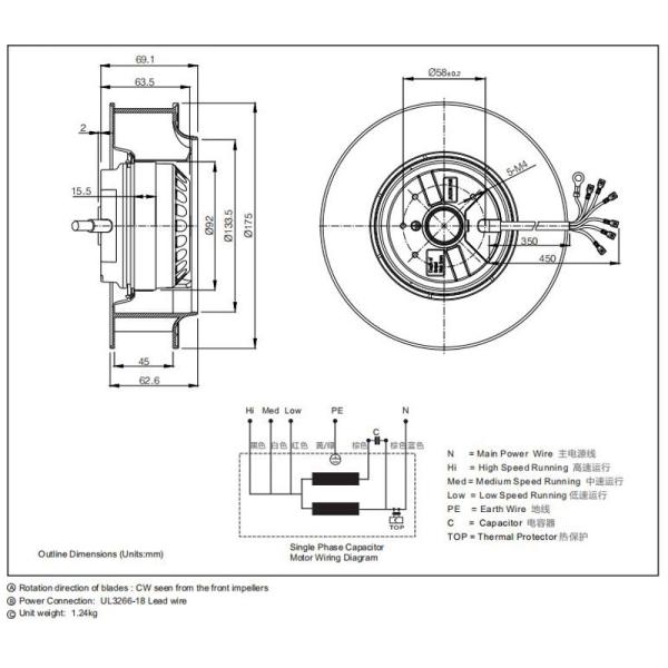
Мотор
Конструкция конденсатора клеточного типа, двигатель с внешним ротором
Рабочее колесо
Черный полиамидный нейлон одноразового литья под давлением
Допустимый диапазон температуры и влажности окружающей среды: (в неконкретных условиях)
-40 ~ +80 (температура) 0% ~ 95% (влажность)
Защита
Двигатель Внутренний с термозащитой с автоматическим восстановлением
Выдержать напряжение
1800 В переменного тока, 1 мин при 0,5 мА, 50/60 Гц
Класс изоляции
дизайн в соответствии с IEC61858 класс F,
Степень защиты
IP44
C2E-175.45C


| Тип | Мотор | Номинальное напряжение | Частота | Текущий | Сила | Скорость | Максимальный воздушный поток | Статическое давление | Шум | Изгиб | Конденсаторный двигатель | |
| В | Гц | (А) | (Вт) +10% -20% |
(мин-1) | ОВЛХ | м3/ч | (Па) | (дБ) | (мкФ) | |||
| C2S-175.45C | M2S9201-AF | 115 | 50 | 0,57 | 56 | 2500 | 324 | 550 | 280 | 58 | ① | 5,0/250 |
| 60 | 0,53 | 59 | 2850 | 348 | 590 | 370 | 61 | |||||
| C2E-175.45C | M2E9201-AF | 230 | 50 | 0,27 | 56 | 2500 | 324 | 550 | 280 | 58 | 1,5/450 | |
| 60 | 0,28 | 59 | 2850 | 348 | 590 | 370 | 61 | |||||
| C2D-175.45C | M2D9201-AF | 380 | 50 | 0,16 | 57 | 2550 | 296 | 500 | 270 | 59 | 0,5/630 | |
| 60 | 0,17 | 64 | 2900 | 325 | 550 | 350 | 62 | |||||
C2E-175.45TS


| Тип | Мотор | Номинальное напряжение | Частота | Текущий | Сила | Скорость | Максимальный воздушный поток | Статическое давление | Шум | Изгиб | Конденсаторный двигатель | |
| В | Гц | (А) | (Вт)+10%-20% | (мин-1) | ОВЛХ | м3/ч | (Па) | (дБ) | (мкФ) | |||
| C2E-175.45TS | M2E9201-ТС |
240
|
50 | 0,22 | 53 | 2600 | 296 | 500 | 260 | 62 | ① | 2,0/450 |
| 50 | 0,20 | 44 | 2380 | 270 | 459 | 240 | 60 | ② | ||||
| 50 | 0,20 | 41 | 2140 | 242 | 410 | 210 | 58 | ③ | ||||