
Описание продукта
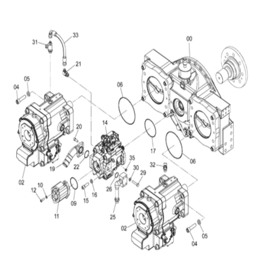
| Позиция. | Часть No | Количество | Наименование деталей | Комментарии |
| YB60000245 | Продукция | PUMPDRIVE | ||
| 0 | 9313598 | Продукция | Насосы | I YB60000413 (для сборки машин) |
| 0 | YB60000413 | Продукция | Насосы | (для перевозки) |
| 2 | YB60000246 | [2] | Насос; поршень | |
| 4 | M342080 | [8] | ПОДКРУПКИ;СОКЕТ | |
| 5 | A590920 | [8] | СВЯЗАНИЕ;СПРИНЦА | |
| 6 | 4445928 | [2] | О-РИНГ | |
| 9 | 4153543 | Продукция | О-РИНГ | |
| 10 | J222010 | [2] | Уборщик | |
| 11 | 4700708 | Продукция | Насос;ГРУПП | |
| 12 | M341030 | [2] | ПОДКРУПКИ;СОКЕТ | |
| 14 | ИА00011362 | Продукция | Насос; поршень | |
| 15 | M341656 | [2] | ПОДКРУПКИ;СОКЕТ | |
| 16 | A590916 | [2] | СВЯЗАНИЕ;СПРИНЦА | |
| 17 | 4153552 | Продукция | О-РИНГ | |
| 19 | 3118683 | Продукция | МНОГОЛОД | |
| 20 | M341230 | [4] | ПОДКРУПКИ;СОКЕТ | |
| 21 | A852344 | Продукция | КОЛБОК; | |
| 21А. | 4506418 | Продукция | О-РИНГ | |
| 22 | A810050 | Продукция | О-РИНГ | |
| 25 | 8121562 | Продукция | ТРУБКА | |
| 26 | A811035 | Продукция | О-РИНГ | |
| 29 | J901260 | [4] | БОЛТ | |
| 30 | A590112 | [4] | УПЛАНОЧЕНИЕ | |
| 31 | 4466996 | Продукция | TEE;S | |
| 32 | A852366 | Продукция | КОЛБОК; | |
| 32А. | 4506424 | Продукция | О-РИНГ | |
| 33 | 4713090 | Продукция | Шланг | |
| 35 | J260816 | Продукция | BOLT;SEMS | |
| 35А. | J900816 | Продукция | БОЛТ | |
| 35B. | А590108 | Продукция | УПЛАНОЧЕНИЕ |



Услуги по обслуживанию
Сохранение гидравлического насоса экскаватора является важной задачей для обеспечения нормальной работы экскаватора и продления его срока службы.Ниже приведены некоторые общие шаги по техническому обслуживанию гидравлического насоса экскаватора и меры предосторожности:
1Регулярно меняйте гидравлическое масло: Гидравлическое масло является важной частью гидравлической системы.Очень важно регулярно заменять и поддерживать чистоту и надлежащую вязкость гидравлического маслаРегулярно проверяйте и заменяйте гидравлическое масло в соответствии с рекомендациями производителя экскаватора, убедившись, что вы используете правильную спецификацию и марку.
2Регулярно проверяйте качество масла: регулярно проверяйте качество гидравлического масла, включая проверку на влажность, примеси и загрязнители.Используйте соответствующие фильтры масла и анализаторы масла, чтобы гарантировать качество вашего гидравлического масла соответствует стандарту.
3Проверьте уплотнения гидравлического насоса: уплотнения гидравлического насоса (например, O-кольца, уплотнительные кольца и т. д.) могут быть изношены или повреждены во время работы, что может вызвать гидравлическую утечку.Регулярно проверяйте и заменяйте гидравлические уплотнители насосов, чтобы обеспечить хорошую герметичность.
4Проверьте фильтрующий элемент гидравлического насоса: фильтрующий элемент гидравлического насоса используется для фильтрации примесей и частиц в гидравлическом масле.Регулярно проверяйте и заменяйте фильтр гидравлического насоса, чтобы обеспечить нормальный поток гидравлического масла и защитить гидравлический насос.
5Обратите внимание на температуру гидравлического насоса: перегрев гидравлического насоса может повлиять на его производительность и срок службы.Убедитесь, что система охлаждения гидравлического насоса работает должным образом и избегайте чрезмерных температур работы.
6Регулярно проверяйте вибрацию и шум гидравлического насоса: аномальные вибрации и шум могут указывать на проблемы с гидравлическим насосом.Регулярно проверяйте вибрацию и шум гидравлического насоса и своевременно обращайтесь с любыми аномалиями.
О деталях Xinfeng Machinery (XF):


Преимущества
Экран склада

Упаковка и доставка


Частые вопросы
1Как быстро и точно купить продукты, которые мне нужны?
Ответ: Укажите номер оригинальной части, чтобы мы могли проверить.
2Как долго ты был в экскаваторе?
A: Мы занимаемся деталями экскаваторов с 1998 года
3Если я не знаю номер части, что мне делать?
О: Пожалуйста, отправьте нам размер и фотографии старых продуктов.
4Какова гарантия на продукцию?
О: Гарантия 6/12 месяцев в зависимости от конкретного продукта.
5Сколько времени у вас на доставку?
О: Обычное время доставки составляет 3-5 дней для продуктов на складе после получения оплаты. Если они не на складе, мы сообщим вам о времени, требуемом.
6Какие сроки доставки вы можете предоставить?
7Какой у вас MOQ?
О: Небольшой заказ и заказ образцов приемлемы
8У вас есть послепродажная служба?
А: Да!Наши