Описание продукта
| Позиция. | Часть No | Количество | Наименование деталей | Комментарии |
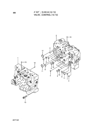
| 4366958 | Продукция | КВАЛП;КОНТРОЛ ((10/10) | 0677100 Данный номер части состоит из всех частей, указанных в разделах VALVE;CONTROL ((1/10) - (10/10). | |
| 1 | +++++++ | Продукция | Жилье | |
| 2 | +++++++ | Продукция | Жилье | |
| 4 | 4506320 | [6] | О-РИНГ | |
| 5 | 4509180 | Продукция | О-РИНГ | |
| 6 | 309403 | Продукция | КОМПАНИЯ: | |
| 7 | 669501 | [3] | О-РИНГ | |
| 8 | 411901 | [3] | О-РИНГ | |
| 9 | 985099 | [8] | О-РИНГ | |
| 10 | 309401 | [8] | КОМПАНИЯ: | |
| 11 | 309402 | [4] | О-РИНГ | |
| 12 | +++++++ | Продукция | ПИН-код | |
| 13 | 309405 | [9]. | ПОДКРУПКИ;СОКЕТ | |
| 15 | +++++++ | [2] | ПИН-код |



Услуги по обслуживанию
Многосторонний клапан экскаватора является важной частью гидравлической системы экскаватора.Поддержание его может обеспечить нормальную работу гидравлической системы и продлить срок службы многостороннего клапана. Ниже приведены этапы технического обслуживания многостороннего клапана экскаватора:
1. Работа по очистке: Перед выполнением технического обслуживания многоуровневого клапана сначала убедитесь, что рабочая область чиста и удалите пыль и грязь вокруг многоуровневого клапана.Используйте моющее средство и щетку для очистки внешней поверхности многостороннего клапана, чтобы гарантировать, что никакие примеси не попадают внутрь корпуса клапана.
2. Проверьте уплотнения: тщательно проверьте уплотнения многопутительного клапана, включая O-кольца, уплотнения и уплотнительные кольца. Если уплотнение повреждено, старое или деформировано, его следует вовремя заменить.
3. Проверьте корпус клапана и сердцевину клапана: Проверьте, изношены ли корпус клапана и сердцевину клапана многостороннего клапана, кородированы ли они или повреждены.корпус клапана и ядро клапана должны быть отремонтированы или заменены вовремя.
4. Проверьте соединительные части: Проверьте соединительные части многостороннего клапана, включая болты, гайки и прокладки.
5. Заменяйте гидравлическое масло: регулярно заменяйте гидравлическое масло в гидравлической системе экскаватора, включая гидравлическое масло внутри многостороннего клапана.В соответствии с рекомендациями производителя экскаватора и сроком службы гидравлического масла, регулярная замена гидравлического масла может поддерживать нормальную работу гидравлической системы.
6. Провести испытание давления: Используйте датчик давления для испытания давления на многостороннем клапане, чтобы убедиться, что рабочее давление клапана находится в пределах нормы.Если обнаружено аномальное давление, другие компоненты гидравлической системы должны быть проверены, чтобы убедиться, что вся система работает нормально.
7. Обратите внимание на безопасную эксплуатацию: при выполнении многостороннего обслуживания клапана обязательно соблюдайте безопасные процедуры эксплуатации экскаватора,и не управлять незнакомыми компонентами гидравлической системы, чтобы избежать случайных повреждений.
О деталях Xinfeng Machinery (XF):

Запчасти экскаваторов
| Колебательный двигатель | Двигатель путешествия | Двигатель вентилятора |
| Коробка передач | Коробка передач для путешествий | Рельефный клапан |
| Насос передач | Электрические части | Распределительный клапан |
| Сборка двигателя | Последний диск Assy | Гидравлический насос |

Преимущества
Экран склада
Упаковка и доставка

Частые вопросы
1Как быстро и точно купить продукты, которые мне нужны?
Ответ: Укажите нам номер оригинальной части для проверки.
2- Как долго ты был в экскаваторе?
О: Мы занимаемся деталями экскаваторов с 1998 года
3Если я не знаю номер части, что мне делать?
О: Пожалуйста, присылайте нам размер и фотографии старых продуктов.
4Какова гарантия на продукцию?
О: Гарантия 6/12 месяцев в зависимости от конкретного продукта.
5- Сколько времени у вас на доставку?
О:Обычное время доставки составляет 3-5 дней для продуктов на складе после получения оплаты. Если они не на складе, мы сообщим вам о времени, требуемом.
6Какой срок доставки вы можете предложить?
7- Каков ваш MOQ?
Ответ:Небольшой заказ и заказ образцов приемлемы
8- У вас есть послепродажная служба?
А: Да!Наши