Описание продукта
 
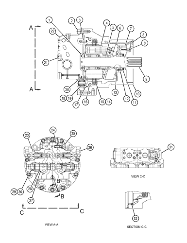
| Позиция. | Часть No | Количество | Наименование деталей | 
| 1 | 536 - 653 | Продукция | Круглое подшипник | 
| 2 | 8Т-2503 М | [10] | Главный разъем болта (M14X2X35-MM) | 
| 3 | 536-2662 | [4] | ПИН-код | 
| 4 | 536 - 2640 | Продукция | Сдвигающийся GP-МОТОР | 
| 5 | 536 - 641 | Продукция | Оставляющий AS | 
| 6 | 536 - 2650 | Продукция | СВАСХПЛАТ | 
| 7 | 536 - 663 | [4] | ВЕСНЯ | 
| 8 | 139-7308 | [4] | ПЛУГ | 
| 9 | 536 - 649 | Продукция | СВЯЗ | 
| 10 | 536 - 642 | Продукция | ТЕЛЬ как | 
| 11 | 536-2655 | Продукция | Тип тюленей губы | 
| 12 | 536-2652 | Продукция | Круглое подшипник | 
| 13 | 536 - 651 | [2] | МЕЧ | 
| 14 | 536-2656 | [4] | ПЛАТ-ФРИКЦИОН | 
| 15 | 536 - 657 | [3] | Сепаратор пластин | 
| 16 | 536 - 659 | Продукция | ПИСТОН-ПРЕДВЕДИТЕЛЬ | 
| 17 | 536 - 658 | Продукция | ПИСТОН-БРАК | 
| 18 | 536 - 661 | [2] | СВЕТНЫЙ БРАК | 
| 19 | 536 - 2660 | [8] | СВЕТНЫЙ БРАК | 
| 20 | 536 - 654 | Продукция | ПИН-код | 
| 21 | 279-4706 | [2] | ПЛУГ | 
| 22 | 536 - 2639 | Продукция | Главный двигатель | 
| 23 | 568-3820 | [2] | КВАЛЬБ АС-РЕЛИЕФ | 
| 24 | 7I-1041 | Продукция | ВЕСНЯ | 
| 25 | 137-3687 | [2] | ПЛУГ | 
| 26 | 536 - 2664 | [2] | ПЛУГ | 
| 27 | 108-9151 | [2] | ОРИФИЦ | 
| 28 | 536 - 643 | [2] | Сидячая пружина | 
| 29 | 536 - 2644 | [2] | ВЕСНЯ | 
| 30 | 536 - 2645 | [2] | Сидячая пружина | 
| 31 | 536-2637 | [2] | СНП | 
| 32 | 536-2648 | [3] | ОРИФИЦ | 
| М | Метрическая часть | 
 
 
Метод обслуживания
 
1. будь то большие или небольшие раскопки, постарайтесь пройти как можно меньшее расстояние. длительная прогулка повредит ходовые колеса экскаватора.Постарайтесь сделать дорогу как можно более ровнойЕсли вы часто ходите вверх по склону и используете медленную передачу, вы должны использовать медленную передачу и использовать крюки, когда это необходимо.
 
2Планетарная коробка передач должна быть заполнена маслом. После первого использования масло следует менять каждые три месяца.Масло для редукторов должно быть заменено каждые один год в соответствии с различными условиями работы.После того, как двигатель движения работает в течение определенного периода времени, следует снять заднюю крышку коробки передач, регулярно проверять изношенность коробки передач,и техническое обслуживание должно проводиться своевременно.
 
3Во время работы двигателя следует регулярно проверять рабочие условия масляной цепи системы и масла двигателя.утечка движущего двигателяЕсли обнаружены аномальное повышение температуры, шум вибрации или аномальное пульсирование давления, машина должна быть немедленно остановлена.
 
4Когда движущийся двигатель экскаватора слабый или в системе есть аномалия, его следует немедленно остановить и проверить, является ли утечка гидравлического двигателя нормальной.Если есть большое количество утечки, гидравлический двигатель поврежден и нуждается в ремонте или замене.
 
5Рекомендуется, чтобы после того, как движущийся двигатель экскаватора работал непрерывно в течение 1-2 часов, он должен быть отключен примерно на 15 минут.
 
Упаковка
 
 
С помощью экспресса, воздушного транспорта, морского транспорта
 
О деталях Xinfeng Machinery (XF):
 
Xinfeng Machinery Parts Company была основана в 1998 году. Это профессиональная команда, состоящая из высококвалифицированного технического персонала, интегрирующего производство, техническое обслуживание, продажи и обслуживание.Компания стремится предоставлять клиентам высококачественные и эффективные услуги.Штаб-квартира находится в Гуанчжоу, Китай.
 
Мы работаем в экскаваторной промышленности уже 25 лет. Мы продаем оригинальные подержанные части, перестроенные части, оригинальные новые части и OEM новые части для многих типов.Мы можем предоставить вам много типов для выбораМы можем предоставить качественный полный ассортимент гидравлических насосов, двигателей, конечных приводов, главных клапанов управления, колеблющихся двигателей и двигателей для KOMATSU, CATERPILLAR, HITACHI, JOHN DEERE, VOLVO,ЕСПЧ JCB, KOBELCO, NEW HOLLAND, SUMITOMO, KATO, BOBCAT, DOOSAN и HYUNDAI.
 
Мы гарантируем удовлетворенность клиентов на всех наших продуктах. Мы инвестировали в предоставление только самых качественных запчастей нашим клиентам.Совместное развитие более широкого делового пространства на основе долгосрочных, дружеские, взаимовыгодные и взаимовыгодные деловые отношения.
 
 
 
Частые вопросы
1Как быстро и точно купить продукты, которые мне нужны?
Ответ: Укажите номер оригинальной части, чтобы мы могли проверить.
2Как долго ты был в экскаваторе?
A: Мы занимаемся деталями экскаваторов с 1998 года
3Если я не знаю номер части, что мне делать?
О: Пожалуйста, отправьте нам размер и фотографии старых продуктов.
4Какова гарантия на продукцию?
О: Гарантия 6/12 месяцев в зависимости от конкретного продукта.
5Сколько времени у вас на доставку?
О: Обычное время доставки составляет 3-5 дней для продуктов на складе после получения оплаты. Если они не на складе, мы сообщим вам о времени, требуемом.
6Какие сроки доставки вы можете предоставить?
7Какой у вас MOQ?
О: Небольшой заказ и заказ образцов приемлемы
8У вас есть послепродажная служба?
А: Да!Наши