Гидравлический вентиляторный насос 259-0815 групповой поршень для двигателя Cat 330D 336D экскаватора C9
Описание продукта
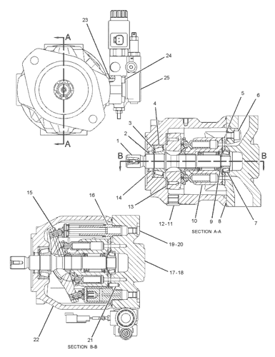
| Позиция. | Часть No | Количество | Наименование деталей | Комментарии |
| 1 | 191-7581 | Продукция | СВЯЗ | |
| 2 | 8Т-9597 | Продукция | ОКРЕЖЕНИЕ кольца | |
| 3 | 194-9473 | Продукция | РАЗДЕЛ | |
| 4 | 155-9125 | Продукция | Подшипник AS-ROLL | |
| 5 | 213-9250 | [4] | SEAL-O-RING | |
| 6 | 9X-6032 M | [4] | головка болт-сокета (M10X1.5X30-MM) | |
| 7 | 191-7583 | Продукция | С подшипником | |
| 8 | 213-9248 | Продукция | SEAL-O-RING | |
| 9 | 191-7582 | Продукция | SHIM (2,5 мм THK) | |
| 10 | 266-7833 Y | Продукция | Вращающийся GP-ПУМП | |
| 11 | 9S-8005 | Продукция | ПЛУГ (3/4-16-THD) | |
| 12 | 3К-0360 | Продукция | SEAL-O-RING | |
| 13 | 155-9134 | [2] | ПЛАТ | |
| 14 | 155-9127 | Продукция | SEAL | |
| 15 | 155-9131 | Продукция | СВАСХПЛАТ | |
| 16 | 209-5982 Y | Продукция | ACTUATOR GP | |
| 17 | 266-7835 | Продукция | ОБЛОЖКА | |
| 18 | 120-4394 | Продукция | ПЛЮГ-БОРЕК ОТ | |
| 19 | 137-3780 | [2] | ПЛУГ | |
| 20 | 259-0908 | [2] | SEAL | |
| 21 | 204-2799 | Продукция | Доуэлл | |
| 22 | 266-7834 | Продукция | Жилье | |
| 23 | 9X-7680 | [3] | SEAL-O-RING | |
| 24 | 8Т-8442 М | [4] | Главный разъем болта (M6X1X30-MM) | |
| 25 | 259-0907 Y | Продукция | Управление клапаном GP-насоса (ГИДРАУЛИЧЕСКИЙ ВАН) | |
| М | Метрическая часть | |||
| Y | Отдельная иллюстрация | |||




Преимущества

Экран склада


Мы можем поставлять огромный запас запасных частей экскаваторов (разных марок):
Гидравлические части: гидравлические насосы, части гидравлических насосов (блоковые насосы, клапаны для плит, гидроуправляющие устройства, гидроуправляющая обувь, поршневые подъемники, колыбельные насосы, колыбельные двигатели, колыбельные механизмы),колебание круга, главный клапан управления, двигатель движения, бум цилиндр, ручной цилиндр, ведровой цилиндр, гидравлический клапан и так далее.
Части двигателя: комплекты с прокладкой поршневых стержней, подшипников главных и конных стержней, клапанов, комплектов с уплотнениями цилиндров, поршня/отпускного клапана/насоса, цилиндра
Блок, головка цилиндра, коленчатый вал, распределительный вал, стартовый мотор, насос для масла/воды/направления, лезвие вентилятора, турбонаддув, термостат и так далее.
Электрические компоненты:Компьютерная панель, монитор, скорость движения двигателя, скорость гидравлического насоса, стартовый мотор, переключатель давления.

Частые вопросы
1Как быстро и точно купить продукты, которые мне нужны?
Ответ: Укажите нам номер оригинальной части для проверки.
2- Как долго ты был в экскаваторе?
О: Мы занимаемся деталями экскаваторов с 1998 года
3Если я не знаю номер части, что мне делать?
О: Пожалуйста, присылайте нам размер и фотографии старых продуктов.
4Какова гарантия на продукцию?
О: Гарантия 6/12 месяцев в зависимости от конкретного продукта.
5- Сколько времени у вас на доставку?
О:Обычное время доставки составляет 3-5 дней для продуктов на складе после получения оплаты. Если их нет на складе, мы сообщим вам о времени, требуемом.
6Какой срок доставки вы можете предложить?
7- Каков ваш MOQ?
Ответ:Небольшой заказ и заказ образцов приемлемы
8- У вас есть послепродажная служба?
А: Да!Наши