320 326 GC 340 330 350 320 GX 333 GC 326 330 GC 336 333 320 GX 323 FM568 Другие 320 GC 330D 336D


Описание продукта

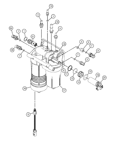
| CATERPILLAR SIS | ||||
| Позиция. | Часть No | Количество | Наименование деталей | Комментарии |
| 1 | 199-7560 | Продукция | ОКРЕЖЕНИЕ кольца | |
| 2 | 228-7102 | Продукция | SEAL-O-RING | |
| 3 | 238-0112 | Продукция | Датчик GP-TEMPERATURE (топливо) | |
| 4 | 361-7347 Y | [2] | КОННЕКЦИЯ ГП-топливо | |
| 5 | 433-4841 | Продукция | Адаптер | |
| 6 | 439 - 5039 | Продукция | Датчик ГП-Ликвидный Уровень (ВОДА В ТОПЛИВО) | |
| 7 | 277-4993 | [5] | SEAL-O-RING | |
| 8 | 320-3060 | Продукция | Датчик ГП-давления (выпуск фильтра топлива) | |
| 8А. | 320-3060 | Продукция | Датчик GP-Pressure (Вход фильтра топлива) | |
| 9 | 356-3986 | Продукция | КОННЕКТОР AS | |
| 277-4993 | Продукция | SEAL-O-RING | ||
| 10 | 492-9114 | Продукция | NIPPLE AS | |
| 228-7102 | Продукция | SEAL-O-RING | ||
| 492-9113 | Продукция | ОБНОЖЕНИЕ | ||
| 11 | J | Продукция | Весенняя волна | |
| 12 | J | Продукция | SEAL-O-RING | |
| 13 | 511-4824 J | Продукция | SEAL-O-RING | |
| 14 | J | Продукция | SPACER | |
| 15 | 515-6467 | Продукция | Соединение | |
| 16 | 523-4986 | Продукция | Включает в себя: (Грузовое, водоотделительное устройство) | |
| 460-5302 | Продукция | KIT-DRAIN (фильтр топлива, сепаратор воды) | ||
| (Включает ДРЕЙН, КНОБ и СЕЙЛ) | ||||
| 523-4987 | Продукция | ЭЛЕМЕНТ-ВОДНЫЙ СЕПАРАТОР | ||
| 17 | 523-4988 | Продукция | СТРАНИЦА ВОЗОГОЛИВАНИЯ (ВОЗОГОЛИВАНИЕ) | |
| 354-5833 | Продукция | КИТ-ДРАЙН (ФИЛТЕР ТАБЛИ) | ||
| 489-7503 | Продукция | Фильтр для топлива для жилья | ||
| 509-5694 | Продукция | Фильтр-элемент-топливо (вторичное) | ||
| 18 | Продукция | Фильтр на базовое топливо | ||
| 19 | 526-2037 J | Продукция | Насосы в качестве топлива | |
| 20 | 533 - 245 | Продукция | Датчик давления (сепаратор топлива и воды) | |
| 21 | 539-7999 | Продукция | Вентиль AS-CHECK | |
| 22 | 6V-7723 | Продукция | ОКРЕЖЕНИЕ кольца | |
| Доступный комплект ремонта: | ||||
| 562-1852 J | Продукция | КИТ-ПУМПА (ВОДНЫЙ СЕПАРАТОР) ((ВОДНЫЙ СЕПАРАТОР) | ||
| (Включает насос AS, O-RING SEALS, СPRING & SPACER) | ||||
| J | КИТ МАРКИРОВАННЫЙ J СЕРВИЗЫ ЧАСТЬ (((S) МАРКИРОВАННЫЙ J | |||
| Y | Отдельная иллюстрация |


Теория
Экскаваторы обычно используют электронные насосные системы для обеспечения гидравлической мощности для привода различных гидравлических приводов экскаватора, таких как копательные руки, ведра и ходовые устройства.Вот основные принципы электронной системы насоса:
Двигатель: Ядром электронной насосной системы является двигатель, обычно электрический гидравлический насос или комбинация электрических гидравлических насосов.Двигатель управляет насосом, чтобы работать через электричество для получения гидравлической энергии.
Гидравлический насос: гидравлический насос отвечает за преобразование механической энергии в гидравлическую энергию. Он генерирует поток жидкости путем вращения механических элементов (таких как шестерени, поршень или лезвия).Функция гидравлического насоса состоит в том, чтобы создать достаточное давление, чтобы толкать гидравлическое масло к различным приводам в гидравлической системе.
Гидравлическая система: гидравлический насос передает гидравлическую энергию различным приводам экскаватора через гидравлическую систему.гидравлические трубыГидравлическое масло высасывается из резервуара, создает давление через гидравлический насос,и передается через трубопровод в гидравлический приводной механизм, который должен выполнять работу.
Устройство управления: электронная система насоса обычно оснащена устройством управления для контроля и управления работой гидравлической системы. The control unit can adjust the pump speed and the working pressure of the hydraulic system according to the operator's instructions or preset programs to meet the needs of different working conditions.
Датчики и механизмы обратной связи:Электронные насосные системы также могут быть оснащены датчиками и механизмами обратной связи для мониторинга рабочего состояния гидравлической системы и положения или нагрузки приводаЭти датчики могут предоставлять данные в режиме реального времени в блок управления для таких операций, как диагностика неисправностей, оптимизация производительности и защита безопасности.
В целом, электронная насосная система управляет гидравлической системой через электрический насос, преобразует механическую энергию в гидравлическую энергию,и контролирует и управляет гидравлической системой с помощью компонентов, таких как блоки управления и датчикиЭто может обеспечить эффективную, точную и надежную гидравлическую мощность для удовлетворения потребностей экскаваторов в различных условиях работы.

О деталях Xinfeng Machinery (XF):



Преимущества

Экран склада


Упаковка и доставка


Частые вопросы
1Как быстро и точно купить продукты, которые мне нужны?
Ответ: Укажите номер оригинальной части, чтобы мы могли проверить.
2Как долго ты был в экскаваторе?
A: Мы занимаемся деталями экскаваторов с 1998 года
3Если я не знаю номер части, что мне делать?
О: Пожалуйста, отправьте нам размер и фотографии старых продуктов.
4Какова гарантия на продукцию?
О: Гарантия 6/12 месяцев в зависимости от конкретного продукта.
5Сколько времени у вас на доставку?
О: Обычное время доставки составляет 3-5 дней для продуктов на складе после получения оплаты. Если нет на складе, мы сообщим вам о времени, требуемом.
6Какие сроки доставки вы можете предоставить?
7Какой у вас MOQ?
О: Небольшой заказ и заказ образцов приемлемы
8У вас есть послепродажная служба?
А: Да!Наши