


Описание продукта

| Позиция. | Часть No | Количество | Наименование деталей | Комментарии |
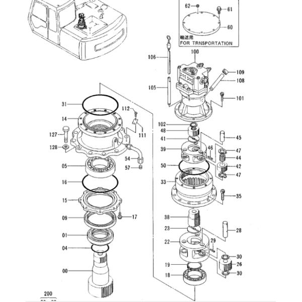
| 0 | 2028036 | Продукция | Стрелка;ПРОП. | |
| 1 | 4244693 | Продукция | Стрижка | |
| 4 | A811100 | Продукция | О-РИНГ | |
| 5 | 4248609 | Продукция | БРГ.;СПХ.РОЛ. | |
| 9 | 4244691 | Продукция | ПОЛОЙ | |
| 14 | 1014526 | Продукция | Жилье | T 1017261 |
| 14 | 1014526 | Продукция | Жилье | 3058620 |
| 14 | 1017261 | Продукция | Жилье | |
| 15 | 3049949 | Продукция | ОБЛОЖКА | T 3058620 |
| 15 | 3049949 | Продукция | ОБЛОЖКА | 1017261 |
| 15 | 3058620 | Продукция | ОБЛОЖКА | |
| 16 | 4247567 | Продукция | О-РИНГ | |
| 17 | J011035 | [8] | BOLT;SEMS | |
| 18 | 969154 | Продукция | БРГ.;СПХ.РОЛ. | I 4293424 |
| 18 | 4293424 | Продукция | БРГ.;СПХ.РОЛ. | |
| 19 | 991350 | Продукция | РАЗДОЛЖЕНИЕ | |
| 22 | 2031003 | Продукция | Перевозчик | |
| 23 | 4258089 | Продукция | ПЛАТА; ПРЕДСТАВКА | |
| 26 | 9732811 | [3] | ПЛАНЕТАРНЫЙ ГРУПП | |
| 28 | 4244696 | [3] | ПИН-код | |
| 29 | 4063351 | [3] | ПИН;СПРИНГ | |
| 30 | 4266255 | [6] | ПЛАТА; ПРЕДСТАВКА | |
| 31 | 4247567 | Продукция | О-РИНГ | |
| 33 | 2028037 | Продукция | Перегонный колес | |
| 35 | M341450 | [12] | ПОДКРУПКИ;СОКЕТ | |
| 38 | 3046918 | Продукция | ГРУПП;СОЛНОЕ | |
| 39 | 2031106 | Продукция | Перевозчик | |
| 41 | 4244904 | Продукция | ПЛАТА; ПРЕДСТАВКА | |
| 42 | 3046916 | [3] | ПЛАНЕТАРНЫЙ ГРУПП | |
| 44 | 4249345 | [3] | BRG.; ИГЛА | |
| 45 | 4244689 | [3] | ПИН-код | |
| 46 | 4116307 | [3] | ПИН;СПРИНГ | |
| 47 | 4269480 | [6] | ПЛАТА; ПРЕДСТАВКА | |
| 48 | 3046917 | Продукция | ГРУПП;СОЛНОЕ | |
| 50 | 4244541 | Продукция | О-РИНГ | |
| 54 | 8050210 | Продукция | ТРУБКА | |
| 57 | 94-2012 гг. | Продукция | ПЛУГ | |
| 60 | 8053413 | Продукция | ОБЛОЖКА | (для перевозки) |
| 61 | J011050 | [8] | BOLT;SEMS | (для перевозки) |
| 62 | 94-2011 гг. | Продукция | ПЛУГ | (для перевозки) |
| 100 | 4241171 | Продукция | Моторное масло | |
| 101 | M341028 | [8] | ПОДКРУПКИ;СОКЕТ | |
| 102 | 927488 | Продукция | РАЗДОЛЖЕНИЕ | |
| 105 | 4264452 | Продукция | ТРУБКА | |
| 106 | 3053451 | Продукция | ГАЗ;УВОД | |
| 108 | 4255227 | Продукция | ТРУБКА | |
| 109 | 4255226 | Продукция | СПП | П 4298608 |
| 109 | 4298608 | Продукция | СПП | |
| 111 | 3053093 | Продукция | Название пластинки | |
| 112 | М492564 | [2] | Скрут; ДРИВ | |
| 127 | J932060 | [10] | БОЛТ | |
| 128 | 4018545 | [10] | Уборщик | |
| 200 | 9111265 | Продукция | Устройство колебания | (Без двигателя) |

Теория
Коробка передач экскаватора является важной частью системы передачи экскаватора.Его основная функция заключается в передаче мощности двигателя к рабочему устройству экскаватора через редукторы для реализации таких операций, как выработкаОсновные принципы работы коробки передач экскаватора:
Коробка передач экскаватора использует коробку передач для передачи мощности.Коробка передач обычно содержит несколько передачБольшая передача называется приводной, а меньшая - приводной.Двигатель питается от двигателя и передает энергию к приводу через сетку передач, тем самым управляя рабочим устройством экскаватора.
Соотношение передач: передачи в коробке передач осуществляют преобразование скорости и крутящего момента через зубы разных размеров.Соотношение передач в коробке передач относится к соотношению количества зубов приводной передачи и приводнойКогда число зубов приводной передачи меньше, чем число зубов приводной передачи, отношение передачи больше 1, что может достичь усиления крутящего момента,который подходит для условий работы, требующих большого рабочего моментаКогда число зубов приводной передачи больше, чем число зубов приводной передачи, соотношение передачи меньше 1, что может достичь усиления скорости,который подходит для условий работы, требующих высокоскоростной работы.
Структура коробки передач: коробки передач экскаваторов обычно состоят из нескольких передач и валов.Редукторы обычно расположены на разных параллельных валахКоробка передач также может включать в себя такие аксессуары, как сцепления и тормоза для достижения контроля и защиты системы передачи.
Система смазки: коробка передач экскаватора будет генерировать большее трение и тепло во время работы, поэтому требуется система смазки для уменьшения трения, охлаждения и защиты коробки передач.Система смазки обычно включает такие компоненты, как масляные насосы, масляные баки и масляные трубы для транспортировки смазочного масла в различные части коробки передач, чтобы сформировать смазочную пленку для уменьшения износа и трения передач.
Подводя итог, коробка передач экскаватора обеспечивает передачу мощности через передачу передач и преобразование скорости и крутящего момента через соотношение передач.Структура сложная и требует системы смазки для обеспечения нормальной работыПрименение этих принципов позволяет экскаваторам эффективно и точно выполнять различные рабочие задачи.

О деталях Xinfeng Machinery (XF):



Преимущества

Экран склада
Упаковка и доставка


Частые вопросы
1Как быстро и точно купить продукты, которые мне нужны?
Ответ: Укажите нам номер оригинальной части для проверки.
2- Как долго ты был в экскаваторе?
О: Мы занимаемся деталями экскаваторов с 1998 года
3Если я не знаю номер части, что мне делать?
О: Пожалуйста, присылайте нам размер и фотографии старых продуктов.
4Какова гарантия на продукцию?
О: Гарантия 6/12 месяцев в зависимости от конкретного продукта.
5- Сколько времени у вас на доставку?
О:Обычное время доставки составляет 3-5 дней для продуктов на складе после получения оплаты. Если они не на складе, мы сообщим вам о времени, требуемом.
6Какой срок доставки вы можете предложить?
7- Каков ваш MOQ?
Ответ:Небольшой заказ и заказ образцов приемлемы
8- У вас есть послепродажная служба?
А: Да!Наши