Сверхмощная ширина ведра 800mm утеса землечерпалки ведра CAT320 утеса
Спецификация:
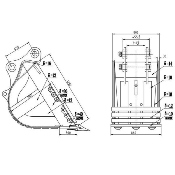
| Модель землечерпалки | Гусеница CAT320 |
| Емкость ведра | 0,8 CBM |
| Толщина плиты зуба | 50 mm Hardox450 |
| Бортовая толщина плиты | 40 mm Hardox450 |
| Толщина фасонного листа | 12 mm Hardox450 |
| Плита усиленная стороной | 8 mm Hardox450 |
| Вес | 900kg |
| Ширина ведра | 800 mm |
| Ведро открытое | 1250 mm |
| Глубина ведра | 800 mm |
Описание:
1. Согласно различным окружающей среде и требованию клиента конструкции, мы рационально общаемся с усилиями, отборной высокомарочной сталью, используемся совершенную заварку для того чтобы гарантировать прочность конструкции, представление и качество. Том ведра может быть от 0.4m3 к 10m3.
2. Стандартное ведро обычно было использовано для копать почву, песок и другие мягкие вещи экскаватором.
Тряхните ведро обычно используйте в minning поле, высоком классе исполнения потребности.
3. Мы профессионально конструируем и изготовляем все виды ведер утеса землечерпалки.
4. Это ведро мы используем Q345B+Hardox450 как материал. Главным образом структура Q345B, плиты зуба, бортовые плиты, польза Hardox450 фасонных листов.
5. Этого зубы пользы ESCO ведра, и сваривают усиленную плиту на ведре внутреннем.

6. Если вам, то мы также можем сделать логос для вас, как раз даем мне изображение вашего логоса.

7. Согласно чертежу нашего клиента, мы также можем OEM или поставить полумануфактурный продукт.
Или используйте наш чертеж сделайте ODM для клиентов, логос клиентов ручки.
8. Весь из наших деталей обеспеченное обслуживание гарантированности 6 месяцев бесплатно
9. срок поставки: 10 дней для заказа образца и 20-30days для всего контейнера.
Применение:
1. Емкость ведра мы можем поставить от 0.4cum к 10cum
2. Иметь широкий диапазон всех видов ведра
3. Обслуживание OEM или ODM доступно.
4. Также смогите подгонять очень более усиливать ведро для клиентов.
