Части экскаватора головки цилиндра железы цилиндра ведра Belparts EX220-5 1023340 запасные
Спецификация
Головка цилиндра железы цилиндра ведра EX220-5 1023340 для экскаватора
| Имя | Головка цилиндра железы цилиндра ведра |
| Тип | Экскаватор Crawler |
| Модель | EX220-5 220LC-5 230H-5 230LC-5 230LCH-5 220-3 220LC-3 |
| Номер детали | 1023340 |
| Цвет | Красный |
| Вес | 1kg |
| Упаковка | Углерод |
| Пакет | По мере необходимости |
| Послепродажное обслуживание | Могущий быть предметом переговоров |
| Условие | 100% новое |
| Условие запаса | В запасе |
| Группа категории | Гидравлические запасные части |
| Особенности |
Рабочие втулки цилиндра сделаны холодного - вычерченные безшовные стальные трубки с сильным хонингуя методом. Длина цилиндра может достигнуть до 7m с диаметрами от φ40 к φ500. Плунжерные штоки сделаны из хромовой стали с особенной термической обработкой. Поверхность которая делает ее высокой в ровном финише с жесткой внутренностью и трудным снаружи. Гарантированы, что тестом высоконапорного теста будет качество наших цилиндров |
| Родственные продукты |
цилиндр 1.boom набор уплотнения цилиндра 2.boom цилиндр 3.arm набор уплотнения цилиндра 4.arm набор уплотнения цилиндра 5.bucket ...... |

| # | Номер детали | Имя части | Qty. | Запрос цены |
|---|---|---|---|---|
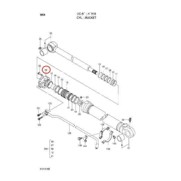
| 9101318 | CYL.; ВЕДРО |
1 | ||
| (9104176) | CYL.; ВЕДРО |
1 | ||
| 0136 | 9103462 | . CYL. (PIPELESS) |
1 | |
| 0136 | (9166813) | . CYL. (PIPELESS) |
1 | |
| 01 | 7021848 | . ТРУБКА; CYL. (С ВТУЛКОЙ) |
1 | |
| 01 | (9121234) | . ТРУБКА; CYL. (С ВТУЛКОЙ) |
1 | |
| 01A | 3031788 | … ВТУЛКА | 1 | |
| 03 | 7021846 | . ШТАНГА; ПОРШЕНЬ (С ВТУЛКОЙ) | 1 | |
| 03A | 3031789 | … ВТУЛКА | 1 | |
| 05 | M342280 | . БОЛТ; ГНЕЗДО | 8 | |
| 06 | 4348174 | . УПЛОТНЕНИЕ; ПЫЛЬ | 1 | |
| 07 | 4253559 | . УПЛОТНЕНИЕ | 1 | |
| 07 | 4414050 | . УПЛОТНЕНИЕ | 1 | |
| 08 | 4253561 | . КОЛЬЦО | 1 | |
| 08 | 4414049 | . КОЛЬЦО | 1 | |
| 09 | 1023340 | . ГОЛОВА; CYL. | 1 | |
| 10 | 4272960 | . ВТУЛКА | 1 | |
| 11 | 4272974 | . КОЛЬЦО; СОХРАНЕНИЕ | 1 | |
| 12 | 4253563 | . КОЛЦЕОБРАЗНОЕ УПЛОТНЕНИЕ | 1 | |
| 13 | 4373693 | . КОЛЬЦО; СОХРАНЕНИЕ | 1 | |
| 16 | 4253558 | . КОЛЬЦО; ВАЛИК | 1 | |
| 18 | 3050116 | . ПОРШЕНЬ | 1 | |
| 19 | 4168234 | . КОЛЬЦО; ТЕФЛОН | 2 | |
| 20 | 4253562 | . КОЛЬЦО; НОСКА | 2 | |
| 21 | 4375665 | . КОЛЬЦО; УПЛОТНЕНИЕ | 1 | |
| 23 | 4201806 | . ВИНТ; УСТАНОВИТЕ | 1 | |
| 25 | 3050115 | . ГАЙКА | 1 | |
| 35 | J75481 | . ШТУЦЕР; ТАВОТ | 1 | |
| 36 | J75581 | . ШТУЦЕР; ТАВОТ | 1 | |
| 128 | 8046951 | . ТРУБА | 1 | |
| 131 | M341245 | . БОЛТ; ГНЕЗДО | 2 | |
| 132 | M341260 | . БОЛТ; ГНЕЗДО | 2 | |
| 133 | A811035 | . КОЛЦЕОБРАЗНОЕ УПЛОТНЕНИЕ | 1 | |
| 138 | 3050114 | . СТРУБЦИНА | 1 | |
| 139 | 8046957 | . СТРУБЦИНА | 1 | |
| 143 | J011035 | . БОЛТ; SEMS | 2 | |
| 144 | 4194152 | . СТРУБЦИНА; ТРУБА | 1 | |
| 146 | J011025 | . БОЛТ; SEMS | 2 | |
| 200 | 9165336 | НАБОР; УПЛОТНЕНИЕ | 1 | |
| 200 | 9178294 | НАБОР; УПЛОТНЕНИЕ | 1 |
Преимущества
Сильная база данных номера детали.
Если вы можете подать правые модель и номер детали, то мы можем поставить правый продукт.
Профессиональный и опытный продавец.
Наш основатель в это поле на больше чем 6 лет, с богатыми опытами.
Строгие и полные правила компании.
Мы попробуем наше самое лучшее для встречи срока поставки клиента. Перед доставкой, мы должны проверить номер детали или изображения продуктов по-одному, для того чтобы убеждаться что клиенты могут получить товары высококачественных и прав-количества.
Хорошая система управления.
Независимо от того, как большой или небольшой заказ, покуда клиенты сделают заказ заказ, мы обеспечит экспортировать обслуживания бесплатно.
Хорошая ориентация обслуживания.
Покуда требования к клиентов разумны, мы будем стремиться сделать их удовлетворяли.




вопросы и ответы
Что время гарантии продуктов?
Время гарантии 3/6 месяцев основанных на деталях деталя; мы не обеспечиваем время гарантии для первоначальных и используемых продуктов.
Что ваш срок поставки?
Вообще, мы аранжируем товары в течение 24 часов после вашей оплаты; если не в запасе, срок поставки будет becommunied заранее, обычно 3-7 дней.
Что ваши главные продукты?
Мы специализированы в запасных частях для гидравлической системы экскаватора, как мотор перемещения, мотор качания, коробка передач перемещения, коробка передач качания, части шестерни, гидронасос, гидравлические части, etc. если вам нужны другие части, то экскаватора, мы также можем поставить как ваши требования.
Как могу я сделать если что-то неправильно с товарами?
Во первых на всех, мы имеем доверие в качестве наших продуктов, если вы действительно нашли что-то неправильно, то пожалуйста обеспечиваем изображения или видео для нас и нас проверит. После того как подтвержено, пожалуйста возвратите товары в нас и мы предложим правильный деталь.
Как я оплачиваю?
Вы можете оплатить обеспечением торговлей T/T, PayPal (для небольшого количества) и .