гидронасос гидронасоса k3v180dt K3V180 31N9-10010-11 31NA-10020 R375-7 K3V180 31N9-10010-11 31NA-10020
Характер продукции
| Имя части | Части экскаватора Crawler | 
| Бренд | Belparts | 
| Условие | New/RENEW/OEM | 
| Упаковка | Стандартные экспортируя деревянная коробка/коробка | 
| Доставка | Морским путем, воздух, срочный (DHL, Federal Express, TNT, UPS, EMS) | 
| Оплата | T/T, западное соединение | 
| MOQ | 1 часть | 


НАСОС 31NA-10020 неподдельный, новые части Hyundai HCE покупки ГЛАВНЫЙ трактора вторичного рынка с доставкой

ЭКСКАВАТОР R370LC7 Hyundai CRAWLER 7-SERIES
Каталог деталей Hyundai HCE
R370LC-7
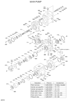
| Pos. | Номер детали | Qty | Имя частей | Комментарии | 
|---|---|---|---|---|
| *. | 31NA-10020 | [1] | ГЛАВНЫЙ НАСОС | ТИП 1 | 
| *. | 31NA-10021 | [1] | ГЛАВНЫЙ НАСОС | ТИП 2 | 
| *-1. | @ | [1] | ОСНОВНОЙ БЛОК НАСОСА | 
 | 
| 111. | XJBN-00998 | [1] | ВАЛ (F) - ПРИВОД | 
 | 
| 113. | XJBN-00999 | [1] | ВАЛ (R) - ПРИВОД | 
 | 
| 114. | XJBN-01000 | [1] | ШЕСТЕРНЯ (1) | 
 | 
| 123. | XJBN-00571 | [2] | РОЛИК РОЛИКОПОДШИПНИКА | 
 | 
| 124. | XJBN-00978 | [2] | BEARING-NEEDLE | 
 | 
| 127. | XJBN-00019 | [3] | SPACER-BEARING | 
 | 
| NS141. | XJBN-00567 | [2] | BLOCK-CYLINDER | 
 | 
| NS151. | XJBN-00566 | [18] | ПОРШЕНЬ | 
 | 
| NS151. | XJBN-00681 | [18] | ПОРШЕНЬ | ТИП 2 | 
| NS152. | XJBN-00005 | [18] | БОТИНОК | 
 | 
| NS152. | XJBN-01385 | [18] | БОТИНОК | ТИП 2 | 
| 153. | XJBN-00020 | [2] | PLATE-SET | 
 | 
| 156. | XJBN-00564 | [2] | BUSHING-SPHERICAL | 
 | 
| 157. | XJBN-00541 | [18] | SPRING-CYLINDER | 
 | 
| 211. | XJBN-00023 | [2] | PLATE-SHOE | 
 | 
| S212. | XJBN-00012 | [2] | PLATE-SWASH | 
 | 
| S214. | XJBN-00013 | [2] | BUSHING-TILTING | 
 | 
| 251. | XJBN-00560 | [2] | SUPPORT-S.P. | 
 | 
| 261. | XJBN-00025 | [1] | КРЫШКА (FR) - УПЛОТНЕНИЕ | 
 | 
| 263. | XJBN-00979 | [1] | КРЫШКА (RR) - УПЛОТНЕНИЕ | 
 | 
| 271. | XJBN-00026 | [2] | CASING-PUMP | 
 | 
| 271. | XJBN-01386 | [2] | CASING-PUMP | ТИП 2 | 
| 312. | XJBN-01001 | [1] | BLOCK-VALVE | 
 | 
| S313. | XJBN-00557 | [1] | PLATE-VALVE (R) | 
 | 
| S314. | XJBN-00556 | [1] | PLATE-VALVE (L) | 
 | 
| 401. | XJBN-00028 | [8] | ВИНТ | 
 | 
| 406. | XJBN-00355 | [8] | ВИНТ | 
 | 
| 466. | XJBN-00356 | [2] | ШТЕПСЕЛЬНАЯ ВИЛКА | 
 | 
| 468. | XJBN-00357 | [4] | ШТЕПСЕЛЬНАЯ ВИЛКА | 
 | 
| 490. | XJBN-00032 | [27] | ШТЕПСЕЛЬНАЯ ВИЛКА | 
 | 
| 492. | XJBN-00234 | [12] | ШТЕПСЕЛЬНАЯ ВИЛКА | 
 | 
| NS531. | XJBN-00369 | [2] | PIN-TILTING | 
 | 
| 532. | XJBN-00033 | [2] | PISTON-SERVO | 
 | 
| 534. | XJBN-00034 | [2] | ЗАТВОР (L) | 
 | 
| 535. | XJBN-00035 | [2] | ЗАТВОРЫ | 
 | 
| NS541. | XJBN-00859 | [4] | МЕСТО | 
 | 
| NS543. | XJBN-00860 | [2] | ЗАТВОР | 
 | 
| NS544. | XJBN-01002 | [2] | ЗАТВОР (2) | 
 | 
| S545. | XJBN-00359 | [4] | BALL-STEEL | 
 | 
| NS548. | XJBN-00360 | [2] | PINFEED ЗАДНЯЯ ЧАСТЬ | 
 | 
| 702. | XJBN-00040 | [2] | КОЛЦЕОБРАЗНОЕ УПЛОТНЕНИЕ | 
 | 
| 710. | XJBN-00041 | [2] | КОЛЦЕОБРАЗНОЕ УПЛОТНЕНИЕ | 
 | 
| 714. | XJBN-01003 | [1] | КОЛЦЕОБРАЗНОЕ УПЛОТНЕНИЕ | 
 | 
| 717. | XJBN-00042 | [2] | КОЛЦЕОБРАЗНОЕ УПЛОТНЕНИЕ | 
 | 
| 719. | XJBN-00043 | [2] | КОЛЦЕОБРАЗНОЕ УПЛОТНЕНИЕ | 
 | 
| 724. | XJBN-00361 | [16] | КОЛЦЕОБРАЗНОЕ УПЛОТНЕНИЕ | 
 | 
| 725. | XJBN-00362 | [6] | КОЛЦЕОБРАЗНОЕ УПЛОТНЕНИЕ | 
 | 
| 728. | XJBN-00363 | [4] | КОЛЦЕОБРАЗНОЕ УПЛОТНЕНИЕ | 
 | 
| 732. | XJBN-00047 | [2] | КОЛЦЕОБРАЗНОЕ УПЛОТНЕНИЕ | 
 | 
| 774. | XJBN-00906 | [1] | SEAL-OIL | 
 | 
| 774. | XJBN-01595 | [1] | SEAL-OIL | ТИП 2 | 
| 789. | XJBN-00049 | [2] | КОЛЬЦО-НАЗАД ВВЕРХ | 
 | 
| 792. | XJBN-00050 | [2] | КОЛЬЦО-НАЗАД ВВЕРХ | 
 | 
| 808. | XJBN-00364 | [4] | ГАЙКА | 
 | 
| 824. | XJBN-00052 | [2] | RING-SNAP | 
 | 
| 885. | XJBN-00053 | [2] | PIN-2 | 
 | 
| 886. | XJBN-00365 | [4] | PIN-SPRING | 
 | 
| 901. | XJBN-00055 | [2] | BOLT-EYE | 
 | 
| 953. | XJBN-00056 | [2] | SCREW-SET | 
 | 
| 954. | XJBN-00057 | [2] | SCREW-SET | 
 | 
| 981. | XJBN-00156 | [1] | ИМЕННАЯ ТАБЛИЧКА | 
 | 
| 983. | XJBN-00341 | [2] | PIN | 
 | 
| *-2. | XJBN-01004 | [2] | РЕГУЛЯТОР | СМ. 4020 | 
| *-3. | XJBN-01005 | [1] | НАСОС С ЗУБЧАТОЙ ПЕРЕДАЧЕЙ | СМ. 4030 | 
| *-4. | XJBN-00014 | [1] | ASSY КЛАПАНА EPPR | СМ. 4040 | 
| *-5. | XJBN-01006 | [1] | БЛОК PTO | 
 | 
| 5-1. | XJBN-01007 | [8] | SCREW-HEX | 
 | 
| 5-2. | XJBN-00031 | [1] | ШТЕПСЕЛЬНАЯ ВИЛКА | 
 | 
| 5-3. | XJBN-01008 | [1] | КОЛЦЕОБРАЗНОЕ УПЛОТНЕНИЕ | 
 | 
| 5-4. | XJBN-00046 | [1] | КОЛЦЕОБРАЗНОЕ УПЛОТНЕНИЕ | 
 | 
| S011. | XJBN-00563 | [2] | ASSY ПОРШЕНЯ | СМ. ILLUST | 
| S011. | XJBN-01382 | [2] | ASSY ПОРШЕНЯ | ТИП 2 | 
| S013. | XJBN-00562 | [1] | ЦИЛИНДР ASSY-RH | СМ. ILLUST | 
| S014. | XJBN-00561 | [1] | ЦИЛИНДР ASSY-LH | СМ. ILLUST | 
| S030. | XJBN-00011 | [2] | ASSY SWASH ПЛИТЫ | СМ. ILLUST | 
| S041. | XJBN-00072 | [2] | ASSY 1 ЗАДЕРЖИВАЮЩЕГО КЛАПАНА | СМ. ILLUST | 
| S042. | XJBN-01009 | [2] | ASSY 3 ЗАДЕРЖИВАЮЩЕГО КЛАПАНА | СМ. ILLUST | 
| S530. | XJBN-00371 | [2] | ОПРОКИДЫВАТЬ ASSY PIN ПОД | СМ. ILLUST | 
Почему выберите нас







