Коробка передач коробки передач R150-9 R145CR-9 R140LC-9 Hyundai перемещения экскаватора XKAH-01458
Коробка передач перемещения R150-9 R145CR-9 R140LC-9 часть экскаватора. Номер детали коробки передач перемещения XKAH-01458. Цвет коробки передач перемещения небесно-голубое. Мы можем обеспечить бренд Китая и бренд Handok. Клиенты могут выбрать одно на их воле.
Параметры вам нужно отправить
1. Старые изображение и номер детали вашего продукта
2. Тип уменьшения качания
Мы имеем коробку передач фирменного наименования выше
Мы имеем бренд , KOMATSU, Хитачи, daewoo, бренд Hyundai, независимо от того, как, мы попробуем найти известный бренд вы потребность

| Применение | Экскаватор |
| Имя части | Уменьшение перемещения |
| Материал | Сталь |
| Модель | R150-9 R145CR-9 R140LC-9 |
| MOQ | 1PC |
| Гарантия | 6 месяцев |
| Условие оплаты | T/T, западное соединение, PayPal |
| Доставка | 2 дня после того как полученная оплата |
| Пересылка | морским путем, самолетом, срочным или по мере необходимости |


| # | Номер детали | Имя части | Qty. | Запрос цены |
|---|---|---|---|---|
| * | @ | ТРУБА & СОПЛО СИСТЕМЫ ПОДАЧИ ТОПЛИВА СМ. 4140 |
1 | |
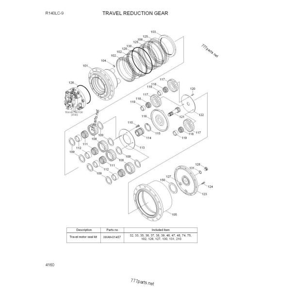
| *-4 | XKAH-01458 | ШЕСТЕРНЯ УМЕНЬШЕНИЯ ПЕРЕМЕЩЕНИЯ | 1 | |
| 101 | XKAH-01203 | ШПИНДЕЛЬ | 1 | |
| K102 | XKAH-01205 | SEAL-FLOATING | 2 | |
| 103 | XKAH-01210 | КОЛЬЦО ГАЙКИ | 1 | |
| 104 | XKAH-00818 | PLUG-PT | 3 | |
| 105 | XKAH-01204 | ЭПИЦЕНТР ДЕЯТЕЛЬНОСТИ | 1 | |
| 106 | XKAH-01209 | ПРУЖИННОЕ КОЛЬЦО | 1 | |
| 108 | XKAH-01212 | ШЕСТЕРНЯ (F) - ПЛАНЕТАРНЫЙ | 4 | |
| 109 | XKAH-01211 | WASHER-THRUST | 8 | |
| 110 | XKAH-01216 | ВИНТ | 4 | |
| 111 | XKAH-01213 | BEARING-NEEDLE | 4 | |
| 112 | XKAH-01214 | ВОРОТНИК | 4 | |
| 113 | XKAH-01215 | ПЛИТА (F) - ТЯГА | 1 | |
| 114 | XKAH-01217 | GEAR-SUN | 1 | |
| 115 | XKAH-01218 | RING-SNAP | 1 | |
| 116 | XKAH-01219 | ДЕРЖАТЕЛЬ | 1 | |
| 117 | XKAH-01220 | ШЕСТЕРНЯ (R) - ПЛАНЕТАРНЫЙ | 3 | |
| 118 | XKAH-01221 | BEARING-NEEDLE | 3 | |
| 119 | XKAH-01222 | RACE-INNER | 3 | |
| 120 | XKAH-00137 | PIN-SPRING | 3 | |
| 121 | XKAH-01224 | ЗУБЧАТАЯ ПЕРЕДАЧА | 1 | |
| 122 | XKAH-01223 | ПЛИТА (R) - ТЯГА | 1 | |
| 123 | XKAH-01225 | КРЫШКА | 1 | |
| 124 | XKAH-01227 | БОЛТ SCKET | 12 | |
| 125 | XKAH-01208 | BEARING-ANGULAR | 2 | |
| K126 | XKAH-01226 | КОЛЦЕОБРАЗНОЕ УПЛОТНЕНИЕ | 1 | |
| K127 | XKAH-01115 | ШАЙБА ТЯГИ (M) | 1 | |
| 128 | XKAH-00058 | ШТЕПСЕЛЬНАЯ ВИЛКА | 3 | |
| 129 | XKAH-01206 | КОЛЬЦО УПЛОТНЕНИЯ | 1 | |
| K130 | XKAH-01207 | КОЛЦЕОБРАЗНОЕ УПЛОТНЕНИЕ | 1 | |
| K131 | XKAH-00326 | КОЛЦЕОБРАЗНОЕ УПЛОТНЕНИЕ | 3 | |
| 150 | XKAH-00344 | PLATE-THRUST | 1 |
1. Доставка быстра
2. Задушевное обслуживание
3. Небольшой заказ позволил
4. Умеренная цена & высококачественное
5. Наш основатель в это поле на больше чем 7 лет, с богатыми опытами.
Мы можем поставить огромный запас для частей экскаватора запасных (различных брендов):
Машинные части: подшипники наборов, главных & жулика вкладыша поршеня штанги, клапаны, наборы набивкой цилиндра, плунжер/нагнетающий клапан/сопло,
цилиндровый блок, головка цилиндра, кривошин, камшафт, начиная мотор, масло/вода/насос подпитки, лопатка вентилятора, турбонагнетатель,
термостат и так далее.
Гидравлические части: assy гидронасоса, части гидронасоса (assy блока, клапан плиты, стопорное устройство проводника, ботинок стопорного устройства, assy поршеня под, assy вашгерда -- вашгерд, коромысло кулачка),
мотор качания, машинное оборудование качания, круг качания, клапан основного управляющего воздействия, мотор перемещения,
цилиндр заграждения, цилиндр руки, цилиндр ведра и так далее.
1. Если я только знаю модель экскаватора, но не могу предложить но. частей, то чего должен я сделать?
Если возможный, вы можете отправить нами изображения старых продуктов, nameplate или размера для ссылки.
2. Что гарантия частей после того как я купил?
Гарантия 6/12 месяцев основанных на деталях деталя.
3. Как могу я оплатить заказ?
Мы можем получить оплату через T/T, западное соединение, PayPal (для небольшого количества), обеспечение торговлей .
4. Когда получит детали после того как я сделайте заказ заказ?
Как только ваша оплата подтвержена, мы аранжируем товары в течение 24 часов; если не в запасе, мы сообщим вас перед делать заказ заказ.
5. Как могу я сделать если что-то неправильно с деталями?
Прежде всего, я имею доверие в качестве наших продуктов, если вы действительно нашли что-то неправильно, то pls обеспечиваю изображения для нас и мы проверим. После того как будет подтвержено, pls возвратить в нас, мы предложим правильный деталь.
6. Что ваши главные продукты?
Мы специализированы в частях экскаватора запасных, как y/parts коробки передач/ишаков мотора перемещения, y/motor/parts коробки передач качания/ишаков, assy гидронасоса/части и части шестерни. Если вам нужны другие части экскаватора, то мы также можем поставить как ваши требования.


