Соленоид стопа 24в переключателя 3864274 фламоут частей экскаватора Белпарц Р140ЛК-7 Р210ЛК-7 Р200В-7 электрический
Характер продукции
| Название продукта | соленоид стопа 3864274 24в 
 | 
| Место происхождения: | Китай (материк) 
 | 
| Модель: | Р140ЛК-7 Р210ЛК-7 Р200В-7 
 | 
| Номер детали: | 
 3864274 | 
| МОК: | 1 ПКС 
 | 
| Условие оплаты: | Т/Т & западные соединение & ПайПал 
 | 
| Срок поставки: | В течение 2 дней после получать оплату 
 | 
| Паковать: | Стандартная экспортируя упаковка или по мере необходимости 
 | 

Покажите больше схем: 6
Р140ЛК-7; Р210ЛК-7; Р210НЛК-7; Р210ЛК-7 (#98001-); Р220ЛК-7;
Р140В-7; Р200В-7;
| Модель | Узел раздела | 
|---|---|
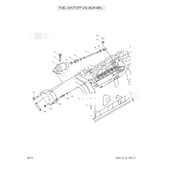
| Р140ЛК-7 | ДВИГАТЕЛЬ (#1495-)/ЗАПОРНЫЙ КЛАПАН ТОПЛИВА (#1495-) | 
| Р140В-7 | ОСНОВАНИЕ МАШИНЫ (ВСТРОЕННОЕ)/ЗАПОРНЫЙ КЛАПАН ТОПЛИВА (#0072-) | 
| Р200В-7 | СОЛЕНОИД ВЫКЛЮЧЕНИЯ ОСНОВАНИЯ МАШИНЫ/ТОПЛИВА | 
| Р210ЛК-7 | ЗАПОРНЫЙ КЛАПАН ОСНОВАНИЯ МАШИНЫ/ТОПЛИВА (#1349-) | 
| Р210НЛК-7 | ЗАПОРНЫЙ КЛАПАН ОСНОВАНИЯ МАШИНЫ/ТОПЛИВА (#0048-) | 
| Р210ЛК-7 (#98001-) | ЗАПОРНЫЙ КЛАПАН ОСНОВАНИЯ МАШИНЫ/ТОПЛИВА | 
| Р220ЛК-7 | ЗАПОРНЫЙ КЛАПАН ОСНОВАНИЯ МАШИНЫ/ТОПЛИВА | 



Наши преимущества
Сильная база данных номера детали. Если вы можете подать правые модель и номер детали, то мы можем поставить правый продукт.
Профессиональный и опытный продавец. Наш основатель в это поле на больше чем 6 лет, с богатыми опытами.
Строгие и полные правила компании. Мы попробуем наше самое лучшее для встречи срока поставки клиента. Перед доставкой, мы должны проверить номер детали или изображения продуктов по-одному, для того чтобы убеждаться что клиенты могут получить товары высококачественных и прав-количества.
Хорошая система управления. Независимо от того, как большой или небольшой заказ, покуда клиенты сделают заказ заказ, мы обеспечит экспортировать обслуживания бесплатно.
Хорошая ориентация обслуживания. Покуда требования к клиентов разумны, мы будем стремиться сделать их удовлетворенной.
вопросы и ответы
1. Если я только знаю модель экскаватора, но не могу предложить но. частей, то чего должен я сделать?
 Если возможный, вы можете отправить нами изображения старых продуктов, намеплате или размера для ссылки.
2. Что гарантия частей после того как я купил?
 Гарантия 6/12 месяцев основанных на деталях деталя.
3. Как могу я оплатить заказ?
 Мы можем получить оплату через Т/Т, западное соединение, ПайПал (для небольшого количества), обеспечение Алибаба торговое.
4. Когда получат, что детали после того как я сделал заказ заказ?
 Как только ваша оплата подтвержена, мы аранжируем товары в течение 24 часов; если не в запасе, мы сообщим вас перед делать заказ заказ.
5. Как могу я сделать если что-то неправильно с деталями?
 Прежде всего, я имею доверие в качестве наших продуктов, если вы действительно нашли что-то неправильно, то пльс обеспечиваю изображения для нас и мы проверим. После того как подтвержено, пльс возвращают в нас, мы предложат правильный деталь.
6. Что ваши главные продукты?
 Мы специализированы в частях экскаватора запасных, как ы/парц коробки передач/ишаков мотора перемещения, ы/мотор/парц коробки передач качания/ишаков, ассы гидронасоса/части и части шестерни. Если вам нужны другие части экскаватора, то мы также можем поставить как ваши требования.