Части замышляют

Список запасных частей
| Pos. | Номер детали | Qty | Имя частей | Комментарии |
|---|---|---|---|---|
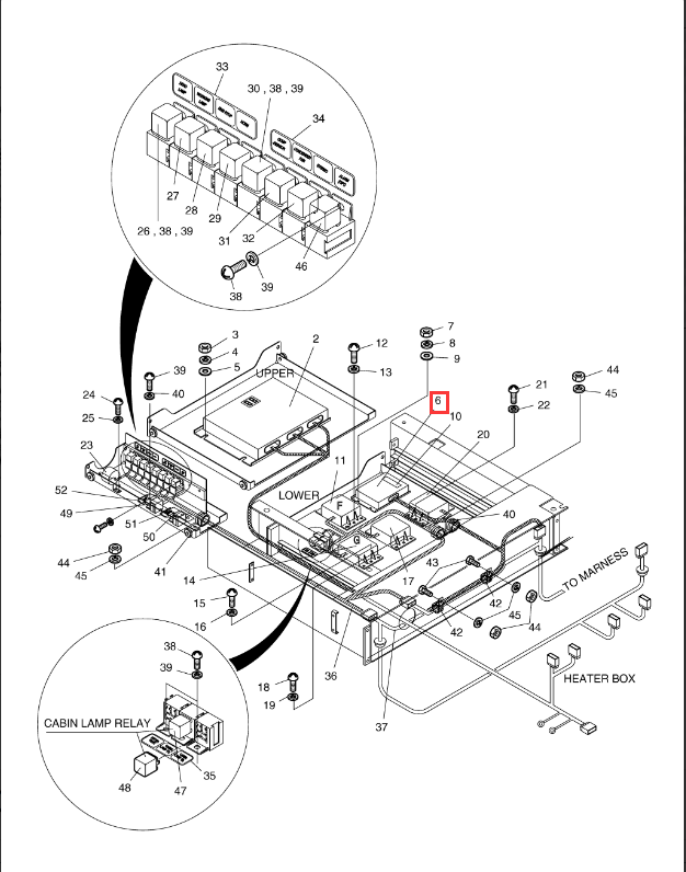
| -. | 500-00276A | [1] | ЭЛЕКТРИЧЕСКАЯ КОРОБКА ASS'Y | |
| 10. | 2190-3231D21 | [1] | ПЛИТА; ИМЯ | |
| 11. | 2543-9015 | [1] | РЕГУЛЯТОР; СТАРТЕР | |
| 12. | S3450943 | [2] | ВИНТ | |
| 13. | S5102303 | [2] | . ШАЙБА | |
| 14. | 2537-9008 | [1] | ТАЙМЕР; СЧИЩАТЕЛЬ | |
| 15. | S3450943 | [2] | ВИНТ | |
| 16. | S5102303 | [2] | . ШАЙБА | |
| 17. | 2531-1003 | [1] | КОНВЕРТЕР; DC-DC | |
| 18. | S3450953 | [2] | ВИНТ | |
| 19. | S5102303 | [2] | . ШАЙБА | |
| 2. | 543-00053B | [1] | РЕГУЛЯТОР; E-EPOS | |
| 20. | 2531-1003 | [1] | КОНВЕРТЕР; DC-DC | |
| 21. | S3450953 | [2] | ВИНТ | |
| 22. | S5102303 | [2] | . ШАЙБА | |
| 23. | 2516-1116 | [1] | ЗУММЕР | |
| 24. | S3450943 | [2] | ВИНТ | |
| 25. | S5102303 | [2] | . ШАЙБА | |
| 26. | 2544-9033 | [1] | РЕЛЕ | |
| 27. | 2544-9033 | [1] | РЕЛЕ | |
| 28. | 2544-9033 | [1] | РЕЛЕ | |
| 29. | 2544-9033 | [1] | РЕЛЕ | |
| 3. | S4012633 | [4] | ГАЙКА | |
| 30. | 2544-9033 | [1] | РЕЛЕ | |
| 31. | 2544-9033 | [1] | РЕЛЕ | |
| 32. | 2544-9033 | [1] | РЕЛЕ | |
| 33. | 2190-2037D19 | [1] | ПЛИТА; ИМЯ | |
| 34. | 2190-2037D20 | [1] | ПЛИТА; ИМЯ | |
| 35. | 2190-2037D56 | [1] | ПЛИТА; ИМЯ | |
| 36. | 530-00449 | [1] | ПРОВОДКА; ЭЛЕКТРИЧЕСКАЯ КОРОБКА | |
| 37. | 530-00450B | [1] | ПРОВОДКА; КАБИНА | |
| 38. | S3450823 | [5] | ВИНТ | |
| 39. | S5100203 | [5] | ШАЙБА | |
| 4. | S5102603 | [4] | . ШАЙБА | |
| 40. | 124-00208D3 | [2] | ЗАЖИМ | |
| 41. | 124-00208D5 | [1] | ЗАЖИМ | |
| 42. | 124-00208D6 | [2] | ЗАЖИМ | |
| 43. | S0508853 | [2] | . БОЛТ | |
| 44. | S4012533 | [4] | ГАЙКА | |
| 45. | S5102503 | [4] | . ШАЙБА | |
| 46. | 2544-9033 | [1] | РЕЛЕ | |
| 47. | 2544-9033 | [1] | РЕЛЕ | |
| 48. | 2544-9033 | [1] | РЕЛЕ | |
| 49. | 2544-9033 | [1] | РЕЛЕ | |
| 5. | S5010613 | [4] | ШАЙБА | |
| 50. | 2544-9033 | [1] | РЕЛЕ | |
| 51. | 2190-2037D30 | [1] | ПЛИТА; ИМЯ | |
| 52. | 2190-2037D38 | [1] | ПЛИТА; ИМЯ | |
| 6. | 543-00074 | [1] | РЕГУЛЯТОР; ДРОССЕЛЬ | |
| 7. | S4012333 | [4] | ГАЙКА | |
| 8. | S5102303 | [4] | . ШАЙБА | |
| 9. | S5010313 | [4] | ШАЙБА |
Характер продукции
| Применение Хитачи | Экскаватор для Doosan |
| Качество | Высокая гарантия |
| Модель | DX340 DX300 |
| Пакет | Стандартная упаковка на нормальном |
| Гарантия | 1 год |
| Условие оплаты | T/T, PayPal, обеспечение торговлей |
| Доставка | 2 дня после того как полученная оплата |
| Пересылка | морским путем, самолетом, срочным или по мере необходимости |
1 . Если я только знаю модель экскаватора, но не могу предложить но. частей, то чего должен я сделать?
Если возможный, вы можете отправить нами изображения старых продуктов, nameplate или размера для ссылки.
2 . Что гарантия частей после того как я купил?
Гарантия 6/12 месяцев основанных на деталях деталя. Неподдельные части мы не имеем гарантию ее, а как раз можем убеждаться что она 100% неподдельное.
3 . Как могу я оплатить заказ?
Вы можете закончить оплату T/T, западным соединением, PayPal etc.
4 . Когда получит детали после того как я сделайте заказ заказ?
Как только мы получили вашу оплату, мы аранжируем пересылку в течение 24 часов; если не имейте запас, то мы скажем вас перед оплатой.
5 . Как могу я сделать если что-то неправильно с деталями?
Прежде всего, я имею доверие в качестве наших продуктов, если вы действительно нашли что-то неправильно, то пожалуйста обеспечиваю изображения для нас и мы проверим. После того как будет подтвержено, пожалуйста возвращенный к нам, мы предложим правильный деталь.
6 . Что ваши главные продукты?
Наш продукт боли конечная передача, гидронасос, коробка передач качания, коробка передач перемещения, мотор качания, гидравлические части. Если вам нужны любые части для экскаватора crawler, то вы можете спросить нам тоже. Мы попробуем наше самое лучшее для того чтобы соотвествовать ваш.