Части замышляют

Список запасных частей
| Pos. | Номер детали | Qty | Имя частей | Комментарии |
|---|---|---|---|---|
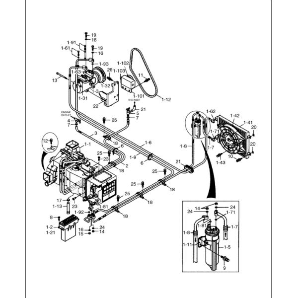
| 1. | 11LH-90022 | [1] | КОНДИЦИОНЕР | ASSY ДАЛЕКИХ И ПОДОГРЕВАТЕЛЯ |
| 1-1. | NSS | [1] | ПРОДАННОЕ SEPARAT | КОНДИЦИОНИРОВАНИЕ ВОЗДУХА ЖУЛИКА И БЛОК ПОДОГРЕВАТЕЛЯ |
| 1-2. | 11LB-90112 | [1] | КОНТРОЛЬ | ДАЛЕКИЙ ASSY |
| 1-21. | 11LB-90220 | [1] | ЭТИКЕТА | ДАЛЕКО |
| 1-3. | 11N6-90040 | [1] | КОМПРЕССОР | ДАЛЕКО ASSY, серийный ряд: -10171 |
| . . | 11N6-90040R | [1] | REMAN-COMPRESSOR | ДАЛЕКО 1221E, ЯРУС 3 (3/08-) |
| . . | 11N6-90040C | [1] | CORE-COMPRESSOR | ЗНАЧИТЕЛЬНО возвращенный номер |
| 1-3. | 11Q6-90040 | [1] | КОМПРЕССОР ВОЗДУХА | ДАЛЕКО, сериал начала: 10172 |
| 1-31. | 11IF-90230 | [1] | ПЕРЕКЛЮЧАТЕЛЬ | ЗНАЧИТЕЛЬНО ТЕРМАЛЬНЫЙ SW, COMP |
| 1-32. | 87742531 | [1] | МУФТА | ДАЛЕКО |
| 1-4. | 11LH-90090 | [1] | КОНДЕНСАТОР | ДАЛЕКОЕ COND И ASSY ВЕНТИЛЯТОРА Superseded номером детали: 11Q6-90071 |
| 1-41. | 87742532 | [1] | КОНДЕНСАТОР | ДАЛЕКО |
| 1-42. | 87742533 | [1] | ЭЛЕКТРИЧЕСКАЯ ВОЗДУХОДУВКА | ДАЛЕКИЙ ASSY |
| 1-42-1. | 87742534 | [1] | ВЕНТИЛЯТОР | ДАЛЕКИЕ ЛОПАТКИ ВЕНТИЛЯТОРА |
| 1-42-2. | 87700545 | [1] | ЭЛЕКТРИЧЕСКИЙ ДВИГАТЕЛЬ | ДАЛЕКИЙ ASSY |
| 1-42-3. | 87742535 | [1] | КОЖУХ | ДАЛЕКО |
| 1-43. | 87742526 | [4] | БОЛТ | ДАЛЕКОЕ W/WASHER |
| 1-5. | 11N6-90060 | [1] | RECEIVER-DRYER | ДАЛЕКО |
| 1-6. | 11LH-90042 | [1] | A/C ШЛАНГ | ДАЛЕКАЯ разрядка, серийный ряд: -10171 Superseded номером детали: 11LH-90043 |
| 1-6. | 11LH-90044 | [1] | A/C ШЛАНГ | ДАЛЕКАЯ разрядка, сериал начала: 10172 |
| 1-61. | 87742536 | [1] | КЛАПАН | ДАЛЕКИЙ ASSY ОБЯЗАННОСТИ, H |
| 1-62. | 87742537 | [1] | КОЛЦЕОБРАЗНОЕ УПЛОТНЕНИЕ | ДАЛЕКО |
| 1-63. | 87742538 | [1] | КОЛЦЕОБРАЗНОЕ УПЛОТНЕНИЕ | ДАЛЕКО |
| 1-7. | 11LH-90051 | [1] | ASSY ШЛАНГА. | ДАЛЕКОЕ A |
| 1-71. | 87742539 | [2] | КОЛЦЕОБРАЗНОЕ УПЛОТНЕНИЕ | ДАЛЕКО |
| 1-8. | 11LH-90061 | [1] | A/C ШЛАНГ | ДАЛЕКИЙ b Superseded номером детали: 11LH-90062 |
| 1-81. | 87742539 | [2] | КОЛЦЕОБРАЗНОЕ УПЛОТНЕНИЕ | ДАЛЕКО |
| 1-9. | 11LH-90072 | [1] | A/C ШЛАНГ | ДАЛЕКОЕ всасывание |
| 1-91. | 87742541 | [1] | КЛАПАН | ДАЛЕКИЙ ASSY ОБЯЗАННОСТИ, L |
| 1-92. | 87742537 | [1] | КОЛЦЕОБРАЗНОЕ УПЛОТНЕНИЕ | ДАЛЕКО |
| 1-93. | 87742544 | [1] | КОЛЦЕОБРАЗНОЕ УПЛОТНЕНИЕ | ДАЛЕКО |
| 1-10. | 11N6-90110 | [1] | ШКИВ | ДАЛЕКО БЕСПОЛЕЗНЫЙ |
| 1-101. | 87742545 | [1] | КРОНШТЕЙН | ДАЛЕКИЙ ШКИВ |
| 1-102. | 87742546 | [1] | ШКИВ | ДАЛЕКИЙ ASSY |
| 1-103. | 87742547 | [1] | БОЛТ | ДАЛЕКОЕ НАПРЯЖЕНИЕ |
| 1-11. | 11N6-90120 | [1] | КРОНШТЕЙН | ДАЛЕКОЕ R/DRIER |
| 1-12. | 14E7-01240 | [1] | ПОЯС | ДАЛЕКО AC, деталь ISL |
| 1-13. | 11EK-92130 | [1] | ШЛАНГ | ДАЛЕКИЙ сток |
| 2. | 1118-90111 | [1] | ШЛАНГ ПОДОГРЕВАТЕЛЯ | ДАЛЕКО |
| 3. | 1118-90121 | [1] | ШЛАНГ ПОДОГРЕВАТЕЛЯ | ДАЛЕКО |
| 4. | 11L7-90150 | [1] | КЛАПАН | ДАЛЕКИЙ ПОДОГРЕВАТЕЛЬ |
| 5. | 14L1-01370 | [1] | КЛАПАН | ДАЛЕКИЙ ПОДОГРЕВАТЕЛЬ |
| 6. | L11541 | [4] | СВЯЗЬ КАБЕЛЯ, 203.2mm l, нейлон | РЕМЕНЬ КАБЕЛЯ CAS Superseded номером детали: 87000312 |
| 7. | 214-1412 | [4] | ЗАЖИМ ДЛЯ РЕЗИНОВОЙ ТРУБЫ, #12, 0,69" - 1,25», тип червь f | CAS Superseded номером детали: 87779385, 86625021 |
| 8. | S131-052046 | [4] | ПЛЕНЕННЫЙ ВИНТ ШАЙБЫ | ДАЛЕКОЕ W/WASHER |
| 9. | 627-6016 | [2] | БОЛТ, наговор, M6 x 1 x 16mm, Cl 10,9, полное Thd | CAS Superseded номером детали: 86639037 |
| 9. | 896-11006 | [2] | ШАЙБА, ID x 12.5mm OD x 2mm Thk 6.6mm | IH Superseded номером детали: 87778338, 86588450 |
| 9. | 892-11006 | [2] | ПРУЖИННАЯ ШАЙБА, M6 | CAS Superseded номером детали: 86517328 |
| 10. | 627-8030 | [4] | БОЛТ, наговор, M8 x 1,25 x 30mm, Cl 10,9, полное Thd | CAS Superseded номером детали: 43235 |
| 10. | 896-11008 | [4] | ШАЙБА, ID x 17mm OD x 2mm Thk 9mm | CAS Superseded номером детали: 86624185 |
| 10. | 892-11008 | [4] | ПРУЖИННАЯ ШАЙБА, ID 8mm | IH Superseded номером детали: 72187304, 83990583 |
| 11. | 627-10025 | [3] | БОЛТ, наговор, M10 x 1,5 x 25mm, Cl 10,9, полное Thd | CAS Superseded номером детали: 11106231 |
| 11. | 896-11010 | [3] | ШАЙБА, ID x 21mm OD x 2.5mm Thk 11mm | CAS Superseded номером детали: 86625252 |
| 11. | 892-11010 | [3] | ПРУЖИННАЯ ШАЙБА, M10 | CAS Superseded номером детали: 140028 |
| 12. | 43258 | [4] | БОЛТ, наговор, M12 x 1,75 x 20mm, Cl 10,9, полное Thd | ДАЛЕКО |
| 12. | 896-11012 | [4] | ШАЙБА, ID x 24mm OD x 3mm Thk 13.5mm | CAS Superseded номером детали: 86625255 |
| 13. | S109-080956 | [3] | БОЛТ | ДАЛЕКОЕ ГНЕЗДО |
| 14. | 829-1406 | [3] | ГАЙКА, наговор, M6 x 1, Cl 10,9 | CAS Superseded номером детали: 87778396, 86500688 |
| 15. | 829-1408 | [1] | ГАЙКА, наговор, M8 x 1,25, Cl 10,9 | CAS Superseded номером детали: 87778059, 43362 |
| 16. | 895-11008 | [3] | ШАЙБА, ID x 16mm OD x 1.6mm Thk 9mm | CAS Superseded номером детали: 86624184 |
| 17. | 214-1406 | [1] | ЗАЖИМ ДЛЯ РЕЗИНОВОЙ ТРУБЫ, #06, 0,44" - 0,78", тип червь f | CAS Superseded номером детали: 244358 |
| 18. | 31L6-02470 | [5] | СТРУБЦИНА | ДАЛЕКО |
| 19. | 627-8030 | [2] | БОЛТ, наговор, M8 x 1,25 x 30mm, Cl 10,9, полное Thd | CAS Superseded номером детали: 43235 |
| 20. | 14L3-00741 | [4] | АМОРТИЗАТОР | ДАЛЕКО ЖИЗНЕРАДОСТНЫЙ |
| 21. | 21L1-4006 | [1] | ПЕРЕХОДНИК | ДАЛЕКО |
| 22. | 11LH-90082 | [1] | КРОНШТЕЙН | ДАЛЕКО с a |
| 23. | S151-040156 | [4] | ВИНТ | ДАЛЕКО ВЫСТУКИВАЮЩ; Заменяет S152-040126 |
| 24. | 895-11006 | [3] | ШАЙБА, ID x 12mm OD x 1.6mm Thk 6.6mm | CAS Superseded номером детали: 86588450 |
| 25. | 627-8016 | [5] | БОЛТ, наговор, M8 x 1,25 x 16mm, Cl 10,9, полное Thd | CAS Superseded номером детали: 16043231 |
| 25. | 896-11008 | [5] | ШАЙБА, ID x 17mm OD x 2mm Thk 9mm | CAS Superseded номером детали: 86624185 |
| 25. | 892-11008 | [5] | ПРУЖИННАЯ ШАЙБА, ID 8mm | IH Superseded номером детали: 72187304, 83990583 |
| 26. | 627-10030 | [4] | БОЛТ, наговор, M10 x 1,5 x 30mm, Cl 10,9, полное Thd | CAS Superseded номером детали: 9515003 |
| 26. | 896-11010 | [4] | ШАЙБА, ID x 21mm OD x 2.5mm Thk 11mm | CAS Superseded номером детали: 86625252 |
| 26. | 892-11010 | [4] | ПРУЖИННАЯ ШАЙБА, M10 | CAS Superseded номером детали: 140028 |
Детали продукта
| Название продукта | A/C assy компрессора |
| Номер детали | 11Q6-90040 |
| Модель | R-9 R210-7 R210LC-7 |
| Группа категории | Части машинного оборудования HYUNDAI запасные |
| MOQ | 1 PCS |
| Гарантия | 6 месяцев |
| Условие оплаты | T/T, PAYPAL, обеспечение торговлей |
| Срок поставки | через 1-5 дней после получать оплату |
| Упаковка | Как запрос или стандартная упаковка |
| Середины перехода | Морским путем/воздух, UPS TNT EMS DHL FEDERAL EXPRESS |
WhatsApp: +86 18998455434
rayhan@belparts-china.com
вопросы и ответы
| 1. Вы tranding компания или изготовитель? |
| Мы оптовик в нашем внутреннем рынке, и мы имеем богатый опыт в запасных частях |
| 2. Как могу я оплатить для частей? |
| Мы отправим вас для того чтобы выставлять счет как только вы подтверждаете заказ, мы предлагаем телеграфный перевод, PayPal, западный, соединение, торговое обслуживание обеспечения |
| 3. Как о сроке поставки? |
| Мы имеем достаточный запас для каждого перечисленного деталя в нашем вебсайте, в случае если, наш коллега, сообщит вас перед заказом |
| 4. Если я не удовлетворялся с продуктами, то могу я возвратить товары? |
| Да, прежде чем мы отправим части, мы отправим вас фото позволяют вам подтвердить, также, нас предлагаем обменянный и подача ремонта во время гарантии пожалуйста свяжется мы перед возвращением |
| 5. Что ваши главные продукты? |
| Наши главные продукты конечная передача, гидронасос, коробка передач качания, коробка передач перемещения, мотор качания, гидравлические части если вам нужны любые части для экскаватора, то crawler, вы могут отправить его в нас. Мы попробуем наше самое лучшее для обнаружения частей что вам нужно. |