Схемы запасной части 306-5730

Компоситы запасной части 306-5730
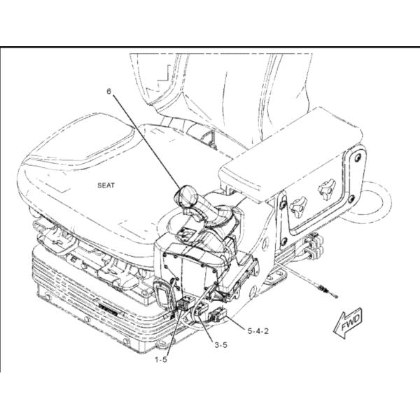
| Pos. | Номер детали | Qty | Имя частей | Примечание | 
|---|---|---|---|---|
| 1. | 260-6727 | [1] | ШТЕПСЕЛЬНАЯ РОЗЕТКА КАК | |
| 2. | 281-3136 | [1] | ШТЕПСЕЛЬНАЯ РОЗЕТКА AS-CONNECTOR (6-PIN) | |
| 3. | 261-0525 | [1] | ШТЕПСЕЛЬНАЯ РОЗЕТКА AS-CONNECTOR (4-PIN) | |
| 4. | 169-0705 | [1] | УПЛОТНЕНИЕ | |
| 5. | 9X-3401 | [17] | КОНТАКТНЫЙ РАЗЪЕМ (16-GA К 18-GA) | |
| 6. | 306-5730 | [1] | KIT-JOYSTICK | |
| (ВКЛЮЧАЕТ ВИНТ, КРЫШКУ & РУЧКУ) | ||||







Преимущества
1. Части экскаватора запасные в натуральную величину доступны;
2,100% проверка качества, превращаются и изготовляются для следования оригинала одни;
3. Быстрый ответ в течение 24 часов;
4. Небольшой заказ позволил;
5. Разумный запас и своевременная доставка;
6. Первоначальная упаковка, нейтральная упаковка или подгонянная упаковка;
7. Положительная обратная связь с клиентом от за рубежом рынка;
8. Превосходное послепродажное обслуживание.
вопросы и ответы
1. Вы имеете вашу собственную фабрику? Можем мы иметь посещение?
Совершенно, вы всегда радушны для посещения нашей фабрики
2. Как вы контролируете качество продуктов?
Наша фабрика была получена СЕРТИФИКАТУ IS09001, каждое processof продукция строго проконтролировано, и продукты aall будут проверены QC перед пересылкой
3. Сколько времени период гарантии?
1 ды, другой поставщик только обеспечить 3 месяца
4. Можем мы напечатать нашу ложу компании на продуктах и пакете?
Да, купите quanlity заказа требует, и нам нужно предложить утверждение товарного знака к нам
5. Как о сроке поставки?
Мы имеем достаточный запас для каждого деталя перечислили наш вебсайт, в случае если, наше colleage сообщит вас перед заказом