| Имя запасных частей экскаватора | КОРПУС ДВИГАТЕЛЯ YANMAR |
| Образец техники | 4TNV94 98 |
| Категория частей | части ДВИГАТЕЛЯ экскаватора запасные |
| Запасные части подготовляют | Совершенно новый |
| MOQ заказа (PCS, НАБОР) | 1 |
| Наличие частей | В запасе |
| Время выполнения доставки | 1-3 дней |
Части смогли быть приложены к внизу моделям:
СОЛНЕЧНАЯ ПОЛОЖИТЕЛЬНАЯ ВЕЛИЧИНА 55-V ДРУГОЕ: DOOSAN-DAEWOO (ТЕПЕРЬ НАГРУЖАЯ БАЗА ДАННЫХ)
ЦИЛИНДРОВЫЙ БЛОК «729906-01560
СОЛНЕЧНАЯ ПОЛОЖИТЕЛЬНАЯ ВЕЛИЧИНА 55W-V ДРУГОЕ: DOOSAN-DAEWOO (ТЕПЕРЬ НАГРУЖАЯ БАЗА ДАННЫХ)
ЦИЛИНДРОВЫЙ БЛОК «729906-01560
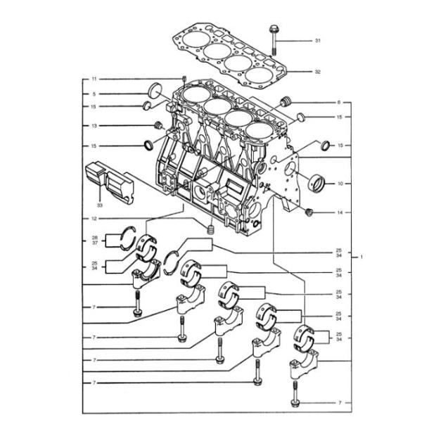
диаграмма частей:

1.729906-01560 [1] -
ЦИЛИНДРОВЫЙ БЛОК ASS'Y.
10.129900-02410 [1] -
БУШ; КАМШАФТ.
11.22351-060012 [2] -
PIN; ВЕСНА.
12.23876-030000 [1] -
.
13.23876-030000 [1] -
.
14.23876-030000 [1] -
ШТЕПСЕЛЬНАЯ ВИЛКА PT3/8.
15.27241-300000 [8] -
ШТЕПСЕЛЬНАЯ ВИЛКА 30
25.729900-02800 [5] -
НОСИТЬ НАБОР; ОСНОВА (STD).
28.129900-02930 [2] -
ТОЛКНУТОЕ НОСЯ ASS'Y
31.129900-01200 [18] -
БОЛТ; ГОЛОВА
32.129906-01340 [1] -
НАБИВКА; ГОЛОВКА ЦИЛИНДРА.
33.129907-01190 [1] -
ПРОКЛАДКА.
34.129900-02340 [5] -
МЕТАЛЛ; ОСНОВА (0,25)
37.129900-02940 [2] -
МЕТАЛЛ; ТОЛКНИТЕ (0,25).
5.129900-01250 [1] -
ШТЕПСЕЛЬНАЯ ВИЛКА 55.
6.171051-01921 [1] -
ШТЕПСЕЛЬНАЯ ВИЛКА
7.129900-02020 [10] -
БОЛТ.