- 230-2934 шланг турбонагнетателя соединяясь используемый для машинных частей экскаватора КАТ 330Д 336Д 586К К9
Шланг можно использовать для внизу моделей
ТРАКТОР СЛ500001-УП ПРЭП МЕСТА 586К (МАШИНА) ПРИВЕДЕННЫЙ в действие двигателем К9
389-3026: ЛИНИИ ШЛАНГ СЭБП51560054 ГП-КООЛИНГ «230-2934
330Д л мобильный гидравлический источник питания Д3Д00001-УП (МАШИНА) ПРИВЕДЕННЫЙ в действие двигателем К9
230-2898: ЛИНИИ ШЛАНГ СЭБП49110152 ГП-АИР «230-2934
330Д л мобильный гидравлический источник питания Х3Д00001-УП (МАШИНА) ПРИВЕДЕННЫЙ в действие двигателем К9
230-2898: ЛИНИИ ШЛАНГ СЭБП52140122 ГП-АИР «230-2934
330Д &330Д л экскаваторы ЭДС00001-УП (МАШИНА) ПРИВЕДЕННЫЕ в действие двигателем К9
230-2898: ЛИНИИ ШЛАНГ СЭБП41390123 ГП-АИР «230-2934
330Д Л экскаватор ГГЭ00001-УП &330Д н гидравлический (МАШИНА) ПРИВЕДЕННЫЙ в действие двигателем К-9
230-2898: ЛИНИИ ШЛАНГ СЭБП44390095 ГП-АИР «230-2934
материальный обработчик 330Д (ХКР &ФКР) К5К00001-УП (МАШИНА) ПРИВЕДЕННЫЙ в действие двигателем К9
230-2898: ЛИНИИ ШЛАНГ СЭБП44890120 ГП-АИР «230-2934
330Д л экскаватор МВП00001-УП (МАШИНА) ПРИВЕДЕННЫЙ в действие двигателем К9
230-2898: ЛИНИИ ШЛАНГ СЭБП45140098 ГП-АИР «230-2934

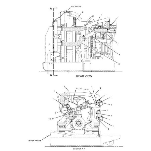
1.144-0367 [12] -
КЛАМП-ХОСЭ.
2.230-2933 [1] -
ШЛАНГ.
3.230-2934 [1] -
ШЛАНГ.
4.230-2935 [1] -
ТРУБКА КАК.
5.230-2939 [1] -
КРОНШТЕЙН.
6.230-2940 [1] -
ШЛАНГ.
7.230-2941 [1] -
ШЛАНГ.
8.230-2942 [1] -
ТРУБКА КАК.
9.265-3561 [1] -
УПЛОТНЕНИЕ.
10.8Т-4121 [7] -
ВАСХЭР-ХАРД (11С21С2.5-ММ ТХК)
11.8Т-4136 м [7] -
БОЛТ (М10С1.5С25-ММ)