| Имя запасных частей экскаватора | ядр подогревателя |
| Образец техники | CAT 312D 315D 320D 325D 330D 345D |
| Категория частей | Части экскаватора запасные |
| Запасные части подготовляют | Совершенно новый |
| MOQ заказа (PCS, НАБОР) | 1 |
| Наличие частей | В запасе |
| Время выполнения доставки | 1-3 дней |
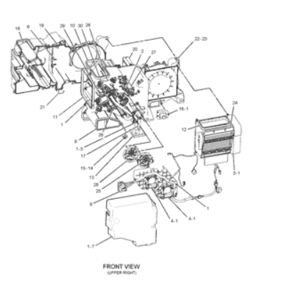
ЭКСКАВАТОР 311D LRR 311F LRR 312D 312D L ОБЩЕЕ РУКОВОДСТВО 312D2 L 313D 313D2 313D2 LGP 315D L 318D L 318D2 L 319D 319D L ОБЩЕЕ РУКОВОДСТВО 320D L ОБЩЕЕ РУКОВОДСТВО 320D2 L 323D L 323D SA 323D2 L 324D 324D L 324D LN 325D 325D L 325D MH 326D L 328D LCR 329D 329D L 329D LN 330D 330D L 330D LN 330D MH 336D 336D L 336D LN 336D2 336D2 L 340D L 340D2 L 345C 345C L 345C MH 345D 345D L 345D L VG 349D 349D L 365C 365C L 365C L MH 374D L 385C 385C FS 312D2 312D2 319D LN 320D 320D FM 320D FM RR 320D 320D LN 320D LRR 320D RR 320D2 320D2 323D LN 385C L 385C L MH 390D 390D L M325D L MH M325D MH
ПЕРЕДНИЙ ЛОПАТКОУЛАВЛИВАТЕЛЬ 385C
МАТЕРИАЛЬНЫЙ ОБРАБОТЧИК MH3037 MH3049 MH3059
МИНИ ЭКСКАВАТОР 307D HYD
МОБИЛЬНЫЙ ИСТОЧНИК ПИТАНИЯ 323D L 323D LN 324D LN 325D 325D L 329D L 330D 330D L 336D L 345C L 349D L 365C L 385C 385C l HYD
КАТЯТ гусеница ЭКСКАВАТОРА M313D M315D M315D2 M316D M317D2 M318D M318D MH M322D M322D MH M330D W345C MH

| Pos. | Номер детали | Qty | Имя частей | Комментарии |
| 1 | 185-8300 | [35] | SCREW-TAPPING | |
| 2 | 185-8302 | [3] | SCREW-TAPPING | |
| 3 | 245-7812 y | [1] | РАСКВАРТИРОВЫВАЮЩ ПРОВОДНИК GP-AIR (ВОЗДУХ ВХОДА) | |
| 4 | 245-7817 | [2] | МОТОР КАК | |
| 5 | 245-7818 | [3] | ЗАЖИМ | |
| 6 | 245-7819 | [2] | ЗАЖИМ | |
| 7 | 245-7820 | [1] | COVER-FRONT | |
| 8 | 245-7821 | [1] | & ПРОВОДКИ AS-HEATER; КОНДИЦИОНИРОВАНИЕ ВОЗДУХА | |
| 9 | 245-7825 | [1] | ИЗОЛЯТОР | |
| 10 | 245-7826 | [1] | ИЗОЛЯТОР | |
| 11 | 245-7827 | [1] | ИЗОЛЯТОР | |
| 12 | 245-7828 | [1] | ИЗОЛЯТОР | |
| 13 | 245-7829 | [1] | УПАКОВКА | |
| 14 | 245-7830 | [1] | ЗАЖИМ | |
| 15 | 245-7831 | [1] | ДАТЧИК AS-TEMPERATURE (ХЛАДОАГЕНТ) | |
| 16 | 452-5528 c | [1] | КОНТРОЛЬ КАК | |
| 17 | 245-7833 | [1] | ЯДР AS-HEATER | |
| 18 | 245-7834 | [1] | ДЕМФЕР КАК | |
| 19 | 245-7835 | [1] | ДАТЧИК AS-TEMPERATURE (ОКРУЖАЮЩИЙ ВОЗДУХ) | |
| 20 | 353-2151 CY | [1] | КАТУШКА GP-EVAPORATOR | |
| 21 | 245-7838 | [1] | УПАКОВКА | |
| 22 | 245-7839 | [1] | МОТОР КАК (С ВЕНТИЛЯТОРОМ) | |
| 23 | 245-7856 | [3] | SCREW-TAPPING | |
| 24 | 293-1137 | [1] | ФИЛЬТР AS-AIR (КОНДИЦИОНЕР) | |
| 245-7823 | [1] | ВОЗДУХ ФИЛЬТРА ELEMENT-CAB | ||
| 245-7824 | [1] | УПАКОВКА | ||
| 25 | 316-8846 | [1] | ПЛИТА | |
| 26 | 316-8847 | [2] | ШТАНГА | |
| 27 | 316-8849 | [1] | ШТАНГА | |
| 28 | 316-8918 | [1] | ПЛИТА | |
| 29 | 316-8920 | [1] | ШТАНГА | |
| 30 | 316-8921 | [1] | ШТАНГА | |
| C | ИЗМЕНЕНИЕ ОТ ПРЕДЫДУЩЕГО ТИПА | |||
| Y | ОТДЕЛЬНАЯ ИЛЛЮСТРАЦИЯ |
части конструированы точно для работы в системе соотвествовать основного продукта для представления, надежности, стойкости, производственных затрат и урожайности машины.
1. период гарантии: Гарантия 3 месяцев от даты прибытия. Более длинный период гарантии 6 месяцев смог быть предложен с уровнем более высокой цены.
2. тип гарантии: замена частей которые имеют качественную проблему.
3. гарантия инвалидна во внизу случаи
* Cutomer дает неправильно информацию о заказе
* сила Majeure
* неправильные установка и деятельность
* ржавчина из-за неправильного запаса & обслуживания
* сильная коробка или деревянная коробка для компонентов шестерни. Деревянная коробка для собрания коробки передач
* методы доставки: Морским путем, самолетом к местному международному аэропорту, мимо выразите как DHL TNT FEDERAL EXPRESS