| Имя запасных частей экскаватора | Главная монтажная схема | 
| Образец техники | 320D | 
| Категория частей | Части экскаватора электрические запасные | 
| Запасные части подготовляют | Совершенно новый | 
| MOQ заказа (PCS, НАБОР) | 1 | 
| Наличие частей | В запасе | 
| Время выполнения доставки | 1-3 дней | 
 
  
  
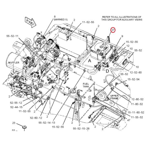
ЭКСКАВАТОРЫ 320D
  

 
Собрания проводки конструированы надежно для того чтобы привести электронику и системы в действие машины под требуя эксплуатационными режимами. Сразу собрания проводки замены OEM позволяют легкому обслуживанию на местах машин с проводкой сделанной для того чтобы соотвествовать точные машины.
Атрибуты:
• Замена OEM сразу
• Теплостойкий
• Проводка ECM
Применения:
Собрание проводки контроля использовано для передавать сигналы и электропитание от электронного отсека управления датчикам в двигателях.
  
  
 
1. период гарантии: Гарантия 3 месяцев от даты прибытия. Более длинный период гарантии 6 месяцев смог быть предложен с уровнем более высокой цены.
  
2. тип гарантии: замена частей которые имеют качественную проблему.
  
3. гарантия инвалидна во внизу случаи
* Cutomer дает неправильно информацию о заказе
* сила Majeure
* неправильные установка и деятельность
* ржавчина из-за неправильного запаса & обслуживания
  
 
* сильная коробка или деревянная коробка для компонентов шестерни. Деревянная коробка для собрания коробки передач
* методы доставки: Морским путем, самолетом к местному международному аэропорту, мимо выразите как DHL TNT FEDERAL EXPRESS