| Имя | Кабель газа |
| Части No | 11N860190 |
| Модель машины | R140LC-7 R210LC7 R210NLC7 R250LC7 |
| Категория | Система управления двигателем |
| Время выполнения | 1-3 дня |
| Качество | Совершенно новый, OEM-качество |
| МОК | 1 шт. |
| Средства транспорта | По морю/по воздуху, DHL FEDEX UPS TNT EMS |
| Упаковка | По запросу или стандартная упаковка |
Серия 7 РЕДНЫЙ экскаватор R140W7
7-SERIES CRAWLER EXCAVATOR R140LC-7 R210LC7 R210NLC7 R250LC7 Hyundai
| 21N6-20031 КАБЛ |
| R140LC9S, R210LC7, R260LC9S |
| 21N6-01510 Кабель ((ALT-STARTER) |
| R210LC7, R260LC9S |
| 21N8-11090 КАБЕЛ ((START-HEATER RY) |
| R210LC7, R290LC7 |
| 21N8-11110 КАБЕЛ ((ALT-EARTH) |
| R210LC7, R210NLC7, R290LC7 |
| 21N6-21180 КАБЕЛ ((BATT EARTH-M/SW) |
| R210NLC7 |
| 21N6-21190 Кабель ((БАТТ-СТАРТЕР) |
| В случае, если не применяется, то не допускается применение препарата. |
| 21E2-60410 КАБЕЛ ((BATT-BATT) |
| 33HDLL, R200W2, R210LC3LL, R250LC7, R250LC7A, R290LC3H |
| 21L6-10220 КАБЕЛ ((BATT-TERMINAL) |
| R250LC7 |
| 21L8-10280 КАБЕЛ ((РЕЛЕ-СТАРТЕР)) |
| HL720-3C, HL730TM3C, R250LC7, R250LC7A |
| 21N7-10080 КАБЕЛ ((BATT-MASTER SW) |
| R250LC7 |
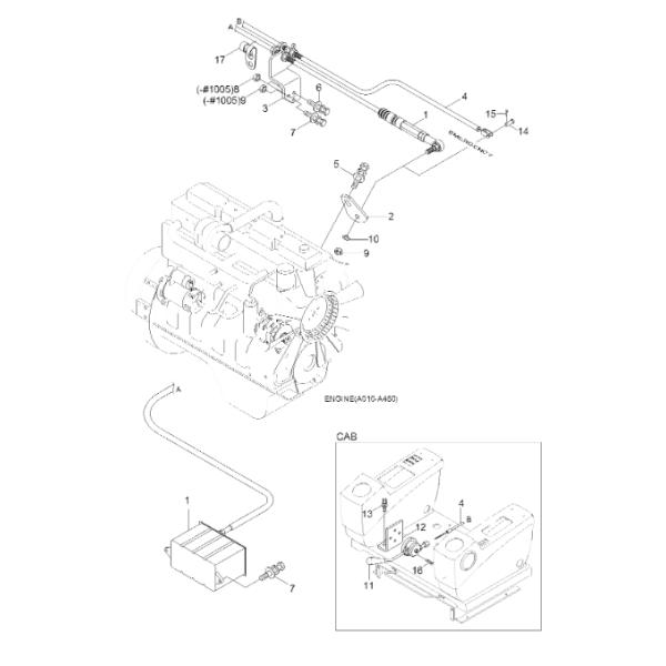
| Позиция. | Часть No | Количество | Наименование деталей | Комментарии |
| * | @ | Продукция | Система управления двигателем | |
| 1 | 21EN-32260 | Продукция | ACCEL ACTUATOR | |
| 2 | 11N4-63011 | Продукция | СТРАНИЦА | |
| 3 | 11N4-63022 | Продукция | КОРПЕЦА | |
| 3 | 11N4-63023 | Продукция | КОРПЕЦА | |
| 4 | 11N8-60190 | Продукция | КАБЛИЧЕСКИЙ ГРОТ | |
| 4 | 11N8-60181 | Продукция | КАБЛИЧЕСКИЙ ГРОТ | |
| 5 | S035-061522 | [2] | Примечание: | |
| 6 | S035-062552 | [2] | Примечание: | |
| 7 | S035-082052 | [2] | Примечание: | |
| 8 | S205-061002 | [2] | НУТ-ХЕКС | |
| 9 | S205-061002 | [2] | НУТ-ХЕКС | |
| 9 | S205-061002 | Продукция | НУТ-ХЕКС | |
| 10 | S403-081002 | Продукция | Уборщик-пространство | |
| 11 | 11N6-63040 | Продукция | КРЕШНЫЙ КРЕШНИК | |
| 11 | 11N6-63041 | Продукция | КРЕШНЫЙ КРЕШНИК | |
| 12 | 11N6-63050 | Продукция | КОРПЕЦА | |
| 13 | S037-102522 | [2] | Примечание: | |
| 14 | S491-060252 | Продукция | PIN-CLEVIS | |
| 15 | S461-160152 | Продукция | ПИН-СПЛИТ | |
| 16 | S141-080142 | [4] | Скрив-флат HD | |
| 17 | S593-000902 | [3] | КЛИП-ХАРНЕС | |
| 17 | S593-000902 | Продукция | КЛИП-ХАРНЕС |

1 Гидравлические детали: гидравлический насос, главный клапан, гидравлический цилиндр, конечный привод, двигатель, колеблющиеся машины, колеблющийся двигатель и т.д.
2 Части двигателя: задняя часть двигателя, поршень, поршневое кольцо, блок цилиндра, головка цилиндра, коленчатый вал, турбокомпрессор, насос для впрыска топлива, стартовый двигатель и генератор и т.д.
3 Часть подъезда: железнодорожный ролик, железнодорожный ролик-носитель, железнодорожная связь, железнодорожная обувь, спираль, подушка для колеса и колеса и т.д.
4 Части кабины: кабина оператора, проводка, монитор, контроллер, сиденье, дверь и т.д.
5 Части охлаждения: радиатор, кондиционер, компрессор, охладитель и т.д.
6 Другие части: сервисный комплект, колесо, капот двигателя, гигантский узел, топливный бак, фильтр, бум, рука, ведро и т.д.
Преимущество
1Предлагаем качественные и конкурентоспособные продукты.
2. Поддержка 12-месячная гарантия
3. 100% испытано перед отправкой
4Доставка вовремя.
5Широкий спектр датчиков давления масла, датчиков уровня топливного бака, датчиков температуры, датчиков скорости для экскаваторов
6Более 15 лет производственного и 11 лет внешнеторгового опыта
7Профессиональная команда контроля качества.
8Лучшая команда продаж, круглосуточное обслуживание.
Подробности упаковки:
Внутренняя упаковка: пластиковая пленка для упаковки
Внешняя упаковка: деревянная
Отправка:
в течение 3 дней после получения платежа, по воздуху или экспресс-перевозом или морским путем на основании
количество и чрезвычайные обстоятельства.
1По курьерам: DHL, UPS, FEDEX, TNT являются основными курьерскими компаниями, с которыми мы сотрудничаем,
2По воздуху: доставка из аэропорта Гуанчжоу в аэропорт города назначения клиента.
3По морю: доставка из порта Хуанпу.