резистор металлической окиси 5W высокопрочный, высоковольтный и высокоомный

Размер
| Размер (mm) | L | ΦD | l | CU Φd |
| Значение | 17±1,5 | 6±0,5 | ≥28 | 0,7±0,05 |
Нормированная величина
| Стиль | RX21 |
| Расклассифицированная сила | 5W |
| Derating кривая | ![]() |
| Расклассифицированное напряжение тока | ![]() |
| Максимальное напряжение тока | 500V |
| Максимальное напряжение тока перегрузки | 700V |
| Допуск | J (±5%) |
| Ряд сопротивления | 47R |
| Температурная амплитуда рабочей температуры | -55℃| +155℃ |
Представление
| Описание | Требования производительности | Метод теста | |
|
Температура сопротивления Коэффициент |
T.C.R. ±350ppm/℃ |
Температура теста +20℃/-55℃/+20℃/+125℃/+20℃ |
|
| Кратковременная перегрузка |
ΔR≤±1% R Отсутствие видимого повреждения, маркировок четких |
2,5 раз расклассифицированное напряжение тока или максимальное напряжение тока перегрузки (низкая) 5 секунд | |
| Напряжение тока Wiith стоя | Отсутствие flasheover или нервное расстройство | AC 700v 1 минута | |
| Терминальная прочность | Вытягиванный |
ΔR≤±1% R +0.05R Отсутствие видимого повреждения |
Φd 0,7 mm; Нагрузка 10N 10s |
| Обветренный | Φd 0,7 mm; Нагрузка 10N 900 | ||
| Переплетенный | 3600 в противоположном направлении | ||
| Сопротивление к вибрации |
≤±1% +0.05R ΔR Отсутствие видимого повреждения |
10|500Hz направление 3 2 часа каждое |
|
| сопротивление Припо-жары |
≤±1% R ΔR Метки четкие, |
℃ 350 2mm от тела, 3 секунды |
|
| Solderability | По крайней мере 95% из окуная поверхности должно быть покрыто новым припоем, никакие рванины собрало. | ℃ 235 2mm от тела, 2 секунды |
|
| Цикл температуры |
≤±1% R +0.05R ΔR Отсутствие видимого повреждения |
-55/+155℃ для 5 циклов | |
| Влажность |
≤±5% R +0.05R ΔR Отсутствие видимого повреждения |
40 RH℃ 95% 1344 часа |
|
| Жизнь нагрузки |
≤±5% R +0.05R ΔR Никакое видимое повреждение, не отметит четкое |
расклассифицированное напряжение тока или максимальное напряжение тока, 1,5 часа дальше, 0,5 часа, 70 стоградусных температур 1000 часов |
|
Как приказать

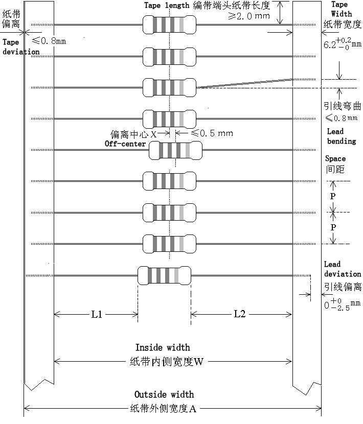
Связывать тесьмой и формировать
Запись на ленту осевого руководства

Цвет для каждого цифра


вопросы и ответы
1. Что минимальный клиент количества может приказать?
Если мы имеем ваш размер в запасе, то мы можем обеспечить любое количество вы хотите.
Если мы не имеем, для провода катышкы, то мы можем произвести 1 катышку, о 2-3kg. Для провода катушки, 25kg.
2. Как можете вы оплатить для небольшого количества образца?
Мы имеем счет, передачу провода для количества образца также ок.
3. Клиент не имеет срочный счет. Как мы аранжируем доставку для заказа образца?
Как раз нужно обеспечить ваши данные по адреса, мы проверит срочную цену, вас смогите аранжировать срочную цену вместе со значением образца.
4. Что наши условия оплаты?
Мы можем признавать условия, ее также в зависимости от доставки и полную сумму оплаты LC T/T. Позвольте нам поговорить больше в деталях после получать ваши детальные требования.
5. Вы обеспечиваете свободные образцы?
Если вы хотите несколько метров и мы имеем запас вашего размера, то мы можем обеспечить, потребность клиента принести международную срочную цену.
6. Что наше рабочее временя?
Мы передадим вы для того чтобы ответить через инструмент контакта электронной почты/телефона онлайн в течение 24 часов. Отсутствие рабочий день или праздники дела.