КЛАПАНЫ РЕГУЛИРОВАНИЯ ПОТОКА МОДУЛИРУЮЩИХ ЛАМП ГИДРОТЕХНИК CSBF-H-G20 РУЧНЫЕ ПРОПОРЦИОНАЛЬНЫЕ ДЛЯ КОРАБЛЕЙ
МОДУЛИРУЮЩИЕ ЛАМПЫ ПК ДЛЯ БЛОКА MODEL-CSBF-20 МОДУЛИРУЮЩЕЙ ЛАМПЫ СЕРИИ ГИДРАВЛИЧЕСКОГО
| Модель |
Номинальный диаметр (mm) |
Подача (Л/МИН) |
Давление (MPA) |
Регулировка наддува предохранительного клапана (MPA) |
Управляющая сила ручки (n) | функция клапана катышкы Средний-положения |
| CSBF-G20 | 20 | 120 |
25 |
5~25 |
≤40 |
H типа
|
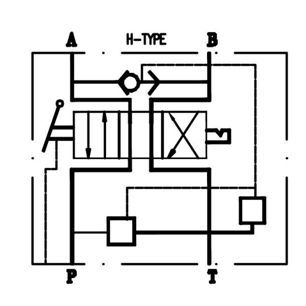
Принцип механизма компенсации давления для клапана CSBF-G20 морской ручной пропорциональной подачи составного:

Масло в подачах трубопровода мотора от порта входа (порта p) ручного пропорционального клапана к нагрузке (порт a или b) через порт дросселя основного ядра клапана. В то же время, нижняя часть ядра перекрывного клапана также получает силу которая нажимает ядр клапана вверх. Величина этой силы P1A (a площадь поперечного сечения ядра клапана). Давление P1 уменьшает к P2 должному к проходить через порт дросселя, и действуют, что на верхней части ядра клапана нажимает P2 ядр клапана вниз, к тому же, действие весны причиняет ядр клапана получить ухудшающуюся силу нажатия, поэтому ухудшающаяся сила нажатия P2A+F (f сила весны). Если P2A+F>P1A установлено, то ядр клапана нажато вниз, причиняя поверхность дросселя перекрывного клапана быть закрытым, и полностью входящая подача направлена к нагрузке через порт дросселя основного ядра клапана. Когда подача в повышения порта p, P2A+F чем P1A. В это время, движения ядра клапана вверх и поверхность дросселя не будут раскрывать, причиняющ большое количество подачи пропустить из порта o, уменьшая подачу через порт дросселя до F/A=P1 P2, и ядр клапана в устойчивом состоянии. Если повышения давления груза, и F/A>P1 P2, ядр клапана нажаты вниз, то уменьшение отверстия поверхности подачи, и P1 также увеличивает соответственно. До F/A=P1 P2, ядр клапана не будет находиться в устойчивом состоянии снова. Если уменшения давления груза, и F/A чем P1 P2, то ядр клапана нажато вверх, увеличивая отверстие поверхности дросселя, и P1 не будет уменьшать соответственно до F/A=P1 P2, и ядр клапана в устойчивом состоянии снова. Поэтому, независимо от как изменения давления масла входа и выхода, разница в P1-P2 давления остаются постоянн, поэтому оно значит что расход потока когда проходить через дроссель также постоянн. Поэтому, расход потока определен своей зоной подачи и не связан к изменению в давлении груза.
Переключение направления и дросселируя принцип основного ядра клапана ручного пропорционального клапана направления подачи CSBF-G20 составного (принимая M типа в качестве примера):

Когда ручка в среднем положении, каждый порт масла (порты a, b) закрыт, и масла discharged от возвращений масляного насоса от гаван p в гаван o, причиняя мотор масла остановить.
Ручка на правильной стороне, и основное ядр клапана двигает вверх. Масло пропуская внутри от гаван подач p через порт дросселя для того чтобы перенести a, и после этого пропускает вне от гаван a для того чтобы управлять мотором масла для того чтобы вращать. Возвращенное масло возвращений мотора масла от гаван b для того чтобы перенести O. В это время, ручка использована для того чтобы отрегулировать отверстие порта дросселя путем регулировать угол наклона основного ядра клапана к различным положениям, для того чтобы достигнуть регулировки скорости мотора масла. Наоборот, когда ручка на левой стороне и подачах масла от P-B к A-O, результаты совершенно подобны, но мотор масла поворачивает в противоположное направление.
Принцип переполнения клапана CSBF-G20 ручной пропорциональной подачи составного для машины анкера (части предохранительного клапана):

Как принцип общего клапана переполнения, когда мотор масла бежит и давление груза низко, конический клапан в закрытом государстве должном к действию силы весны, и мотор масла работает нормально. Когда давление груза увеличивает и превышает силу весны отжатую на коническом клапане, конический клапан раскрывает, и высоконапорные подачи масла в гаван o от гаван p для защиты мотора масла.
Польза и обслуживание клапана пропорциональной подачи руководства CSBF-G20 составного:

Когда нам нужно заменить этот клапан руководства CSBF пропорциональный, мы сталкиваемся что nameplate идентификации продукта вытравливал. Мы смогите точно и быстро определить через следующую схематическую диаграмму:
ФАБРИКА АКСЕССУАРОВ КОРАБЛЯ КИТАЯ ЦЗЯНСУ ЯНЧЖОУ FEIHANG
КОНКУРЕНТНОЕ ПРЕИМУЩЕСТВО
1. Прямая связь с розничной торговлей фабрики, конкурентоспособная цена.
2. Подгонянное обслуживание: Мы можем подгонять, к чертежам клиентов для обработки. Мы гибкий и способный поставщик.
3. Неподдельный продукт с превосходным качеством: Наш продукт строго исполнен с аттестацией Китая принудительной. тест гарантии 100% перед доставкой.
4. И техническая консультация обслуживаний после продажи: 24 часа службы технической поддержки электронной почтой. Наша профессиональная команда всегда здесь охотно готова быть вашим техническим консультантом.
5. Срок поставки: после получать оплату в течение 24-72 часов к своевременному аранжируйте сырье, обработку, продукцию, и своевременную доставку.