СТРАНИ МОРИНСКОЙ ВОДЫ И ФИЛТРЫ МОРИНСКОЙ ВОДЫ
С МГПС-Устройством против морских организмов



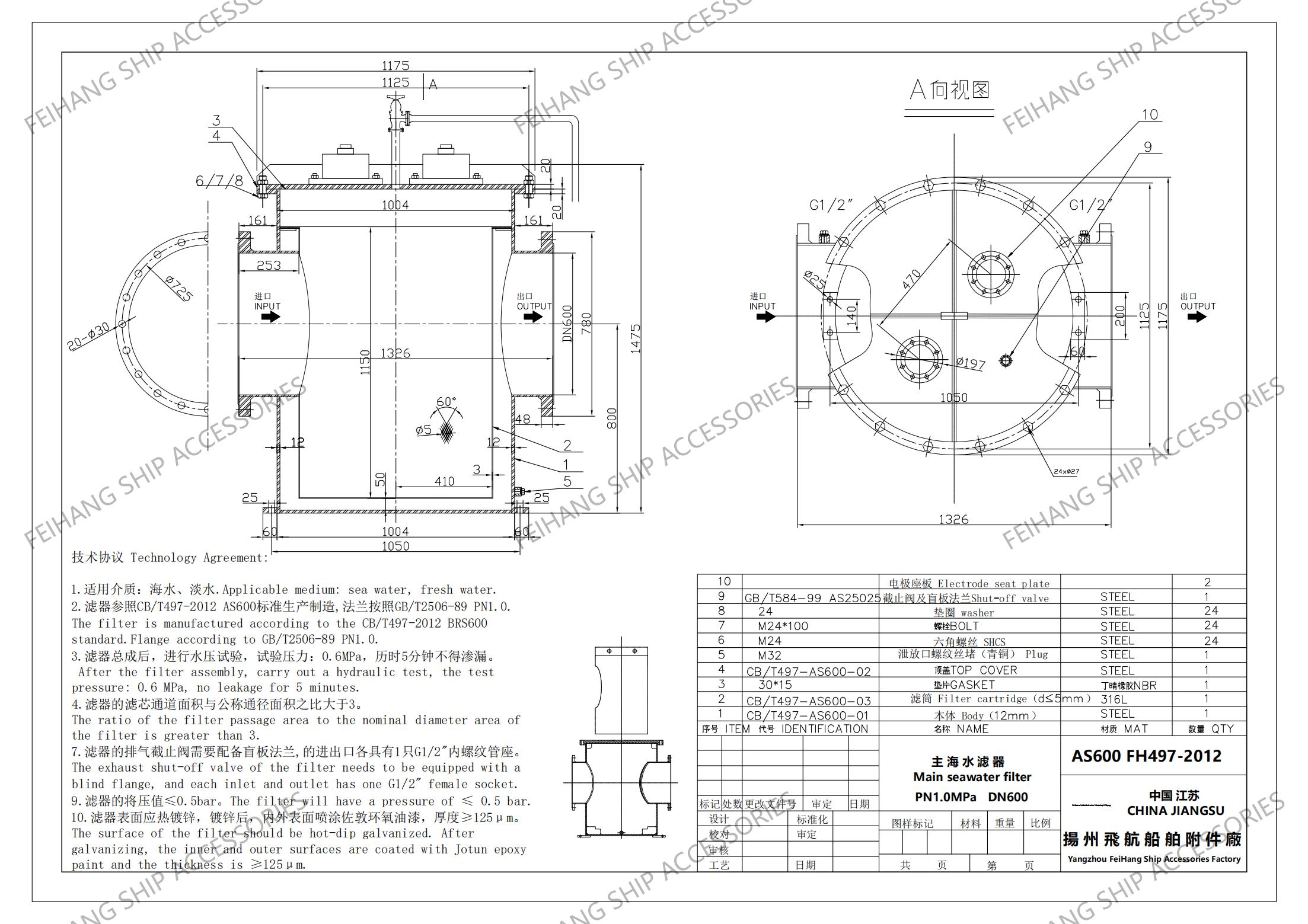
Устройство морской биологической защиты MGPS подводная шлюз фильтр морской воды AS600 предназначен для защиты нашего судна от коррозионного воздействия морской воды.Он специально разработан для удовлетворения требований судовладельца и соответствует стандарту судна CB/T497-2012.Этот фильтр служит мощным фильтром грубой воды для всасывания, эффективно предотвращая попадание морских организмов в систему слипа.Это уменьшает скорость коррозии морской воды на корпусе судна, обеспечивая его долговечность и долговечность.



Требования к проектированию фильтров морской воды для морских подводных лодок изложены ниже.
Выбранная модель фильтра - тип AS, известный своей прямой конструкцией, имеет номинальный диаметр DN600, что делает его подходящим для использования в морской среде.
Рабочее давление для фильтра морской воды составляет 0,6 МПа при проектном давлении 1,0 МПа. Это гарантирует, что фильтр может выдерживать давление морской воды без утечки или разрыва.
Корпус фильтра изготовлен из углеродной стали и оцинкован горячим оцинкованием для защиты от коррозии в соленой воде.Внутренняя часть корпуса облицована резиновым покрытием, чтобы дополнительно предотвратить коррозию и обеспечить долговечность фильтра.
Материал фильтрующего картриджа из нержавеющей стали SUS316L, известный своей долговечностью и устойчивостью к коррозии в морской среде.что делает его подходящим для удаления больших частиц из морской воды.
Соединения входа и выхода для фильтра грубой воды - фланцы PN10, которые обычно используются в морских приложениях.Фильтр также требует двух сварочных сидений, которые должны быть установлены на крышке для установки противоморских биологических электродов.

| Стандарты проектирования | CB/T497-2012 |
|---|---|
| ОПРАВЛЕНИЕ поверхности | Гальванизация и краска |
| Элемент фильтра | Сети из нержавеющей стали |
| Рабочее давление | 00,6 МПа |
| Тип соединения | С фланцами |
| Фильтровая сетка | 5 мм |
| Номинальный диаметр | 24"-DN600 мм |
| Материал корпуса | Горячее оцинковление углеродистой стали |
| Применение | Морская морская вода, фильтр грубой воды |
| Медианная функция | Морская вода |
| Ключевые особенности | Фильтр грубой воды для всасывания, морской фильтр грубой воды для всасывания |





Это морской фильтр морской воды из оцинкованной углеродной стали MGPS, специально разработанный для систем обезсерживания и соответствующий стандартам AS600 CB/T497-2012.Он эффективно удаляет морские организмы и предотвращает их попадание в систему..
Этот фильтр, оснащенный специальным подводным шлюзом, предназначенным для вышек разжигания серы, оснащен импортированным устройством MGPS против морских организмов.что делает его очень надежным вариантом для защиты морской средыОн соответствует стандартам AS600 CB/T497-2012.
Для систем обезсерживания с конкретными подводными выходами рекомендуется использовать фильтр морской воды AS600 CB/T497-2012 с устройством MGPS для борьбы с морскими организмами.Он эффективно отфильтровывает морские организмы и обеспечивает поступление чистой морской воды в систему.
Этот фильтр MGPS с подводным шлюзом высокого уровня предназначен для использования в башнях обезсерживания и имеет устройство предотвращения морских организмов.Он построен по стандартам AS600 CB/T497-2012 и гарантирует оптимальную защиту системы..
Для систем обезсерживания с низкоуровневым подводным шлюзом этот фильтр морской воды оборудован устройством MGPS против морских организмов и соответствует стандартам AS600 CB/T497-2012.Он эффективно отфильтровывает морские организмы и поддерживает безопасность и чистоту системы.
Этот насос для морской воды, предназначенный для размещения вышек обезвоживания, оснащен импортированным устройством MGPS против морских организмов и предназначен для соответствия стандартам AS600 CB / T497-2012.Он является надежным выбором для защиты морской среды в системах обезсерживания.


Наши морские водоотсасыватели тщательно упакованы, чтобы обеспечить безопасную доставку нашим клиентам. Каждый блок помещается в прочную картонную коробку с достаточной подкладкой для защиты во время транспортировки.Затем коробку запечатывают упаковочной лентой, чтобы предотвратить повреждение или подделку во время транспортировки.
Мы предлагаем как внутренние, так и международные варианты доставки для нашей морской воды. Для внутренних заказов мы используем надежных перевозчиков, таких как UPS, FedEx и USPS.Время доставки может варьироваться в зависимости от местоположения клиента, но мы стараемся обрабатывать и отправлять заказы в течение 1-2 рабочих дней.
Для международных заказов мы работаем с нашими партнерами по доставке, чтобы обеспечить своевременную и безопасную доставку.в зависимости от их потребностей и бюджета.
После отправки клиенты получат номер отслеживания по электронной почте или телефону, в зависимости от предпочтительного метода связи.Это позволяет им отслеживать заказ и точно знать, когда ожидать доставку.
В компании Marine Sea Water Strainer мы очень внимательно относимся к упаковке и доставке наших продуктов, чтобы обеспечить их безопасное доставление нашим клиентам.Мы стремимся предоставить продукцию и услуги самого высокого качества., и мы стремимся превзойти ожидания наших клиентов с каждым заказом.